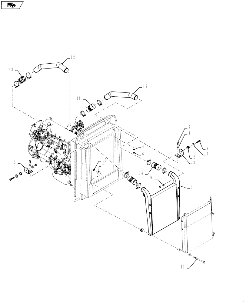
Запчасти Case IH TITAN 4530 (10.310.01) - CHARGE AIR COOLER (10) - ENGINE

Схема запчастей Case IH TITAN 4530 - (10.310.01) - CHARGE AIR COOLER (10) - ENGINE
8
9
11
12
10
4
home
16
6
7
14
1
7
3
2
4
13
5
15
3
FIT
1:1
100%

Артикул

Название

Примечание

Количество

1

259332A4

AFTERCOOLER

Charge Air

1шт.

2

D52276

ISOLATOR,10.16mm ID x 28.07mm OD x mm L

Radiator

4шт.

3

BN324064

ANGLE

CAC Mounting Bracket

2шт.

4

87529315

WASHER,9mm ID x 17mm OD x 2mm Thk

9 x 17 x 2 mm, HDN, DOR

8шт.

5

86980379

BOLT,Hex, M8 x 1.25 x 20mm, Cl 8.8

4шт.

6

86980514

LOCK NUT,Hex, M8, Cl 8, DOR

4шт.

7

87529239

WASHER,0.41" ID x 1.12" OD x 0.13" Thk

0.406X1.125X0.134 HTS DOR HDN

4шт.

8

86980403

BOLT,Hex, M10 x 1.5 x 40mm, Cl 8.8, Full Thd

2шт.

9

87529312

WASHER,11mm ID x 24mm OD x 3mm Thk

4шт.

10

86980515

NUT,Hex, M10 x 1.5, Cl 8.8, DOR

4шт.

11

86980413

BOLT,Hex, M10 x 1.5 x 130mm, Cl 8.8

2шт.

12

84300455

AIR INTAKE TUBE,88.90 mm OD

CAC Inlet

1шт.

13

84241628

BELLOWS

CAC, 3.5"

2шт.

14

87270795

CLAMP

Hose, T-Bolt

8шт.

15

84300457

AIR INTAKE TUBE,88.90 mm OD

CAC Out

1шт.

16

84241629

BELLOWS

CAC, 3.5"

2шт.

Выбрано товаров: 16