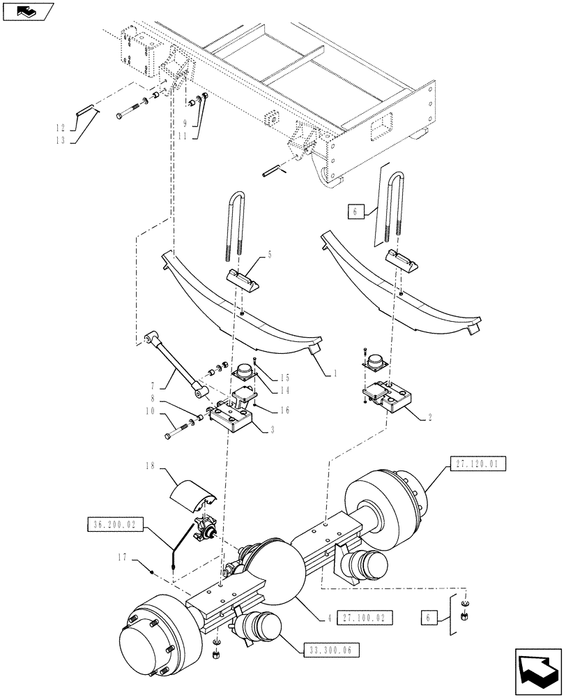
Запчасти Case IH TITAN 4530 (27.100.01) - REAR AXLE MOUNTING (27) - REAR AXLE SYSTEM

Схема запчастей Case IH TITAN 4530 - (27.100.01) - REAR AXLE MOUNTING (27) - REAR AXLE SYSTEM
2
18
13
9
12
8
5
4
6
10
7
27.100.02
33.300.06
27.120.01
36.200.02
16
17
6
14
11
home
3
15
1
FIT
1:1
100%

Артикул

Название

Примечание

Количество

1

BN305155

LEAF SPRING

Rear, 14 Leaf

2шт.

2

BN323481

PAD

Axle Spring, Right Side, Used Without Auxiliary Transmission

1шт.

2

343709A1

PAD

Axle Spring, Right Side, Used With Auxiliary Transmission

1шт.

3

BN323480

PAD

Axle Spring, Left Side, Used Without Auxiliary Transmission

1шт.

3

343708A1

PAD

Axle Spring, Left Side, Used With Auxiliary Transmission

1шт.

4

87493492

AXLE

Rear

1шт.

See Fig 27.100.02 For Service Parts Breakdown

1шт.

5

87268392

U-BOLT

Seat, Rear

2шт.

6

BN2292167

U-BOLT

1 x 3 1/2 x 21 1/2, Assembly Includes Nuts And Washers

4шт.

7

BN304485

ARM ASSY.

Trailing

2шт.

8

BN304486

BUSHING,22.35mm ID x 31.75mm OD x 26.92mm L

1.25 x .88 x 1.06

8шт.

9

87529313

WASHER,24mm ID x 44mm OD x 4mm Thk

24 x 44 x 4MM, HDN, DOR

8шт.

10

86980478

BOLT,Hex, M22 x 2.5 x 180mm, Cl 8.8

4шт.

11

86980519

NUT,Prev Torque, Hex, M22, 2.5 Pitch, Cl 8, DOR

4шт.

12

BN2391616

PIN,19.05mm OD x 152.4mm L

Rebound

4шт.

13

733-4032

COTTER PIN,M4 x 32

4шт.

14

BN5183018

BUMPER

Rubber

2шт.

15

86980404

BOLT,Hex, M10 x 1.5 x 45mm, Cl 8.8

8шт.

16

86980515

NUT,Hex, M10 x 1.5, Cl 8.8, DOR

8шт.

17

BN41288

LUBE NIPPLE

1/8-27 x 90 Deg

2шт.

18

87269589

GUARD

U-Joint

1шт.

Выбрано товаров: 0