Запчасти Case IH TITAN 4530 (27.124.01) - DRIVELINE MOUNTING, WITHOUT AUXILIARY TRANSMISSION (27) - REAR AXLE SYSTEM

Схема запчастей Case IH TITAN 4530 - (27.124.01) - DRIVELINE MOUNTING, WITHOUT AUXILIARY TRANSMISSION (27) - REAR AXLE SYSTEM
9
1
9
3
7
8
4
5
6
27.100.02
27.124.02
27.124.02
21.114.02
2
6
home
8
4
FIT
1:1
100%

Артикул

Название

Примечание

Количество

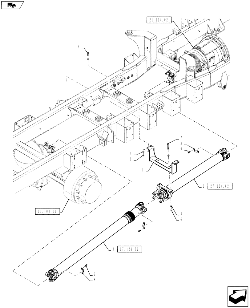
1

84177780

HANGER

Driveline

1шт.

2

84177779

DRIVE SHAFT

Stationary

1шт.

See Fig 27.124.02 For Service Parts Breakdown

1шт.

3

343801A1

DRIVE SHAFT

Slip

1шт.

See Fig 27.124.02 For Service Parts Breakdown

1шт.

4

86981496

WASHER,13.3mm ID x 24.5mm OD x 3mm Thk

12шт.

5

86980423

BOLT,Hex, M12 x 1.75 x 40mm, Cl 8.8, Full Thd

4шт.

6

86980516

NUT,Prev Torque, Hex, M12, 1.75 Pitch, Cl 8, DOR

6шт.

7

86980429

BOLT,Hex, M12 - 1.75 x 90mm, Cl 8.8, DOR

2шт.

8

BN326109

STRAP

Yoke

6шт.

9

BN326110

BOLT

Yoke Strap

12шт.

Выбрано товаров: 11