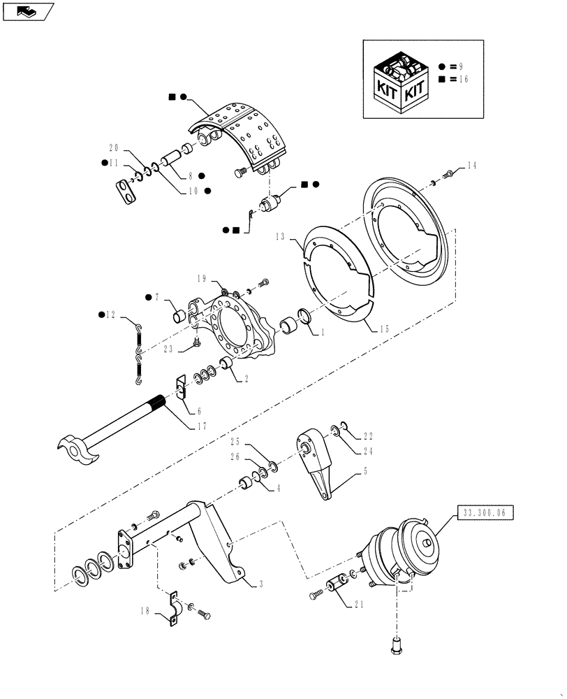
Запчасти Case IH TITAN 4530 (33.300.05) - REAR AXLE BRAKE ASSEMBLY (33) - BRAKES & CONTROLS

Схема запчастей Case IH TITAN 4530 - (33.300.05) - REAR AXLE BRAKE ASSEMBLY (33) - BRAKES & CONTROLS
19
21
12
9
10
14
2
home
9
1
16
9
8
9
20
6
13
33.300.06
25
9
16
22
15
18
23
24
16
3
9
9
26
11
16
7
5
9
9
9
16
17
4
FIT
1:1
100%

Артикул

Название

Примечание

Количество

1

84175120

SEAL

Camshaft

4шт.

2

84175112

BUSHING

Camshaft

4шт.

3

84175130

BRACKET, SUPPORTING

Right Side Brake Chamber

1шт.

3

84175132

BRACKET, SUPPORTING

Left Side Brake Chamber, Not Shown

1шт.

4

84175121

O-RING

2шт.

5

84175341

BRAKE ADJUSTER

Slack, Auto, With Clevis

2шт.

6

84175272

WASHER

Camhead

2шт.

7

84175114

BUSHING

Anchor Pin, Spider

4шт.

8

84175277

PIN

Anchor, Brake Shoe

4шт.

9

84175754

BRAKE SHOE

Assembly, With Hardware, Includes Ref 7, 8, 10, 11, 12, and 16

2шт.

10

BN2451943

SEAL

Anchor Pin

8шт.

11

87271287

SNAP RING

8шт.

12

BN2451945

SPRING

Return

2шт.

13

84175361

PROTECTION PLATE

Dust Shield, LH Upper And RH Lower

2шт.

14

BN2450237

BOLT

Dust Shield

12шт.

15

84175362

PROTECTION PLATE

Dust Shield, RH Upper And LH Lower

2шт.

16

84175322

BRAKE SHOE

With Lining, Includes Rollers and Retainers

4шт.

17

84175133

CAMSHAFT

Brake, Right Side

1шт.

17

84175134

CAMSHAFT

Brake, Left Side, Not Shown

1шт.

18

84169494

CLAMP

Bracket, Brake Chamber

2шт.

19

87392254

SPIDER

Assembly, Rear Brake

2шт.

20

BN2451806

RETAINER

Shoe Anchor

8шт.

21

84175896

ADJUSTABLE CLEVIS

Brake Chamber

2шт.

22

87267993

RING

Snap, Camshaft

2шт.

23

84175929

SET SCREW

Hex Head

2шт.

24

84181338

WASHER

Spacer, Brake Camshaft

2шт.

25

84181334

WASHER

Spacer, Brake Slacker

2шт.

26

84190221

WASHER

Shim, Brake Camshaft

6шт.

Выбрано товаров: 28