Качественные детали и логистика
Оригинальные и аналоговые запчасти с доставкой по России, Казахстану и Беларуси
©2022 PartSell ООО "Система" ИНН 2463123282 ОГРН 1212400004838
Центральный офис: г. Красноярск, Академика Киренского, д.87, пом.4
Телефон: 8 (800) 777-65-74 Email: zakaz@partsell.ru
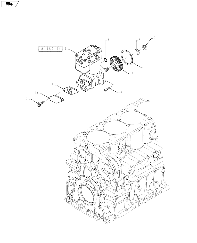
(36.100.01[01]) - AIR COMPRESSOR (504387497)
№
Артикул
Название
Примечание
Количество
1
504308489
AIR COMPRESSOR
See Fig. 36.100.01[02] For Service Kit
1шт.
2
87520321
GEAR
3
504016500
NUT
4
10520304
WASHER,18.8mm ID x 32mm OD x 4mm Thk
5
18139424
SCREW,Hex, M10 x 20mm
2шт.
6
14456881
O-RING,0.362" ID x 0.103" Width
7
14466981
O-RING,0.139" Thk x 5.109" ID, -251, Cl 7, 75 Duro
8
16693924
BOLT
3шт.
9
504016778
GASKET,0.8mm Thk
10
504016777
COVER
Выбрано товаров: 0