Запчасти Case IH 1-401 (AE-5) - HOPPER FRAME AND BRACKET, RIGHT

Схема запчастей Case IH 1-401 - (AE-5) - HOPPER FRAME AND BRACKET, RIGHT
7
2
4
9
10
4
6
3
1
5
8
5
2
FIT
1:1
100%

Артикул

Название

Примечание

Количество

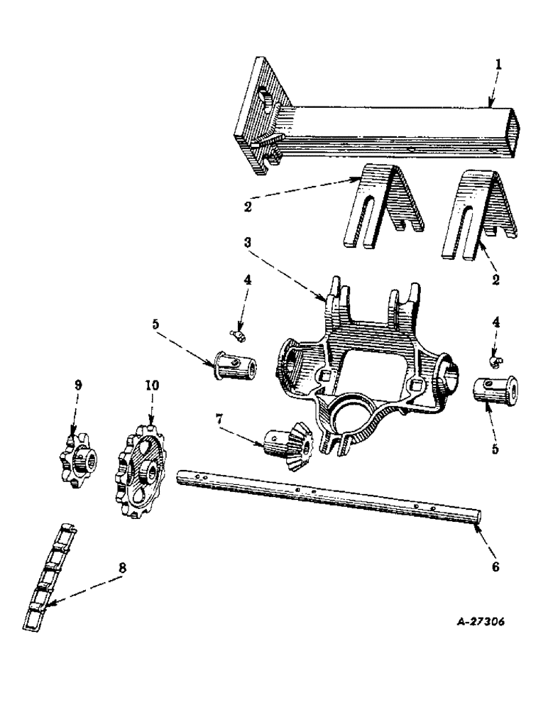
1

516528R91

FRAME, right hopper mounting

1шт.

PO25842A

BOLT

5/8 x 1-1/4 in. conical-hd cap

2шт.

2

516523R1

SUPPORT, right hopper bracket

1шт.

BOLT, 1/2 x 3-3/4 in. mach

1шт.

WASHER, 1/2 in. lock

1шт.

WASHER, 17/32 x 1-1/4 in. x 16 ga

1шт.

3

513999R3

BRACKET

hopper

1шт.

BOLT, 1/2 x 1-1/2 in. crg

1шт.

BOLT, 1/2 x 1-3/4 in. crg

1шт.

WASHER, 1/2 in. lock

1шт.

WASHER, 17/32 x 1-1/4 in. x 16 ga

1шт.

4

80711

LUBE NIPPLE,65 Degree, 1/8" NPT x 7/8" lg

FITTING, 1/8 in. 65 degree elbow lubrication

1шт.

5

PO1818

BUSHING

BEARING, feed shaft

1шт.

6

PO28476

ROLLER

SHAFT, right feed

1шт.

PIN, 1/4 x 1-1/4 in. self-opening cotter

2шт.

WASHER, 25/32 x 1-1/4 in. x 16 ga

2шт.

7

513998R1

PINION

drive, 13T

1шт.

PIN, 1/8 x 5/8 in. self-opening cotter

1шт.

Q3514

HEADED PIN,1/4" x 1 9/16"

PIN, 1/4 x 1-9/16 in. dld-std-hd

1шт.

8

CHAIN, hopper drive right, use 44 No. 32 steel links from 10 ft roll No. CS-32

1шт.

9

PO1763

DRIVE SPROCKET

SPROCKET, feed shaft, 7T

1шт.

PIN, 1/8 x 5/8 in. self-opening cotter

1шт.

Q3514

HEADED PIN,1/4" x 1 9/16"

PIN, 1/4 x 1-9/16 in. dld-std-hd

1шт.

10

PO2639BX

SPROCKET ASSY.

SPROCKET W/SET SCREW, countershaft, 12T

1шт.

PIN, 3/16 x 1-3/4 in. self-opening cotter

1шт.

102894

SET SCREW

3/8 x 3/4 in. cup-pt sq-hd set

1шт.

Выбрано товаров: 26