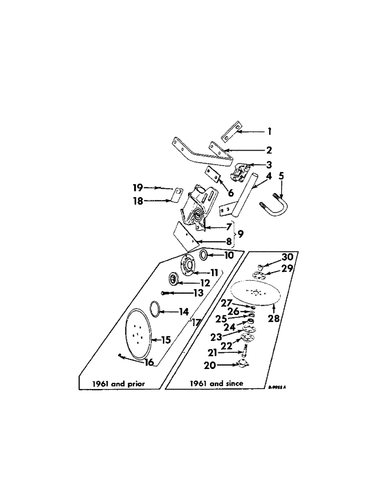
Запчасти Case IH 215 (U-8[A]) - DISK APPLICATOR, 1957 TO 1965

Схема запчастей Case IH 215 - (U-8[A]) - DISK APPLICATOR, 1957 TO 1965
14
20
23
18
4
28
22
7
29
13
21
2
24
15
8
17
19
25
1
12
27
26
3
9
10
6
16
5
11
30
FIT
1:1
100%

Артикул

Название

Примечание

Количество

1

29269BA

STRAP

u-bolt

1шт.

2

524538R1

BRACKET, applicator

1шт.

BOLT, 1/2 x 1-3/4 in. mach

2шт.

BOLT, 1/2 x 3-1/2 in. mach

2шт.

WASHER, 1/2 in. lock

3шт.

3

1844BA

CLAMP

standard

1шт.

4

524536R11

STANDARD

1шт.

BOLT, 1/2 x 1-1/2 in. crg

2шт.

WASHER, 1/2 in. lock

2шт.

5

29515B

BOLT,5/8" - 11 x 3.56"

U-BOLT, standard

1шт.

NUT, 5/8 in.

2шт.

WASHER, 5/8 in. lock

2шт.

6

522301R1

PLATE, filler

1шт.

BOLT, 1/2 x 2-1/2 in. crg

2шт.

WASHER, 1/2 in. lock

2шт.

7

625777R1

DISC

BOOT, left

1шт.

7

625778R1

DISC

BOOT, right

1шт.

8

625780R1

BLADE

left runner

1шт.

8

625781R1

BLADE

right runner

1шт.

RIVET, 5/16 x 5/8 in. csk-hd

4шт.

9

625799R91

BOOT

W/RUNNER, left

1шт.

9

625800R91

CLUTCH ASSEMBLY

BOOT W/RUNNER, right

1шт.

10

M10

FELT

WASHER, felt

1шт.

11

W4227

HOUSING

HUB, disk

1шт.

RIVET, 1/4 x 3/8 in. rd-hd

5шт.

12

N748

BLOCK, bearing

1шт.

13

625794R1

BOLT W/NUT, 7/16 x 1-3/8 in. sq-hd mach

1шт.

WASHER, 7/16 in. lock

1шт.

14

M2

WASHER

GASKET, disk

1шт.

15

625788R1

DISC

DISK, 11 in. dia.

1шт.

16

109461

LUBE NIPPLE,1/8"-27 x .66 lg

NIPPLE, LUBE, 1/8"-27 x .66 lg

1шт.

17

625796R91

DISC

DISK ASSEMBLY

1шт.

18

625789R1

COVER

PLATE, cover

1шт.

19

625792R1

WIRE, cover fastening

1шт.

20

464483R1

CYLINDER END CAP

CAP, bearing housing dirt

1шт.

21

464467R1

BOLT,7/16" - 14 x 2 5/8"

opener disk

1шт.

NUT, 7/8 in.

1шт.

WASHER, 7/8 in. lock

1шт.

22

602989R1

FLANGE,1.41" ID x 3.25" OD x 0.63"

HOUSING, disk bearing

1шт.

SCREW, 1/4 x 7/16 in. cap

6шт.

WASHER, 1/4 in. lock

3шт.

23

602992R1

GASKET

1шт.

24

465004R91

BEARING ASSY,0.6693" ID x 1.5748" OD x 0.4724"

ball

1шт.

25

602994R1

FLANGE

1шт.

26

464628R1

SEAL

1шт.

27

602988R1

SPACER

bearing

1шт.

28

463955R1

DISC

DISK, opener

1шт.

29

464480R1

WASHER

WASHER, reinforcement

1шт.

30

464468R1

BUSHING

SPACER, opener disk

1шт.

Выбрано товаров: 49