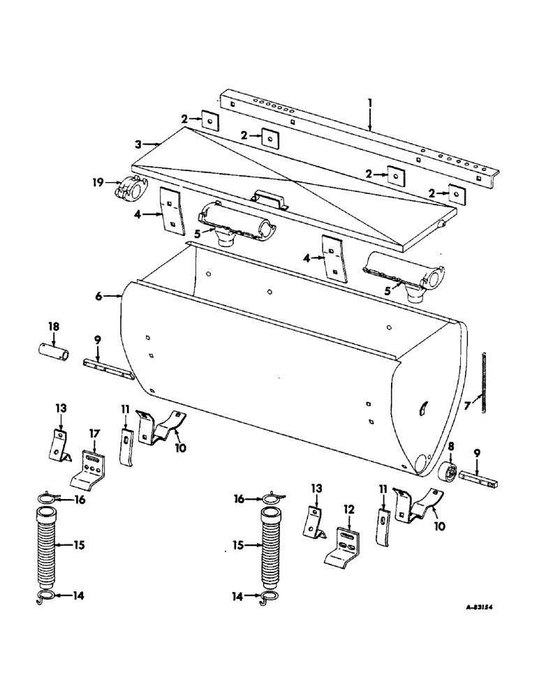
Запчасти Case IH 400 (K-18) - DRY FERTILIZER HOPPER AND SUPPORTS

Схема запчастей Case IH 400 - (K-18) - DRY FERTILIZER HOPPER AND SUPPORTS
18
12
15
5
7
13
14
4
6
19
2
15
9
2
11
13
3
4
17
5
1
10
10
16
9
8
11
16
14
2
2
FIT
1:1
100%

Артикул

Название

Примечание

Количество

1

479883R1

ANGLE, pressure rod support left

1шт.

1

479884R1

ANGLE, pressure rod support right

1шт.

17140R1

CARRIAGE BOLT,Short Nk, 1/2" - 13 x 1 1/4", Gr 2, Full Thd

BOLT, 1/2-13 x 1-1/4 C-Z sq-nk crg

8шт.

120378

NUT,Hex, 1/2" - 13, Gr 5

NUT, 1/2"-13, G5

8шт.

120384

WASHER,1/2"

LOCK, 1/2"

8шт.

2

472429R1

BAR

PAD, hopper

8шт.

3

472401R11

LID ASSY, hopper

2шт.

12235R1

PIN, 1/8 x 3/8 C-Z cot. 1/8" x 5/8"

4шт.

4

472407R1

REINFORCEMENT, hopper

4шт.

5

472416R2

HOUSING

auger feed

4шт.

12872R1

BOLT,Short NK, 5/16"-18 x 1", G2, Full Thd

CARRIAGE, Short NK, 5/16"-18 x 1", G2, Full Thd

16шт.

120376

NUT,5/16"-18, G5

16шт.

134238R1

WASHER

11/32 x 1 x 16 ga C-Z

16шт.

80681

LOCK WASHER,5/16"

WASHER, LOCK, 5/16"

16шт.

6

479179R93

HOPPER

ASSY

2шт.

7

479124R1

VALVE SPRING

SPRING, hopper hold down

4шт.

8

472417R1

BEARING

auger

4шт.

Ref item #8 472417R1 was eliminated on ECN #FEC 94403 in 1974 per service bul. S 2968. The auger shaft was lengthened to take up the as cast bearing space per Allen Jansen. by bb 6/14/96

1шт.

8

483532R1

BEARING, auger, used with extra high rate augers

4шт.

9

472412R4

SHAFT

auger feed, Serial Range: 1965-1967

2шт.

9

487632R1

BAR

SHAFT, auger feed, 1967 and since

2шт.

187988

COTTER PIN,3/16" x 1 1/4"

PIN, SPLIT (COTTER), 3/16" x 1 1/4"

12шт.

21650R1

LOCK PIN,5/16" x 2 1/2", Slotted

Pin, 5/16" x 2 1/2", Slotted

2шт.

10

472409R1

BOLSTER

SUPPORT, hopper lower

4шт.

18707R1

CARRIAGE BOLT,Short Sq Nk, 1/2" - 13 x 1", Gr 2

BOLT, 1/2-13 x 1 C-Z sq-nk crg

8шт.

120378

NUT,Hex, 1/2" - 13, Gr 5

NUT, 1/2"-13, G5

8шт.

120384

WASHER,1/2"

LOCK, 1/2"

8шт.

11

472410R1

RETAINER, tank

4шт.

17140R1

CARRIAGE BOLT,Short Nk, 1/2" - 13 x 1 1/4", Gr 2, Full Thd

BOLT, 1/2-13 x 1-1/4 C-Z sq-nk crg

4шт.

120378

NUT,Hex, 1/2" - 13, Gr 5

NUT, 1/2"-13, G5

4шт.

178373R1

WASHER

17/32 x 1 x 16 ga C-Z

4шт.

120384

WASHER,1/2"

LOCK, 1/2"

4шт.

12

472405R1

HINGE, hopper frame outer

2шт.

17140R1

CARRIAGE BOLT,Short Nk, 1/2" - 13 x 1 1/4", Gr 2, Full Thd

BOLT, 1/2-13 x 1-1/4 C-Z sq-nk crg

4шт.

120378

NUT,Hex, 1/2" - 13, Gr 5

NUT, 1/2"-13, G5

4шт.

178373R1

WASHER

17/32 x 1 x 16 ga C-Z

4шт.

120384

WASHER,1/2"

LOCK, 1/2"

4шт.

13

472406R1

BRACKET, hinge

4шт.

17452R1

BOLT,Hex, 1/2"-13 x 1 1/4", G2

1/2-13 x 1-1/4 C-Z hex-hd mach

8шт.

120378

NUT,Hex, 1/2" - 13, Gr 5

NUT, 1/2"-13, G5

8шт.

21628R1

PIN

1/8 x 3/4 C-Z self-opening cot.

4шт.

21818R1

PIN, 3/8 x 1-11/16 C-Z std-hd

4шт.

120384

WASHER,1/2"

LOCK, 1/2"

8шт.

14

626441R1

CLIP

hose lower

4шт.

610784R1

SPLIT PIN/SAFETY PIN,2.4mm OD x 60.345mm OAL

PIN, quick attachable cot.

4шт.

15

480156R2

HOSE

fertilizer, 35 corrugations

4шт.

16

860200R1

HOSE CLAMP,#36, 2 1/4", Spring

CLAMP, hose upper

4шт.

17

472404R1

HINGE, hopper frame inner

2шт.

17140R1

CARRIAGE BOLT,Short Nk, 1/2" - 13 x 1 1/4", Gr 2, Full Thd

BOLT, 1/2-13 x 1-1/4 C-Z sq-nk crg

4шт.

120378

NUT,Hex, 1/2" - 13, Gr 5

NUT, 1/2"-13, G5

4шт.

120384

WASHER,1/2"

LOCK, 1/2"

4шт.

18

472414R1

COUPLING

long auger

2шт.

520177R1

PIN

quick attachable cot.

2шт.

19471R1

PIN, SPLIT (COTTER),1/4" x 1 3/4"

2шт.

19

472415R1

SPACER

COUPLING, short auger, see note A

2шт.

480968R1

SPACER

auger housing, see note A

2шт.

18674R1

BOLT,Short NK, 5/16"-18 x 1 1/2", G2

5/16-18 x 1-1/2 C-Z crg

4шт.

120376

NUT,5/16"-18, G5

4шт.

134238R1

WASHER

11/32 x 1 x 16 ga C-Z

4шт.

80681

LOCK WASHER,5/16"

WASHER, LOCK, 5/16"

4шт.

Выбрано товаров: 0