Запчасти Case IH 400 (K-24) - LIQUID PRE-EMERGE TANK AND SUPPORTS

Схема запчастей Case IH 400 - (K-24) - LIQUID PRE-EMERGE TANK AND SUPPORTS
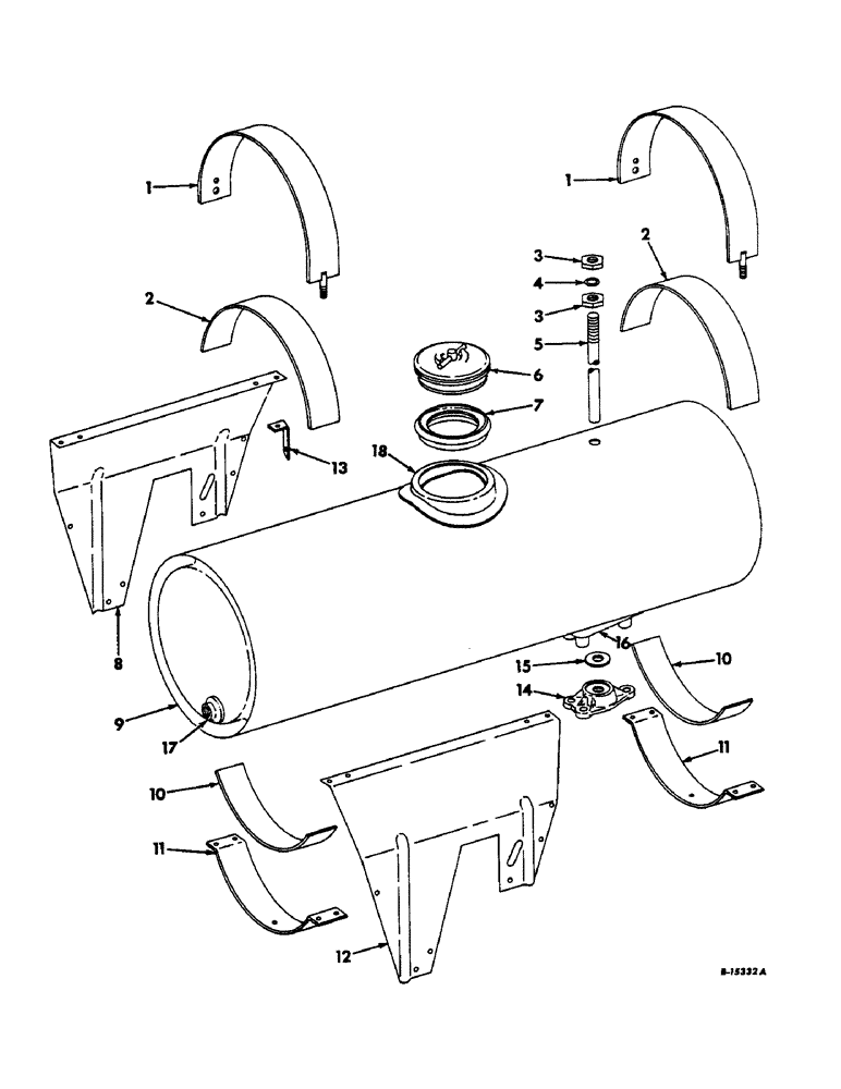
14
15
10
18
6
11
8
10
3
9
11
1
7
4
5
1
17
16
12
13
3
2
FIT
1:1
100%

Артикул

Название

Примечание

Количество

1

479257R92

STRAP ASSY, clamp

2шт.

120377

NUT,3/8" - 16, Gr 5

6шт.

180122

BOLT,Hex, 3/8" - 16 x 1", Gr 5

3/8-16 x 1 C-Z hex-hd cap

2шт.

120382

LOCK WASHER,Helical Spring, 3/8"

WASHER, LOCK, 3/8"

2шт.

2

478846R1

PAD, clamp

2шт.

3

474675R1

NUT, pipe lock

2шт.

4

350684R1

O-RING,0.139" Thk x 0.734" ID, -210, Cl 5, 75 Duro

tank pipe

1шт.

5

474674R1

PIPE, tank

1шт.

6

469918R3

CAP

COVER ASSY, tank

1шт.

7

474677R3

GASKET

tank cover

1шт.

8

475205R31

SUPPORT ASSY, tank LH

1шт.

120377

NUT,3/8" - 16, Gr 5

1шт.

180124

BOLT,Hex, 3/8" - 16 x 1 1/4", Gr 5

SCREW, 3/8-16 x 1-1/4 C-Z

1шт.

120382

LOCK WASHER,Helical Spring, 3/8"

WASHER, LOCK, 3/8"

1шт.

9

479269R91

TANK ASSY, 50 gallon chemical, includes ref nos 16 and 17

1шт.

10

474687R1

PAD, tank

2шт.

11

479271R1

STRAP, tank support

2шт.

120377

NUT,3/8" - 16, Gr 5

4шт.

180122

BOLT,Hex, 3/8" - 16 x 1", Gr 5

3/8-16 x 1 C-Z hex-hd cap

4шт.

619856R1

WASHER

13/32 x 1 x 16 ga C-Z, on right side

2шт.

120382

LOCK WASHER,Helical Spring, 3/8"

WASHER, LOCK, 3/8"

4шт.

12

475206R3

SUPPORT, tank RH

1шт.

120377

NUT,3/8" - 16, Gr 5

1шт.

180124

BOLT,Hex, 3/8" - 16 x 1 1/4", Gr 5

SCREW, 3/8-16 x 1-1/4 C-Z hex-hd cap

1шт.

120382

LOCK WASHER,Helical Spring, 3/8"

WASHER, LOCK, 3/8"

1шт.

13

478488R1

GUIDE, rod

1шт.

120377

NUT,3/8" - 16, Gr 5

1шт.

180124

BOLT,Hex, 3/8" - 16 x 1 1/4", Gr 5

SCREW, 3/8-16 x 1-1/4 C-Z hex-hd cap

1шт.

120382

LOCK WASHER,Helical Spring, 3/8"

WASHER, LOCK, 3/8"

1шт.

14

475203R1

FITTING, tank outlet

1шт.

180081

BOLT,Hex, 5/16"-18 x 1 1/4", G5

5/16-18 x 1-1/4 C-Z hex-hd cap

3шт.

15

474703R1

WASHER, tank outlet fitting

1шт.

16

484740R1

HOUSING, valve, see note

2шт.

484699R1

BOLT, 5/16-18 x 1-3/4 stainless stl hex-hd

6шт.

474700R1

NUT, 5/16-18 stainless stl hex.

6шт.

17

475202R1

FITTING, tank outlet, see note

1шт.

18

481802R1

NECK FILLER

NECK, tank filler, see note

1шт.

Выбрано товаров: 0