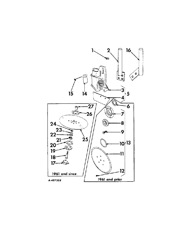
Запчасти Case IH 422 (X-11[A]) - DISK APPLICATOR

Схема запчастей Case IH 422 - (X-11[A]) - DISK APPLICATOR
21
25
5
2
27
23
1
17
6
9
7
10
12
13
16
20
22
11
24
18
15
14
8
26
19
3
4
FIT
1:1
100%

Артикул

Название

Примечание

Количество

1

525470R1

CLIP, tube hold-down

1шт.

445141

NUT

1/4 in. spring

1шт.

SCREW, 1/4 x 5/16 in. slt-hd mach

1шт.

2

525312R91

STANDARD

1шт.

BOLT, 1/2 x 1-1/2 in. crg

2шт.

WASHER, 1/2 in. lock

2шт.

3

625777R1

DISC

BOOT, left

2шт.

3

625778R1

DISC

BOOT, right

2шт.

18708R1

BOLT,Short NK, 1/2"-13 x 1 3/4", G2

1/2 x 1-3/4 C-Z sq-nk crg

4шт.

120378

NUT,Hex, 1/2" - 13, Gr 5

NUT, 1/2"-13, G5

4шт.

120384

WASHER,1/2"

LOCK, (4) 1/2"

4шт.

4

625780R1

BLADE

left runner

2шт.

4

625781R1

BLADE

right runner

2шт.

13969R1

RIVET, 5/16 x 7/8 in. 74 deg. csk-hd

4шт.

5

625799R91

BOOT

W/RUNNER, left

2шт.

5

625800R91

CLUTCH ASSEMBLY

BOOT W/RUNNER, right

2шт.

6

M10

FELT

WASHER, felt

1шт.

7

W4227

HOUSING

HUB, disk

1шт.

RIVET, 1/4 x 3/8 in. rd-hd

5шт.

8

N748

BLOCK, bearing

1шт.

9

625794R1

BOLT W/NUT, 7/16 x 1-3/8 in. sq-hd mach

1шт.

WASHER, 7/16 in. lock

1шт.

10

M2

WASHER

GASKET, disk

1шт.

11

625788R1

DISC

DISK, 11 in. dia.

1шт.

12

109461

LUBE NIPPLE,1/8"-27 x .66 lg

NIPPLE, LUBE, 1/8"-27 x .66 lg

1шт.

13

625796R91

DISC

DISK, assembly

1шт.

14

625789R1

COVER

PLATE, cover

4шт.

15

625792R1

WIRE, cover fastening

4шт.

16

524536R11

STANDARD, disk

1шт.

BOLT W/NUT, 1/2 x 1-1/2 in. crg

2шт.

WASHER, 1/2 in. lock

2шт.

17

464483R1

CYLINDER END CAP

CAP, bearing housing dirt

4шт.

18

464467R1

BOLT,7/16" - 14 x 2 5/8"

opener disk

4шт.

NUT, 7/16 in.

4шт.

WASHER, 7/16 in. lock

4шт.

19

602989R1

FLANGE,1.41" ID x 3.25" OD x 0.63"

HOUSING, disk bearing

4шт.

SCREW, 1/4 x 7/16 in. cp-plted cap

24шт.

WASHER, 1/4 in. cd-pltd lock

24шт.

20

602992R1

GASKET

housing

4шт.

21

465004R91

BEARING ASSY,0.6693" ID x 1.5748" OD x 0.4724"

ball

4шт.

22

602994R1

FLANGE

bearing

4шт.

23

464628R1

SEAL

housing rubber

4шт.

24

602988R1

SPACER

bearing housing

4шт.

25

463955R1

DISC

DISK, opener, 11 in. dia.

4шт.

26

464480R1

WASHER

WASHER, reinforcement

4шт.

27

464468R1

BUSHING

SPACER, opener disk

4шт.

Выбрано товаров: 46