Запчасти Case IH 601 (T-09) - MARKER UNIT, DISK TYPE

Схема запчастей Case IH 601 - (T-09) - MARKER UNIT, DISK TYPE
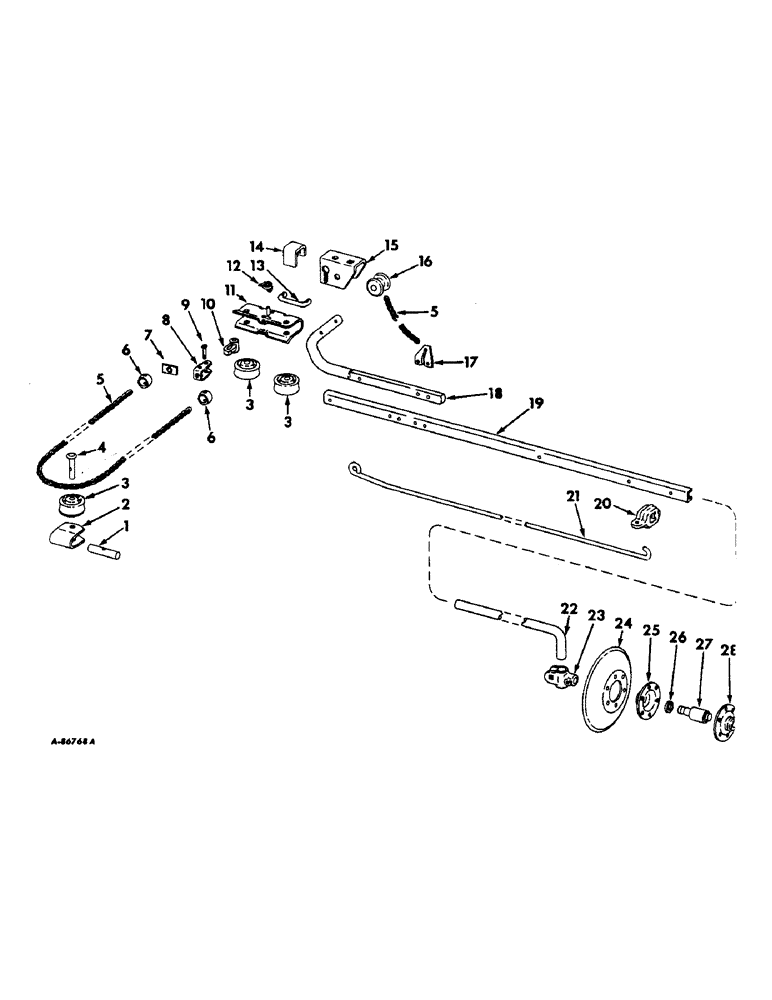
6
5
8
3
5
18
4
3
10
25
9
6
13
1
2
22
12
20
24
17
15
23
26
16
14
11
28
27
7
19
21
3
FIT
1:1
100%

Артикул

Название

Примечание

Количество

1

472375R1

PIN

pivot

1шт.

576517R1

LOCK PIN,1/4" x 1 1/2", Slotted

Pin, 1/4" x 1 1/2", Slotted

1шт.

2

472374R1

BRACKET

PULLEY

1шт.

3

625071R1

PULLEY

SHEAVE, chain roller

3шт.

4

482582R1

PIN, marker sheave

1шт.

21633R1

PIN, 3/16 x 1-1/4 C-Z self-opening cot.

1шт.

5

482583R1

CHAIN, marker

1шт.

6

481925R2

BALL

marker chain button

2шт.

576485R1

LOCK PIN,1/4" x 1 1/4", Slotted

2шт.

7

486997R1

ARM

switcher

1шт.

8

486980R1

YOKE

CLEVIS, holder switching

1шт.

Q3519

HEADED PIN,1/4" x 2 1/2"

PIN, 1/4 x 2-1/2 std-hd

1шт.

13042R1

AXLE PIN,1/8" x 3/4"

Pin, Split (Cotter), , self-opening 1/8" x 3/4"

2шт.

97865H

WASHER

9/32 x 7/8 x 16 ga C-Z

1шт.

9

486981R1

PIN

1/4 x 2-3/32 marker clevis

1шт.

10

481926R1

HOLDER

marker chain

1шт.

V4941/2

PIN

5/16 x 2 std-hd

1шт.

13042R1

AXLE PIN,1/8" x 3/4"

Pin, Split (Cotter), , self-opening 1/8" x 3/4"

1шт.

11

481930R92

CASE

ASSY, idler pulley

1шт.

21805R1

PIN

5/8 x 2-1/8 C-Z std-hd

2шт.

21633R1

PIN, 3/16 x 1-1/4 C-Z self-opening cot.

2шт.

589068R1

WASHER

21/32 x 1-1/4 x 11 ga C-Z

2шт.

12

481929R1

SPRING

snubber

1шт.

13

484447R1

ROD

idler pulley pivot

1шт.

13121R1

Pin, Split (Cotter), 1/4" x 1 1/2", self opening 1/4" x 1 1/2"

2шт.

14

477575R2

CHANNEL

marker chain guide

2шт.

19059R1

PLOW BOLT,#3, 1/2" - 13 x 1 1/4", Gr 2

BOLT, 1/2 x 1-1/4 C-Z no. 3 plow

2шт.

120384

WASHER,1/2"

LOCK, 1/2"

2шт.

120378

NUT,Hex, 1/2" - 13, Gr 5

NUT, 1/2"-13, G5

2шт.

15

472372R1

BRACKET, latch left, 1966

1шт.

15

484280R1

SUPPORT

BRACKET, latch left, 1967 and since

1шт.

15

472373R1

BRACKET, latch right, 1966

1шт.

15

484281R1

BRACKET

latch right, 1967 and since

1шт.

18695R1

CARRIAGE BOLT,Short Sq Nk, 7/16" - 14 x 1 1/4", Gr 2

BOLT, 7/16 x 1-1/4 C-Z sq-nk crg

2шт.

120383

LOCK WASHER,Helical Spring, 7/16"

WASHER, LOCK, 7/16"

2шт.

NLS

NO LONGER SERVICED

NUT, 7/16-14 C-Z hex.

2шт.

16

625036R1

PULLEY

ROLLER, lift chain

2шт.

SA3442

PIN, 1/2 x 2-15/16 std-hd

2шт.

13094R1

Pin, Split (Cotter), 3/16" x 1 1/4", self-opening 3/16" x 1 1/4"

2шт.

17

464003R1

CLIP

chain

2шт.

180083

BOLT,Hex, 5/16" - 18 x 1 1/2", Gr 5

SCREW, 5/16-18 x 1-1/2 C-Z hex-hd cap

6шт.

180078

BOLT,Hex, 5/16" - 18 x 7/8", Gr 5

SCREW, 5/16-18 x 7/8 C-Z hex-hd cap

4шт.

80681

LOCK WASHER,5/16"

WASHER, LOCK, 5/16"

10шт.

120376

NUT,5/16"-18, G5

10шт.

18

478017R1

ROD

SHAFT, marker bar pivot left

1шт.

18

478018R1

SHAFT

marker bar pivot right

1шт.

19

482586R1

CHANNEL, marker

2шт.

19471R1

PIN, SPLIT (COTTER),1/4" x 1 3/4"

4шт.

668752R1

WASHER

29/32 x 1-1/4 x 16 ga C-Z

4шт.

20

624359R31

CLAMP

ASSY

2шт.

623080R1

SCREW, 1/2-13 x 1 C-Z sq-hd cup-pt set

2шт.

21

482587R1

BRACE, fertilizer marker

2шт.

22

478732R1

ROD

marker disk

2шт.

23

478032R1

CLAMP

axle

2шт.

20180R1

CARRIAGE BOLT,Sq Nk, 1/2" - 13 x 2", Gr 2

BOLT, 1/2 x 2 C-Z sq-nk crg

2шт.

120384

WASHER,1/2"

LOCK, 1/2"

2шт.

120378

NUT,Hex, 1/2" - 13, Gr 5

NUT, 1/2"-13, G5

2шт.

128228

SET SCREW,Sq Hd, 3/8"-16 x 3/4"

SCREW, 3/8-16 x 3/4 C-Z sq-hd cup-pt set

2шт.

24

479473R1

DISC

DISK, 11 in. marker

2шт.

180077

BOLT,Hex, 5/16" - 18 x 3/4", Gr 5

SCREW, 5/16-18 x 3/4 C-Z hex-hd cap

12шт.

80681

LOCK WASHER,5/16"

WASHER, LOCK, 5/16"

12шт.

120376

NUT,5/16"-18, G5

12шт.

25

478035R1

BEARING HOUSING,109 mm OD x 19.3 mm

disk brg inner

2шт.

26

480679R1

WASHER

dirt seal

2шт.

27

ST438

BEARING

ASSY, ball

2шт.

28

478036R1

BEARING HOUSING,30.023 mm ID x 69 mm OD x 19.3 mm

disk brg outer

2шт.

Выбрано товаров: 66