Запчасти Case IH 601 (T-14) - FERTILIZER HOPPER AND SUPPORTS

Схема запчастей Case IH 601 - (T-14) - FERTILIZER HOPPER AND SUPPORTS
17
14
9
11
13
3
6
8
6
15
16
16
10
4
17
15
13
15
16
7
10
1
12
17
12
11
2
9
3
5
2
FIT
1:1
100%

Артикул

Название

Примечание

Количество

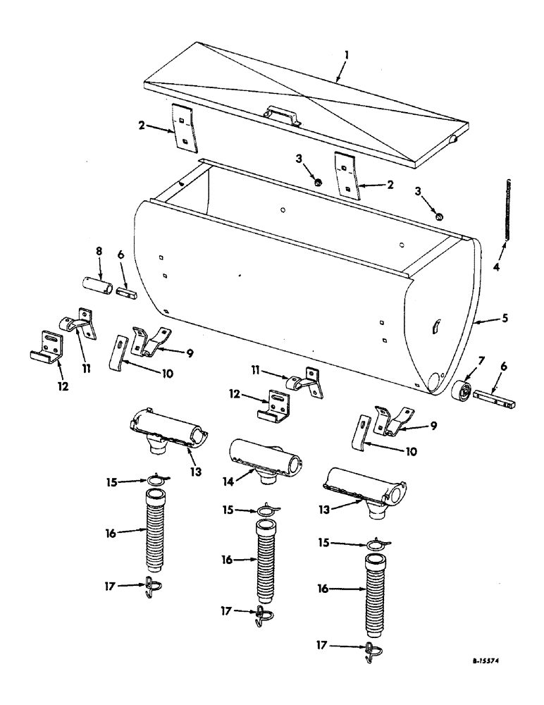
1

472401R11

LID ASSY, hopper

2шт.

12235R1

PIN, 1/8 x 3/8 C-Z cot. 1/8" x 5/8"

4шт.

2

472407R1

REINFORCEMENT, hopper

4шт.

3

432468

BEVEL PINION

PLUG, button hole

4шт.

4

479124R1

VALVE SPRING

SPRING, hopper hold down

4шт.

5

480094R91

HOPPER ASSY

2шт.

6

482597R1

BAR, auger feed

2шт.

961605R1

PIN

5/16 x 3-1/2 slt spring

2шт.

187988

COTTER PIN,3/16" x 1 1/4"

PIN, SPLIT (COTTER), 3/16" x 1 1/4"

16шт.

7

472417R1

BEARING

auger

4шт.

Ref item #7 472417R1 was eliminated on ECN #FEC 94403 in 1974 per service bul. S 2968. The auger shaft was lengthened to take up the as cast bearing space per Allen Jansen. by bb 6/14/96

1шт.

8

482598R1

SPACER, auger

2шт.

520177R1

PIN

quick attachable cot.

2шт.

19471R1

PIN, SPLIT (COTTER),1/4" x 1 3/4"

2шт.

9

482577R1

SUPPORT, hopper lower

4шт.

18707R1

CARRIAGE BOLT,Short Sq Nk, 1/2" - 13 x 1", Gr 2

BOLT, 1/2 x 1 C-Z sq-nk crg

8шт.

120384

WASHER,1/2"

LOCK, 1/2"

8шт.

120378

NUT,Hex, 1/2" - 13, Gr 5

NUT, 1/2"-13, G5

8шт.

10

472410R1

RETAINER, hopper

4шт.

19285R1

BOLT

1/2 x 1-1/4 cd pltd sq-nk crg

4шт.

178373R1

WASHER

17/32 x 1 x 16 ga C-Z

4шт.

120384

WASHER,1/2"

LOCK, 1/2"

4шт.

120378

NUT,Hex, 1/2" - 13, Gr 5

NUT, 1/2"-13, G5

4шт.

11

482579R91

BRACKET ASSY, hinge

4шт.

19285R1

BOLT

1/2 x 1-1/4 cd pltd sq-nk crg

8шт.

120384

WASHER,1/2"

LOCK, 1/2"

8шт.

120378

NUT,Hex, 1/2" - 13, Gr 5

NUT, 1/2"-13, G5

8шт.

Q1179

HEADED PIN,5/16" x 1 1/4"

PIN, 5/16 x 1-1/4 std-hd

4шт.

103384

COTTER PIN,1/8" x 3/4"

Pin, Split (Cotter), 1/8" x 3/4"

4шт.

12

482576R1

SUPPORT, fertilizer hopper

4шт.

19285R1

BOLT

1/2 x 1-1/4 cd pltd sq-nk crg

8шт.

120384

WASHER,1/2"

LOCK, 1/2"

8шт.

120378

NUT,Hex, 1/2" - 13, Gr 5

NUT, 1/2"-13, G5

8шт.

13

472416R2

HOUSING

auger feed

4шт.

12872R1

BOLT,Short NK, 5/16"-18 x 1", G2, Full Thd

CARRIAGE, Short NK, 5/16"-18 x 1", G2, Full Thd

16шт.

134238R1

WASHER

11/32 x 1 x 16 ga C-Z

16шт.

80681

LOCK WASHER,5/16"

WASHER, LOCK, 5/16"

16шт.

120376

NUT,5/16"-18, G5

16шт.

14

480099R1

NO LONGER SERVICED

HOUSING, auger feed center

2шт.

12872R1

BOLT,Short NK, 5/16"-18 x 1", G2, Full Thd

CARRIAGE, Short NK, 5/16"-18 x 1", G2, Full Thd

8шт.

134238R1

WASHER

11/32 x 1 x 16 ga C-Z

8шт.

80681

LOCK WASHER,5/16"

WASHER, LOCK, 5/16"

8шт.

120376

NUT,5/16"-18, G5

8шт.

15

860200R1

HOSE CLAMP,#36, 2 1/4", Spring

CLAMP, hose upper

6шт.

16

482578R1

HOSE

fert.

6шт.

19505R1

BOLT,1/4" - 20 x 1", Class 2

1/4 x 1 cd pltd step

6шт.

19250R1

NUT, 1/4 cd pltd hex.

6шт.

625533R1

WASHER

9/32 x 1 x 18 ga cd pltd

6шт.

17

526269R1

FASTENER

CLIP, hose lower

6шт.

Выбрано товаров: 49