Запчасти Case IH 601 (T-06) - SPRING LOADED ROLLING GUIDE FIN

Схема запчастей Case IH 601 - (T-06) - SPRING LOADED ROLLING GUIDE FIN
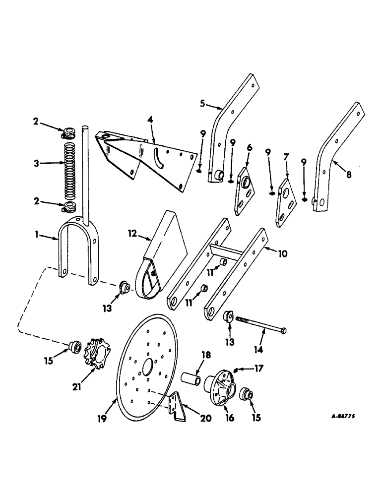
13
8
17
4
2
18
11
9
21
7
9
15
9
16
15
3
5
10
6
1
9
13
2
12
19
20
14
11
FIT
1:1
100%

Артикул

Название

Примечание

Количество

1

463205R91

YOKE ASSY, pressure rod

1шт.

13121R1

Pin, Split (Cotter), 1/4" x 1 1/2", self opening 1/4" x 1 1/2"

1шт.

2

PO2041X

COLLAR

ASSY

2шт.

85-15010

SET SCREW,Sq Hd, 1/2"-13 x 5/8"

SCREW, 1/2 x 5/8 sq-hd cup-pt set

2шт.

3

SA2017

SPRING

pressure

1шт.

4

482553R91

BRACKET ASSY

1шт.

5

482557R91

BRACKET ASSY, left

1шт.

271723

SNAP RING,Hex, 5/8" - 11 x 2", Gr 5

SCREW, 5/8-11 x 2 C-Z hex-hd cap

1шт.

413-1024

BOLT,Hex, 5/8" - 11 x 1-1/2", Gr 5

SCREW, 5/8-11 x 1-1/2 C-Z hex-hd cap

1шт.

NLS

NO LONGER SERVICED

SCREW, 5/8-11 x 1-3/4 C-Z hex-hd cap

1шт.

492-11062

BEARING WASHER,5/8"

WASHER, LOCK, 5/8"

3шт.

280374

NUT,Hex, 5/8" - 11, Gr 5

5/8-11 C-Z hex.

3шт.

6

482563R91

PLATE ASSY, left

1шт.

7

482564R91

PLATE ASSY, right

1шт.

18496R1

BOLT,Hex, 1/2"-13 x 1 1/2", G2

1/2 x 1-1/2 C-Z hex-hd mach

4шт.

120384

WASHER,1/2"

LOCK, 1/2"

4шт.

120378

NUT,Hex, 1/2" - 13, Gr 5

NUT, 1/2"-13, G5

4шт.

178374R1

WASHER

17/32 x 1-1/4 x 16 ga C-Z

4шт.

8

482558R91

BRACKET ASSY, right

1шт.

271723

SNAP RING,Hex, 5/8" - 11 x 2", Gr 5

SCREW, 5/8-11 x 2 C-Z hex-hd cap

1шт.

NLS

NO LONGER SERVICED

SCREW, 5/8-11 x 1-1/2 C-Z hex-hd cap

1шт.

NLS

NO LONGER SERVICED

SCREW, 5/8-11 x 1-3/4 C-Z hex-hd cap

1шт.

492-11062

BEARING WASHER,5/8"

WASHER, LOCK, 5/8"

3шт.

280374

NUT,Hex, 5/8" - 11, Gr 5

5/8-11 C-Z hex.

3шт.

9

66584D

FITTING

3/16 drive-type str lub

4шт.

10

482569R91

RAIL ASSY

1шт.

11

622707R1

BUSHING

2шт.

12

482572R91

SHIELD ASSY

1шт.

18496R1

BOLT,Hex, 1/2"-13 x 1 1/2", G2

1/2 x 1-1/2 C-Z hex-hd mach

2шт.

120384

WASHER,1/2"

LOCK, 1/2"

2шт.

13

522054R2

ECCENTRIC

NUT, eccentric

2шт.

14

20527R1

BOLT

5/8-11 x 8 C-Z hex-hd mach

1шт.

492-11062

BEARING WASHER,5/8"

WASHER, LOCK, 5/8"

1шт.

280374

NUT,Hex, 5/8" - 11, Gr 5

5/8-11 C-Z hex.

1шт.

15

ST503

BALL BEARING,0.629" ID x 47" OD x 0.5512"

BEARING ASSY, ball

2шт.

16

478433R1

HUB

guide fin

1шт.

17

86636814

LUBE NIPPLE,1/4"-28 x .52" lg

FITTING, 1/4-28 NF 2 str lub

1шт.

18

478435R1

SPACER

bearing

1шт.

19

478436R1

DISC

BLADE, guide fin

1шт.

20

523256R2

LUG, driving

8шт.

18764R1

HARDWARE,Hex, 5/16"-18 x 3/4", G2

BOLT, 5/16 x 3/4 C-Z hex-hd mach

16шт.

80681

LOCK WASHER,5/16"

WASHER, LOCK, 5/16"

16шт.

120376

NUT,5/16"-18, G5

16шт.

21

478441R1

SPROCKET, drive

1шт.

634979R1

CARRIAGE BOLT,Sht Sq Nk, 3/8" - 16 x 1 1/2"

BOLT, 3/8 x 1-1/2 sq-nk crg

4шт.

20803R1

WASHER

13/32 x 1 x 11 ga C-Z

4шт.

120382

LOCK WASHER,Helical Spring, 3/8"

WASHER, LOCK, 3/8"

4шт.

120377

NUT,3/8" - 16, Gr 5

4шт.

Выбрано товаров: 48