Запчасти Case IH 623 (AJ-03) - HOPPER MOUNTING AND DRIVE

Схема запчастей Case IH 623 - (AJ-03) - HOPPER MOUNTING AND DRIVE
3
9
11
19
10
19
12
19
13
4
2
17
19
8
17
16
7
15
3
10
18
4
14
6
9
1
5
9
18
FIT
1:1
100%

Артикул

Название

Примечание

Количество

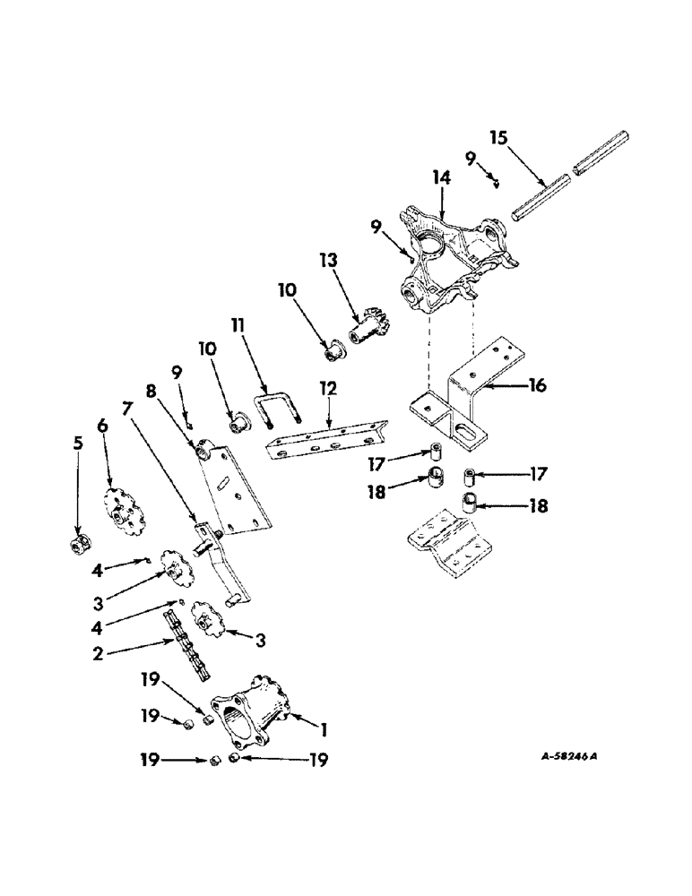
1

527073R1

SPROCKET, drive, 10-T

2шт.

2

CHAIN, drive, use 49 links of 1-1/4 extended pitch transmission roller chain from a 10 ft roll marked 569089R91 and 1 connecting link 456980R91

2шт.

3

527070R1

SPROCKET ASSY.

SPROCKET, idler, 8-T

4шт.

4

125617

LUBE NIPPLE,3/16" x .61 lg, Drive

FITTING, 3/16 drive type lub., in idler sprocket

4шт.

5

1431BX

COLLAR CLAMP

COLLAR ASSY, set

4шт.

85-15010

SET SCREW,Sq Hd, 1/2"-13 x 5/8"

SCREW, 1/2 x 5/8 cup-pt sq-hd set

4шт.

6

527069R11

SPROCKET ASSY, 10-T

2шт.

102894

SET SCREW

3/8 x 3/4 cup-pt sq-hd set

2шт.

7

480001R91

ARM ASSY, idler, replaces 527071R11

2шт.

86508749

CARRIAGE BOLT,Short Square Neck, 3/8" - 16 x 1 1/4", Grade 5

BOLT, 3/8 x 1-1/4 crg

2шт.

102635

NUT,3/8"-16, G5

2шт.

102639

NUT,5/8"-11, G5

2шт.

13068R1

PIN,3/16" x 1"

Split (Cotter), 3/16" x 1"

4шт.

Q1505

WASHER

13/32 x 1 x 16 ga

2шт.

80680

LOCK WASHER,3/8 0.381 CST ZND

WASHER, LOCK, 3/8"

2шт.

103325

LOCK WASHER,5/8"

WASHER, LOCK, 5/8"

2шт.

8

527068R21

PLATE ASSY, bearing support

2шт.

17446R1

BOLT,3/8" - 16 x 1 1/4", Gr 2

1-1/4 x 1 hex-hd mach

4шт.

102635

NUT,3/8"-16, G5

4шт.

103321

LOCK WASHER,3/8"

WASHER, LOCK, 3/8"

4шт.

Q1505

WASHER

13/32 x 1 x 16 ga

8шт.

9

80711

LUBE NIPPLE,65 Degree, 1/8" NPT x 7/8" lg

FITTING, 1/8-67-1/2 deg. elbow lubrication, four-row 6 used, six- row 8 used

1шт.

10

625569R1

HUB CAP

BEARING, feed shaft, four-row 6 used, six-row 8 used

1шт.

11

478241R1

U-BOLT, support angle

2шт.

102635

NUT,3/8"-16, G5

4шт.

103321

LOCK WASHER,3/8"

WASHER, LOCK, 3/8"

4шт.

12

527066R2

ANGLE, support

2шт.

13

526473R1

GEAR

PINION, drive, 13-T, four-row 4 used, six-row 6 used

1шт.

14

526470R2

BRACKET, hopper, four-row

4шт.

17448R1

BOLT (SPREADER)

BOLT, 1/2 x 1-1/4 sq-nk crg

8шт.

102637

NUT,1/2"-13, G5

8шт.

103323

LOCK WASHER,1/2"

WASHER, LOCK, 1/2"

8шт.

14

526470R2

BRACKET, hopper, six-row

6шт.

17448R1

BOLT (SPREADER)

BOLT, 1/2 x 1-1/4 sq-nk crg

12шт.

102637

NUT,1/2"-13, G5

12шт.

103323

LOCK WASHER,1/2"

WASHER, LOCK, 1/2"

12шт.

15

527074R1

SHAFT, feed, four-row

2шт.

15

527075R1

SHAFT, feed, six-row

2шт.

16

524958R92

SUPPORT ASSY, hopper bracket, four-row

4шт.

17603R1

BOLT,Hex, 1/2" - 13 x 2 3/4", Gr 2

1/2 x 2-3/4 hex-hd mach

8шт.

102637

NUT,1/2"-13, G5

8шт.

103323

LOCK WASHER,1/2"

WASHER, LOCK, 1/2"

8шт.

21585D

WASHER

17/32 x 1-3/4 x 3/16

8шт.

425-1414

JAM NUT,Jam, 7/8"-9, G5

Note A Jam, 7/8"-9, G5

8шт.

PO12898

WASHER

29/32 x 1-1/2 x 11 ga, note A

8шт.

16

524958R92

SUPPORT ASSY, hopper bracket, six-row

6шт.

17603R1

BOLT,Hex, 1/2" - 13 x 2 3/4", Gr 2

1/2 x 2-3/4 hex-hd mach

12шт.

102637

NUT,1/2"-13, G5

12шт.

103323

LOCK WASHER,1/2"

WASHER, LOCK, 1/2"

12шт.

21585D

WASHER

17/32 x 1-3/4 x 3/16

12шт.

17

PO19261

BUSHING, hopper support spacer, four-row 8 used, six-row 12 used

1шт.

18

519585R1

SPACER, hopper support, four-row 8 used, six-row 12 used

1шт.

19

622707R1

BUSHING, drive sprocket spacer

8шт.

25-118

NUT,1/2"-20, G5

1/2-20 hex

8шт.

527083R2

SCREW, 1/2-20 x 3 special hex-hd cap, Serial Range: sprocket-hub

8шт.

PO10535

WASHER

17/32 x 1-1/4 x 11 ga

8шт.

Выбрано товаров: 56