Запчасти Case IH DRY (A-054) - DRY FERTILIZERS, DRIVE UNIT

Схема запчастей Case IH DRY - (A-054) - DRY FERTILIZERS, DRIVE UNIT
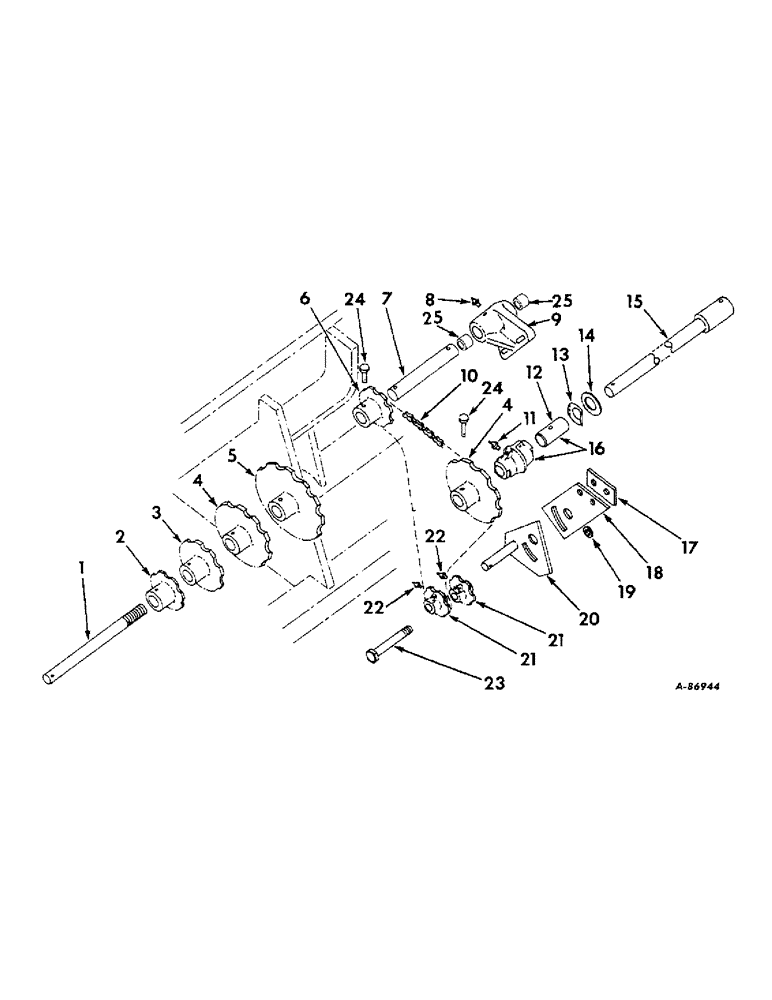
16
25
21
19
24
22
14
12
2
25
4
22
7
17
21
24
5
8
11
23
10
20
18
6
15
9
1
13
3
4
FIT
1:1
100%

Артикул

Название

Примечание

Количество

1

484376R1

PIN, sprocket storage

2шт.

280374

NUT,Hex, 5/8" - 11, Gr 5

5/8-11 C-Z hex

4шт.

21821R1

PIN, 1/8 x 1-1/2 C-Z self-opening cot.

2шт.

2

481940R1

SPROCKET, fertilizer, 8T

2шт.

3

481942R1

SPROCKET ASSY.

SPROCKET, fertilizer, 12T

2шт.

4

481943R1

SPROCKET ASSY.

SPROCKET, fertilizer, 15T

4шт.

5

481944R1

SPROCKET ASSY.

SPROCKET, fertilizer, 18T

2шт.

358235R1

WASHER, sprocket spacer

2шт.

6

481941R1

SPROCKET, fertilizer, 9T

2шт.

7

484397R1

SHAFT, stub

2шт.

21632R1

COTTER PIN

PIN, 3/16 x 1 C-Z self-opening cot

2шт.

21982R1

PIN, 3/16 x 1-1/2 C-Z self-opening cot

2шт.

8

86636814

LUBE NIPPLE,1/4"-28 x .52" lg

FITTING, 1/4-28 NF2 str lub

2шт.

9

484393R12

BRACKET

BEARING ASSY, countershaft

2шт.

180126

BOLT,Hex, 3/8" - 16 x 1 1/2", Gr 5

SCREW, 3/8-16 x 1-1/2 C-Z hex-hd cap

4шт.

120377

NUT,3/8" - 16, Gr 5

4шт.

120382

LOCK WASHER,Helical Spring, 3/8"

WASHER, LOCK, 3/8"

4шт.

619856R1

WASHER

13/32 x 1 x 16 ga C-Z

4шт.

21761R1

WASHER

29/32 x 1-1/2 x 16 ga C-Z

4шт.

10

CHAIN, fertilizer drive, use 43 links of 1 in. extended pitch agricultural roller chain from a 10 ft roll marked, 569088R91, one, connecting link, 457113R91 and one offset link, 457114R91

2шт.

11

66584D

FITTING

3/16 str drive type lub

2шт.

12

484060R1

BUSHING

bronzed back

2шт.

13

481810R1

WASHER

keyed

2шт.

14

589937R1

WASHER

wear

4шт.

15

484398R11

ROD ASSY, RH, 80-9/16 in. long

1шт.

15

484400R11

ROD ASSY, LH, 70-43/64 in. long

1шт.

23668R1

CLEVIS PIN,3/16" x 1 3/4"

PIN, CLEVIS, , Rod end 3/16" x 1 3/4"

2шт.

112726

COTTER PIN,1/16" x 1/2"

PIN, SPLIT (COTTER), 1/16" x 1/2"

2шт.

16

481812R11

BEARING ASSY

ASSY W/BUSHING, drive rod

2шт.

17

484392R1

BAR, chain tightener spacer

2шт.

18780R1

BOLT,Hex, 3/8"-16 x 1 3/4", G2

3/8-16 x 1-3/4 hex-hd mach

4шт.

120377

NUT,3/8" - 16, Gr 5

4шт.

120382

LOCK WASHER,Helical Spring, 3/8"

WASHER, LOCK, 3/8"

4шт.

18

484391R1

PLATE, chain tightener bracket

2шт.

19

622567R1

WASHER

BUSHING, chain tightener

2шт.

20

484411R91

BRACKET ASSY, chain tightener strap right

1шт.

20

484894R91

BRACKET

ASSY, chain tightener strap left

1шт.

18684R1

BOLT,Sht Sq Nk, 3/8" - 16 x 1 1/4", Gr 2

3/8-16 x 1-1/4 C-Z sq-nk crg

2шт.

120377

NUT,3/8" - 16, Gr 5

2шт.

120382

LOCK WASHER,Helical Spring, 3/8"

WASHER, LOCK, 3/8"

2шт.

469668R1

WASHER

13/32 x 3/4 x 16 ga C-Z

2шт.

21632R1

COTTER PIN

PIN, 3/16 x 1 C-Z self-opening cot

2шт.

21

472344R2

DRIVE SPROCKET

SPROCKET, chain tightener idler, 6T

4шт.

22

80722

LUBE NIPPLE,3/16" x .55" lg, Drive

FITTING, 3/16 str drive type lub, used only w/gray iron sprocket, 472344R1

4шт.

23

180190

LOCK SCREW,Hex, 1/2" - 13 x 3", Gr 5

SCREW, 1/2-13 x 3 C-Z hex-hd cap

2шт.

120238

JAM NUT,Jam, 1/2"-13, G5

1/2-13 C-Z hex jam

4шт.

178374R1

WASHER

17/32 x 1 x 16 ga C-Z

2шт.

24

21242R1

HEADED PIN

PIN, 1/4 x 1-3/4 C-Z std-hd

4шт.

585614R1

PIN

quick attachable cotter

4шт.

25

378699R1

BUSHING,22.25mm ID x 25.43mm OD x 22.35mm L

countershaft bearing

4шт.

Выбрано товаров: 50