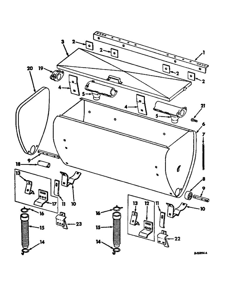
Запчасти Case IH DRY (A-076) - DRY FERTILIZERS, METAL HOPPER, HOSES AND SUPPORTS

Схема запчастей Case IH DRY - (A-076) - DRY FERTILIZERS, METAL HOPPER, HOSES AND SUPPORTS
2
17
6
3
15
15
23
11
9
16
14
18
2
19
4
20
11
16
5
7
4
10
13
21
9
2
5
2
10
22
14
12
8
13
1
FIT
1:1
100%

Артикул

Название

Примечание

Количество

1

472428R2

ANGLE, lift rod bracket

1шт.

17140R1

CARRIAGE BOLT,Short Nk, 1/2" - 13 x 1 1/4", Gr 2, Full Thd

BOLT, 1/2-13 x 1-1/4 C-Z sq-nk crg

4шт.

120378

NUT,Hex, 1/2" - 13, Gr 5

NUT, 1/2"-13, G5

4шт.

120384

WASHER,1/2"

LOCK, 1/2"

4шт.

2

472429R1

BAR

PAD, hopper

2шт.

3

472401R11

LID ASSEMBLY, hopper

1шт.

12235R1

PIN, 1/8 x 3/8 C-Z cot 1/8" x 5/8"

2шт.

4

472407R1

REINFORCEMENT, hopper

2шт.

5

472416R2

HOUSING

auger feed

2шт.

12872R1

BOLT,Short NK, 5/16"-18 x 1", G2, Full Thd

CARRIAGE, Short NK, 5/16"-18 x 1", G2, Full Thd

8шт.

120376

NUT,5/16"-18, G5

8шт.

80681

LOCK WASHER,5/16"

WASHER, LOCK, 5/16"

8шт.

134238R1

WASHER

11/32 x 1 x 16 ga C-Z

8шт.

6

479179R93

HOPPER

ASSY

1шт.

7

479124R1

VALVE SPRING

SPRING, hopper hold down

2шт.

8

472417R1

BEARING

auger

2шт.

9

487632R2

BAR

auger feed

1шт.

187988

COTTER PIN,3/16" x 1 1/4"

PIN, SPLIT (COTTER), 3/16" x 1 1/4"

6шт.

21650R1

LOCK PIN,5/16" x 2 1/2", Slotted

Pin, 5/16" x 2 1/2", Slotted

1шт.

10

472409R1

BOLSTER

SUPPORT, hopper lower

2шт.

18707R1

CARRIAGE BOLT,Short Sq Nk, 1/2" - 13 x 1", Gr 2

BOLT, 1/2-13 x 1 C- sq-nk crg

4шт.

120378

NUT,Hex, 1/2" - 13, Gr 5

NUT, 1/2"-13, G5

4шт.

120384

WASHER,1/2"

LOCK, 1/2"

4шт.

11

472410R1

RETAINER, tank

2шт.

17140R1

CARRIAGE BOLT,Short Nk, 1/2" - 13 x 1 1/4", Gr 2, Full Thd

BOLT, 1/2-13 x 1-1/4 C-Z sq-nk crg

2шт.

120378

NUT,Hex, 1/2" - 13, Gr 5

NUT, 1/2"-13, G5

2шт.

120384

WASHER,1/2"

LOCK, 1/2"

2шт.

178373R1

WASHER

17/32 x 1 x 16 ga C-Z

2шт.

12

472405R1

HINGE, hopper frame outer, Serial Range: 1966-1968

1шт.

17140R1

CARRIAGE BOLT,Short Nk, 1/2" - 13 x 1 1/4", Gr 2, Full Thd

BOLT, 1/2-13 x 1-1/4 C-Z sq-nk crg

2шт.

120378

NUT,Hex, 1/2" - 13, Gr 5

NUT, 1/2"-13, G5

2шт.

120384

WASHER,1/2"

LOCK, 1/2"

2шт.

178373R1

WASHER

17/32 x 1 x 16 ga C-Z

2шт.

13

472406R1

BRACKET, hinge, Serial Range: 1966-1968

2шт.

17452R1

BOLT,Hex, 1/2"-13 x 1 1/4", G2

1/2-13 x 1-1/4 C-Z hex-hd mach

4шт.

120378

NUT,Hex, 1/2" - 13, Gr 5

NUT, 1/2"-13, G5

4шт.

21628R1

PIN

1/8 x 3/4 C-Z self opening cot

2шт.

W6571

PIN, 3/8 x 1-11/16 std-hd

2шт.

120384

WASHER,1/2"

LOCK, 1/2"

4шт.

14

626441R1

CLIP

hose lower, double disk opener

2шт.

610784R1

SPLIT PIN/SAFETY PIN,2.4mm OD x 60.345mm OAL

PIN, quick attachable cotter

2шт.

14

481967R1

CLIP

hose lower, runner opener

2шт.

19428R1

BOLT, 5/16 x 5/8 C-Z sq-nk crg

2шт.

120376

NUT,5/16"-18, G5

2шт.

80681

LOCK WASHER,5/16"

WASHER, LOCK, 5/16"

2шт.

619855R1

WASHER

11/32 x 3/4 x 16 ga C-Z

2шт.

15

492853R91

SET

PACKAGE, fertilizer hose, 30 corrugations, double disk, consists of (1) clamp 860200R1, (1) clip 626441R1, (1) hose 472426R2 (NSS), (1) pin 610784R1

2шт.

15

492852R91

TUBE

PACKAGE, fertilizer hose, 43 corrugations, runner opener, consists of (1) bolt 19428R1, (1) clamp 860200R1, (1) clip 481967R1, (1) hose 482578R1 (NSS), (1) nut 120376, (1) washer 120214, (1) washer 619855R1

1шт.

16

860200R1

HOSE CLAMP,#36, 2 1/4", Spring

CLAMP, hose upper

2шт.

17

472404R1

HINGE, hopper frame inner, Serial Range: 1966-1968

1шт.

17140R1

CARRIAGE BOLT,Short Nk, 1/2" - 13 x 1 1/4", Gr 2, Full Thd

BOLT, 1/2-13 x 1-1/4 C-Z sq-nk crg

2шт.

120378

NUT,Hex, 1/2" - 13, Gr 5

NUT, 1/2"-13, G5

2шт.

120384

WASHER,1/2"

LOCK, 1/2"

2шт.

18

472414R1

COUPLING

auger long

1шт.

18

472415R1

SPACER

COUPLING, auger short

1шт.

For narrow row dry fertilizer attachment.

1шт.

89375H

CLEVIS PIN

PIN, 1/4 x 1-19/32 rod end

1шт.

112726

COTTER PIN,1/16" x 1/2"

PIN, SPLIT (COTTER), 1/16" x 1/2"

1шт.

520177R1

PIN

quick attachable cotter

1шт.

19

480968R1

SPACER

auger housing

1шт.

For narrow row dry fertilizer attachment.

1шт.

18674R1

BOLT,Short NK, 5/16"-18 x 1 1/2", G2

5/16-18 x 1-1/2 C-Z sq-nk crg

2шт.

120376

NUT,5/16"-18, G5

2шт.

80681

LOCK WASHER,5/16"

WASHER, LOCK, 5/16"

2шт.

134238R1

WASHER

11/32 x 1 x 16 ga C-Z

2шт.

20

472400R2

DIVIDER, fertilizer hopper center, as divider into hopper assy, 479179R93

1шт.

21

(Not used in this application)

1шт.

22

489789R2

BRACKET

ASSY, fertilizer outer, 1969 and since

1шт.

17140R1

CARRIAGE BOLT,Short Nk, 1/2" - 13 x 1 1/4", Gr 2, Full Thd

BOLT, 1/2-13 x 1-1/4 C-Z sq-nk crg

2шт.

120378

NUT,Hex, 1/2" - 13, Gr 5

NUT, 1/2"-13, G5

2шт.

120384

WASHER,1/2"

LOCK, 1/2"

2шт.

178373R1

WASHER

17/32 x 1 x 16 ga C-Z

2шт.

23

489791R2

BRACKET ASSY, fertilizer inner, 1969 and since

1шт.

17140R1

CARRIAGE BOLT,Short Nk, 1/2" - 13 x 1 1/4", Gr 2, Full Thd

BOLT, 1/2-13 x 1-1/4 C-Z sq-nk crg

6шт.

120378

NUT,Hex, 1/2" - 13, Gr 5

NUT, 1/2"-13, G5

6шт.

120384

WASHER,1/2"

LOCK, 1/2"

6шт.

Выбрано товаров: 76