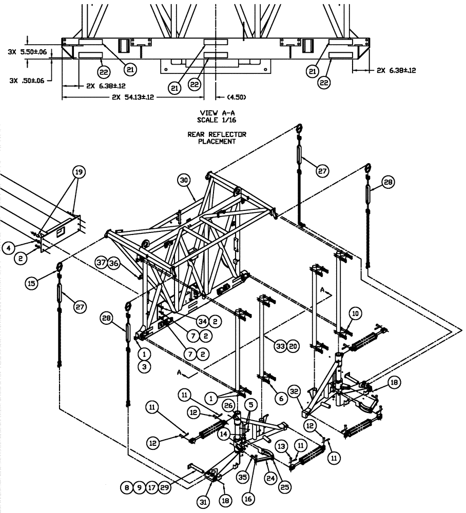
Запчасти Case IH 610 (03-041) - MAST GROUP, "SERIAL # 6700 AND LATER" (09) - BOOMS

Схема запчастей Case IH 610 - (03-041) - MAST GROUP, "SERIAL # 6700 AND LATER" (09) - BOOMS
31
28
11
22
12
21
28
12
34
18
1
26
21
2
36
33
35
10
3
29
7
9
37
27
18
19
2
12
22
15
17
2
24
20
11
2
27
16
11
25
32
7
8
30
6
21
22
4
5
13
1
11
FIT
1:1
100%

Артикул

Название

Примечание

Количество

1

87310607

WASHER,17.5mm ID x 34mm OD x 5mm Thk

17.5 x 34 x 5 MM HDN DOR

96шт.

2

87310608

WASHER,22mm ID x 44mm OD x 5mm Thk

22 x 44 x 5 mm, HDN, DOR

12шт.

3

832-44616

LOCK NUT

M16-2, TLN, CL10 DOR

32шт.

4

86980518

NUT,Hex, M20 - 2.5, Cl 8.8, DOR

6шт.

5

BN1630446

COTTER PIN

3/16" x 1 1/2"

4шт.

6

86980446

BOLT,Hex, M16 x 70mm, Cl 8.8

M16-2 X 70, HH, 8.8, DL

32шт.

7

87342141

BOLT,Hex, M20 x 65mm, Cl 8.8

Hex, M20 x 65, Full Thd CL8.8 DOR

4шт.

8

86981496

WASHER,13.3mm ID x 24.5mm OD x 3mm Thk

4шт.

9

86980424

BOLT,Hex, M12 x 1.75 x 45, Cl 8.8, DOR

4шт.

10

87619340

STRIP

rod capture

8шт.

11

BN2297612

PIN

Clip 3/16" Dia x 3 3/4"

8шт.

12

87735776

PIN,25.4mm OD x 111.5mm L

1" x 3.6" fl, heat treated

6шт.

13

BN318115

PIN

WLDMT, CYL & STABILIZER

2шт.

14

87529124

WASHER,1.06" ID x 2.5" OD x 0.17" Thk

1.062 x 2.50 x .165 CST, DOR

4шт.

15

BN2391225

CONNECTING LINK

A-337

4шт.

16

86632567

HEADED PIN,30.14mm OD x 66.55mm L

2шт.

17

832-44612

FLANGE NUT,M12 x 1.75, Flg, Cl 10

4шт.

18

BN2651853

LUBE NIPPLE

1/4" NPT 67D 1629B

2шт.

19

86986163

SPACER

REAR MOUNT, FLEX

2шт.

20

BN55015

NIPPLE, LUBE

NIPPLE LITHIUM, 12-GRADE #2

2.2шт.

21

311865A1

REFLECTOR

fluorescent orange

3шт.

22

311863A1

REFLECTOR

Retroreflective Red

3шт.

24

BN319221

LINKAGE

BOOM CYLINDER

2шт.

25

BN8090016

LINKAGE

boom cylinder

2шт.

26

BN8090017

PIN

BOOM LINKAGE

2шт.

27

BN8191171A

CHAIN

ASSY, (FRONT) MAST

2шт.

28

BN8191173A

CHAIN

ASSY, (REAR) MAST P

2шт.

29

BN8191766

PIN

WLDMT, PIN 2" GREASABLE

2шт.

30

84158191

MAST ASSEMBLY

Titan, Liquid, Start Year: 01-OCT-08

1шт.

30a

87270279

MAST ASSEMBLY

Titan, Liquid, Years: -01-OCT-08

1шт.

Indicates Old Part Number or Can Order Newer Part Number Listed above

1шт.

30b

84258916

KIT

Mast Weldment Update, Shown On Fig 03-042

1шт.

Upgrades The Old Mast Weldment 87270279 To The Current Mast Weldment 84158191.

1шт.

31

87270299

MOUNTING PLATE

PIVOT/CYL., L.H., Start Serial: 6700

1шт.

31a

87268256

PIVOT

Cylinder Mount, LH

1шт.

Indicates Old Part Number or Can Order Newer Part Number Listed above

1шт.

32

87270300

MOUNTING PLATE

PIVOT / CYL, R.H., Start Serial: 6700

1шт.

32a

87268257

MOUNTING PLATE

Pivot/Cylinder, RH

1шт.

Indicates Old Part Number or Can Order Newer Part Number Listed above

1шт.

33

87267513

PIN,2.94mm OD x 73.81mm L

CENTER MAST

4шт.

34

86980463

BOLT,Hex, M20 x 120mm, Cl 8.8

M20-2.5 x 120, HH, 8.8, DL

2шт.

35

432-1632

COTTER PIN,1/4" x 2"

2шт.

36

87342847

BOLT

Hex, 5/8"-11 x 1 3/4", G5

1шт.

37

87310322

NUT

Hex, 5/8-11, GB, DOR

1шт.

Выбрано товаров: 44