Качественные детали и логистика
Оригинальные и аналоговые запчасти с доставкой по России, Казахстану и Беларуси
©2022 PartSell ООО "Система" ИНН 2463123282 ОГРН 1212400004838
Центральный офис: г. Красноярск, Академика Киренского, д.87, пом.4
Телефон: 8 (800) 777-65-74 Email: zakaz@partsell.ru
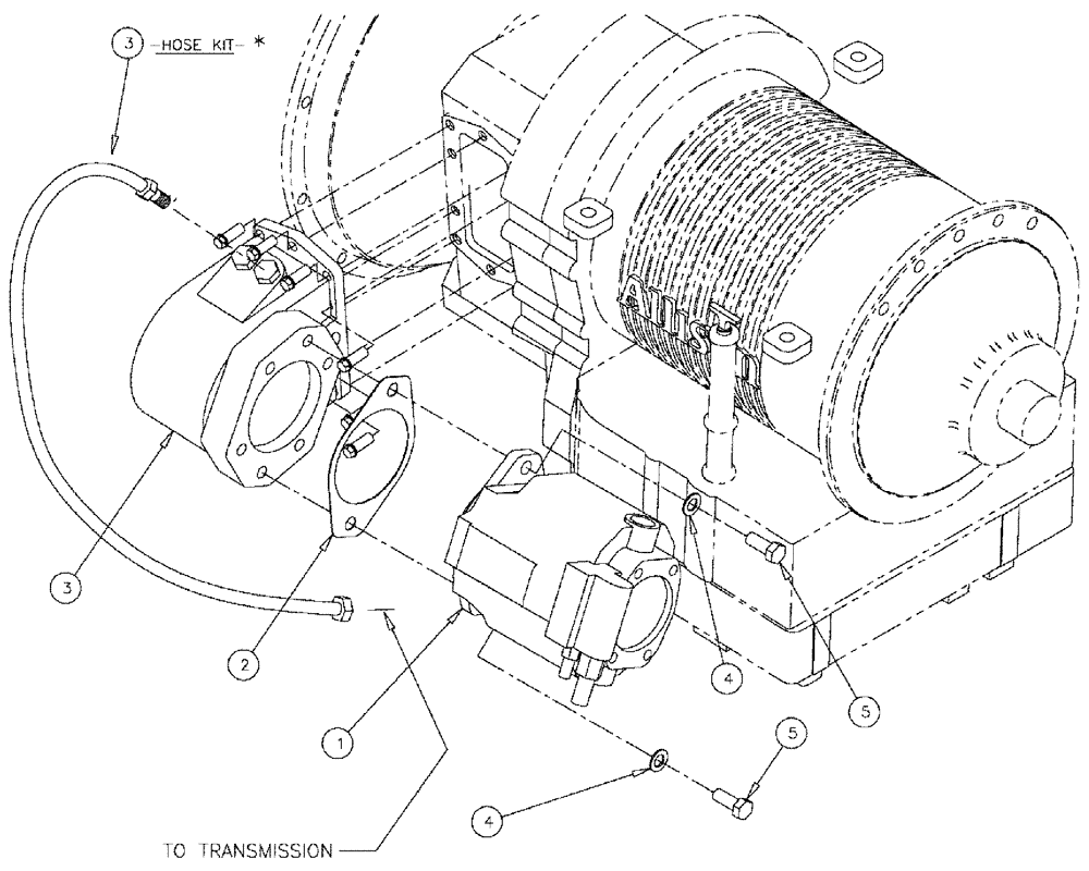
(04-004) - PUMP/PTO GROUP
№
Артикул
Название
Примечание
Количество
1
BN315119
HYDRAULIC PUMP,38 CC
2.32 CIR, LS PSTN, RHR
1шт.
2
J931608
GASKET
2 bolt SAE B pad
3
BN319367
PTO
ALI, LH1.15, BB, SP
4
87510600
0.5625 X 1.75 X 0.1, CST, DOR
2шт.
5
BN306620
BOLT
1/2-13 X 1.25, HH, G8
Выбрано товаров: 0