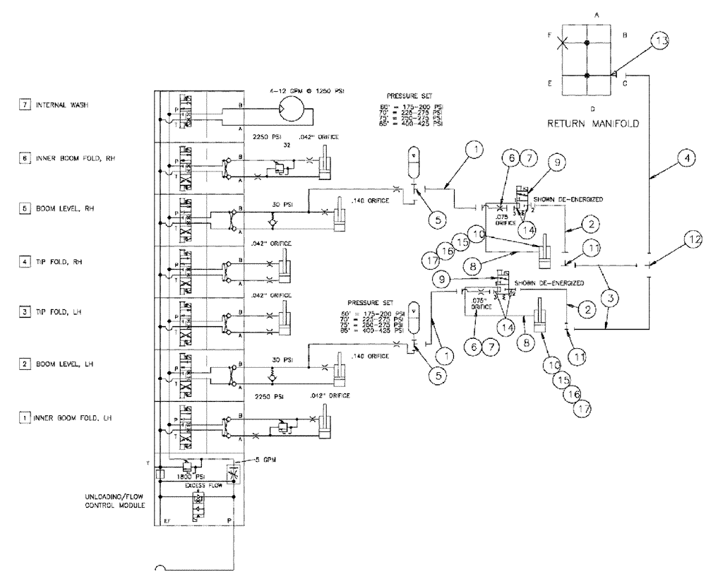
Запчасти Case IH 610 (04-010) - COMPS HYDRAULIC STABILIZER Hydraulic Plumbing

Схема запчастей Case IH 610 - (04-010) - COMPS HYDRAULIC STABILIZER Hydraulic Plumbing
8
11
11
7
17
12
1
10
17
7
3
5
2
9
8
13
1
4
16
9
5
2
10
8
15
14
6
14
16
15
FIT
1:1
100%

Артикул

Название

Примечание

Количество

1

BN313336

HOSE

6 X 30

2шт.

2

BN307823

HOSE ASSY.

2шт.

3

BN307804

HOSE ASSY.

2шт.

4

87265839

HOSE

6 X 215

1шт.

5

BN302435

TEE

11/16 -16 ORFS x 11/16 -16 ORFS Swivel

2шт.

6

BN305412

O-RING

FOR -6 FFOR

2шт.

7

87265840

ORIFICE

.075 - 6 Disc

2шт.

8

BN313038

FITTING

6MB-6MB

2шт.

9

87271739

VALVE SECTION

Brake, With Deutsch

2шт.

10

87266460

CYLINDER,Double Acting, 34.92mm Rod, 549.4mm Stroke

Hydraulic, 2.5 x 21.62 x 1.375

2шт.

87266460R

REMAN-HYD CYLINDER

610 - LIQUID SYSTEM APPLICATOR (9/99-12/11)

2шт.

87266460C

CORE-HYD CYLINDER

Return Number

1шт.

11

BN302583

FITTING

6MOR-6MOR-6MBX

2шт.

12

BN302512

FITTING

6MOR-6MOR-6MOR

1шт.

13

BN302647

FITTING

6MOR-8MB

1шт.

14

BN302646

FITTING

11/16-16 ORFS x 9/16-18 ORB

4шт.

15

439-11264

HEADED PIN,3/4" x 4"

4шт.

16

87041

COTTER PIN,1/4" x 1 3/4"

4шт.

17

87265832

WASHER

1" NYLON MDS

8шт.

Выбрано товаров: 19