Запчасти Case IH 610 (05-029) - VALVE, ELECTRIC BALL Liquid Plumbing

Схема запчастей Case IH 610 - (05-029) - VALVE, ELECTRIC BALL Liquid Plumbing
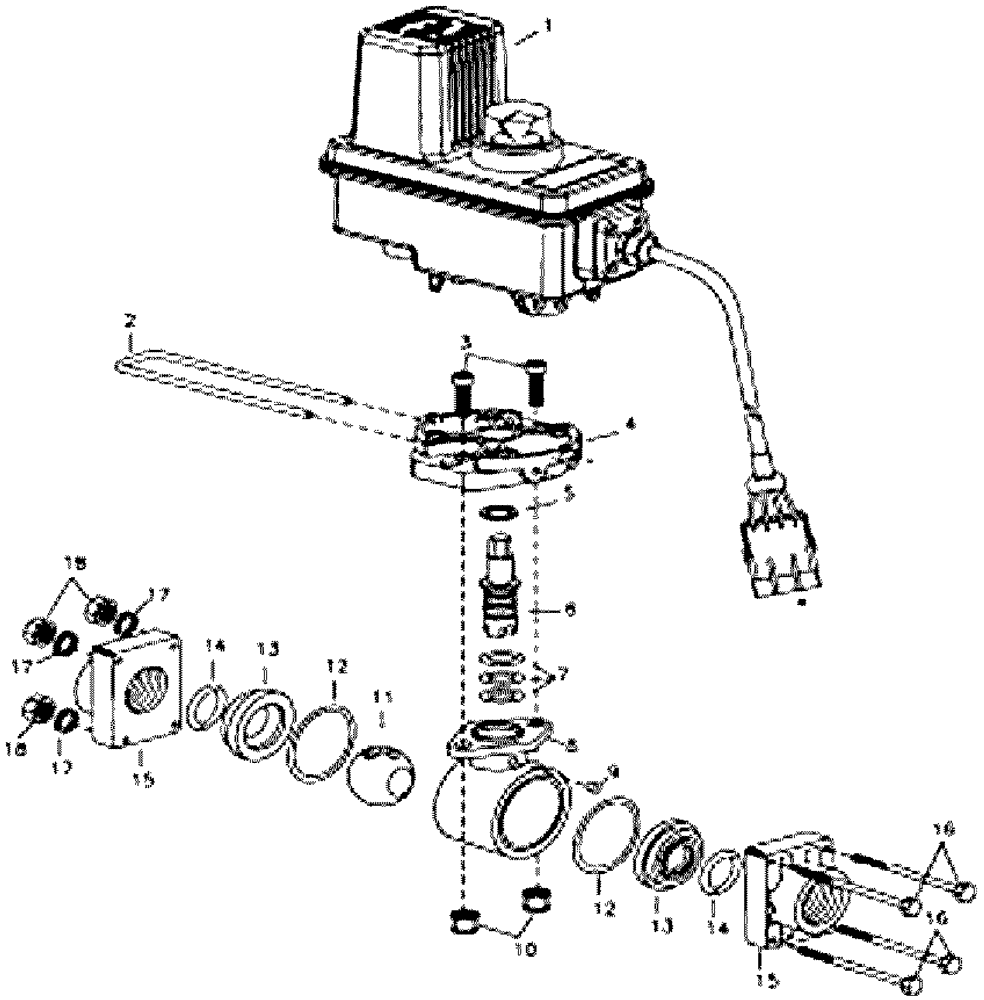
12
2
15
17
16
18
11
12
4
18
3
13
9
13
10
13
8
1
17
12
6
14
10
14
7
FIT
1:1
100%

Артикул

Название

Примечание

Количество

0

87389559

VALVE

Electric, 1" Ball

1шт.

1

87500052

VALVE

body Spraying Systems 50515-22CP05

1шт.

2

87500054

CLIP

valve body Spraying Systems 50517-SSPV

1шт.

4

87500053

PLATE

valve adapter

1шт.

6

87500140

VALVE STEM

stainless

1шт.

8

87577838

TEE

fit poly 2" flange manifold

1шт.

11

87422332

BALL

poly valve

1шт.

16

BN67050

BOLT,1/4"-20 X 3.00", Stainless Steel

4шт.

100

87422324

SERVICE KIT

344-AEC Ball Valve

1шт.

Service Parts for 87389559

1шт.

101

87500141

REPAIR KIT

electric ball valve

1шт.

Service Parts for 87389559

1шт.

Выбрано товаров: 12