Запчасти Case IH 610 (02-002) - HYDRAULIC CYLINDER GROUP, 70 Cylinders

Схема запчастей Case IH 610 - (02-002) - HYDRAULIC CYLINDER GROUP, 70 Cylinders
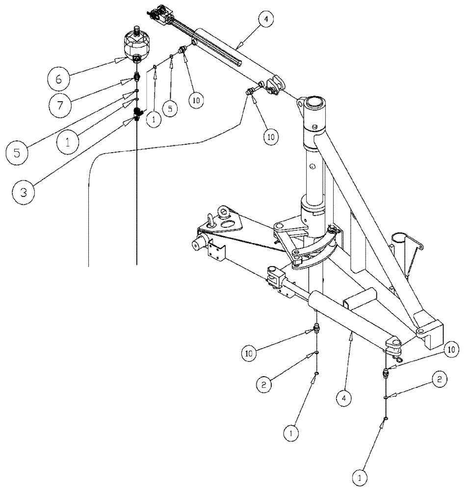
10
1
2
10
10
4
7
3
4
2
6
1
1
5
5
10
1
FIT
1:1
100%

Артикул

Название

Примечание

Количество

2

BN313268

ORIFICE

.042 -6 Disk

4шт.

3

BN302435

TEE

11/16 -16 ORFS x 11/16 -16 ORFS Swivel

2шт.

4

87266454

HYDRAULIC CYLINDER,Double Acting, 31.75mm Rod, 457.2mm Stroke

Hydraulic, 3 x 18 x 1.25

4шт.

See Fig. 02-008

1шт.

87266454R

Reman Hyd -- Hydraulic, 3 x 18 x 1.25

REMAN-HYD CYLINDER

4шт.

87266454C

Return Number

CORE-HYD CYLINDER

1шт.

5

BN316688

ORIFICE

140,-6 DISK

4шт.

6

87266797

ACCUMULATOR

60 CU 2900 psi

2шт.

6a

87054976

WARNING DECAL

Accumulator

2шт.

Associated Part of Accumulator, 60 Cu 2900 ps, P/N 87266797

1шт.

7

BN302647

FITTING

6MOR-8MB

2шт.

10

BN302646

FITTING

11/16-16 ORFS x 9/16-18 ORB

8шт.

Выбрано товаров: 12