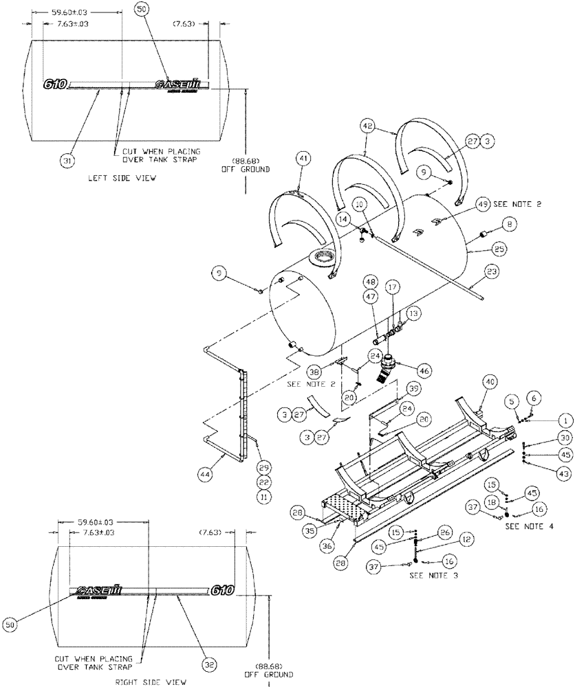
Запчасти Case IH 610 (06-001) - TANK GROUP, 1800 GALLON Tank

Схема запчастей Case IH 610 - (06-001) - TANK GROUP, 1800 GALLON Tank
26
18
10
31
11
36
9
29
3
13
3
44
45
27
37
27
27
17
3
15
30
50
8
45
35
37
25
1
14
39
50
20
12
49
15
5
47
24
42
40
38
23
28
16
48
9
32
46
28
45
41
24
6
22
20
43
16
FIT
1:1
100%

Артикул

Название

Примечание

Количество

1

87310607

WASHER,17.5mm ID x 34mm OD x 5mm Thk

17.5 x 34 x 5 MM HDN DOR

24шт.

3

BN0710056

RUBBER SEAL

Neoprene, 1/4", 60º Cut 5" Wide

46.84шт.

5

832-44616

LOCK NUT

M16-2, TLN, CL10 DOR

12шт.

6

86980450

BOLT,Hex, M16 - 2 x 120mm, Cl 8.8, DOR

M16 - 2 x 120, 8.8, DOR

12шт.

8

BN2293320

CAP

2" Poly

1шт.

9

BN73606

CAP

1" NPT, Poly Pipe

2шт.

10

86050202

HOSE CLAMP,1.59” - 2.5”, Worm Gear

1шт.

11

353308

NUT,M6 x 1.0, Cl 8

2шт.

12

BN21533

EYEBOLT

BOLT, EYE 3/4"-10 x 8

2шт.

13

BN0502211

ELBOW

PIPE STREET 3" 90

1шт.

14

401875A1

FITTING,2" Male Thread x 2" 90 Degree Hose Barb

2" MNPT x 2" Hose Barb, Poly

1шт.

15

87310317

NUT

3/4-10, GR 8, DOR

8шт.

16

BN2297612

PIN

Clip 3/16" Dia x 3 3/4"

4шт.

17

BN85678

FITTING

3" NPT x 3" Hose Barb, Poly

1шт.

18

BN2390533

EYEBOLT

3013T69, 3/4 X 3"

2шт.

20

BN2391623

SPRING CLIP

Clip, 148 Dia. x 3 5/16"

2шт.

22

87529314

WASHER,6.6mm ID x 12.5mm OD x 2mm Thk

6.6 x 12.5 x 2 mm, HDN, DOR

2шт.

23

87267229

HOSE,2.17" ID x 100.00"

Clear/White Suction

9шт.

24

BN2397664

PIN

CLEVIS 1"

2шт.

25

87265381

TANK

1800 Gallon, Liquid

1шт.

25a

87270464

CAP

16" With 10" Fill

1шт.

Service Parts for Ref. 25

1шт.

25b

BN2391314-001

GASKET

For 16" Cap

1шт.

Service Parts for Ref. 25

1шт.

25c

87272500

GASKET

2" sparge tube

1шт.

Service Parts for Ref. 25

1шт.

26

BN2397999

SPRING

2 X 1 ID MHP-85

2шт.

27

BN2400107

CONTACT AD0011

1шт.

28

342781A1

BOARD

body mounting, 151 Long

2шт.

29

86980361

BOLT,Hex, M6 x 1 x 25mm, Cl 8.8, Full Thd

2шт.

30

86980468

BOLT,Hex, M20 x 180mm, Cl 8.8

M20 - 2.5 x 180, 8.8, DOR

4шт.

31

87638280

DECAL

LIQUID, 610, L.H.

1шт.

32

87638281

DECAL

LIQUID, 610, R.H.

1шт.

35

321-7089

PLATE

serial number, stainless

1шт.

36

BN52346

POP RIVET

1/8" x .5 SS

2шт.

37

86986947

PIN,28.7mm OD x 76.45mm L

1.125 Dia. x 2.625

4шт.

38

BN8193144

LINK

for C tank

1шт.

39

BN8193162

LINK

CONNECTING

1шт.

40

342375A1

SKID PLATE

1800 gallon tank, with walkway

1шт.

41

BN8193180

BAND

tank 64"

1шт.

42

BN321771

BAND

64"

2шт.

43

86980518

NUT,Hex, M20 - 2.5, Cl 8.8, DOR

4шт.

44

NS

NOT SERVICED

Group, Sight Gauge, 1800 Gallon

1шт.

See Fig. 06-003

1шт.

45

87529307

WASHER,22mm ID x 37mm OD x 4mm Thk

22 x 37 x 4 mm, HDN, DOR

14шт.

46

BN8205163-B

SHUT-OFF VALVE

TANK SHUT-OFF VALVE ASSY

1шт.

See Fig. 06-005

1шт.

47

BN326025

HOSE,3.00" ID BULK

S/D, EPDM

1шт.

Cut 6" from bulk roll

1шт.

48

BN2403395

CLAMP

T-Bolt Band 3.56"

2шт.

49

87267869

BRACKET

RINSE TANK

4шт.

50

87556985

DECAL

CASE IH LOGO

2шт.

Выбрано товаров: 52