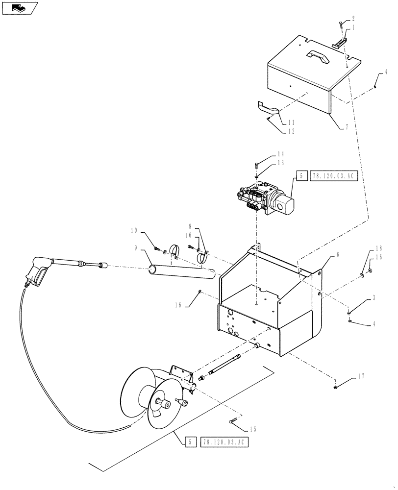
Запчасти Case IH 610 (78.120.03.AB) - PRESSURE WASHER STATION (78) - SPRAYING

Схема запчастей Case IH 610 - (78.120.03.AB) - PRESSURE WASHER STATION (78) - SPRAYING
16
14
9
3
8
17
15
6
5
11
16
5
4
4
18
13
10
home
2
78.120.03.ac
78.120.03.ac
12
1
16
7
FIT
1:1
100%

Артикул

Название

Примечание

Количество

1

BN309337

LATCH

Flexible Draw

2шт.

2

BN310264

SCREW,#10 - 24 x 1 1/4", SST

10-24 X 1-1/4", BSH, SS

6шт.

3

BN310265

WASHER

10, Stainless Steel

6шт.

4

BN310266

BHD LOCK NUT,#10-24, Nylon, Stainless Steel

10шт.

5

BN311492

WASHER

Pressure, 3 GPM 2000 PSI

1шт.

See Fig 78.120.03.AC For Service Parts

1шт.

6

87265722

BOX

Pressure Washer

1шт.

7

BN311521

COVER

Pressure Washer

1шт.

8

515-23571

CLAMP,2 1/4", Insul, 3/8" Bolt

2шт.

9

86986621

PIPE

2" PVC x 26.5" Grey

1шт.

10

BN50258

BOLT,3/8"-16 X 1.25", Stainless

2шт.

11

BN311626

HANDLE

Molded Grab, Black

2шт.

12

BN311631

BOLT,#10 - 24 x 3/4", SST

10-24 x .75, BSH, Stainless Steel

4шт.

13

BN50142

WASHER,5/16", Stainless Steel

4шт.

14

BN50232

BOLT,5/16"-18 x 1.00", Stainless Steel

4шт.

15

BN50254

BOLT,3/8"-16 x 1", Stainless

4шт.

16

BN50759

LOCK NUT,3/8"-16, Nylon, Stainless

6шт.

17

BN55361

NUT,5/16"-18, Nylon, Stainless

4шт.

18

BN50146

WASHER,3/8", Stainless

6шт.

Выбрано товаров: 19