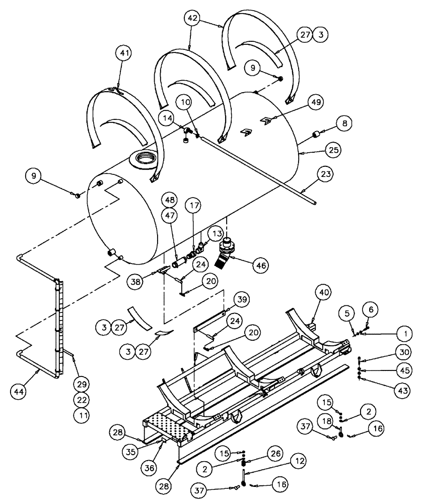
Запчасти Case IH FLX610 (06-001) - TANK GROUP, 1800 GALLON Tank

Схема запчастей Case IH FLX610 - (06-001) - TANK GROUP, 1800 GALLON Tank
24
29
3
45
6
24
8
3
23
27
37
38
15
10
39
17
28
27
1
22
9
9
14
41
20
16
48
12
26
2
2
36
20
11
16
15
3
25
49
35
13
28
37
43
5
42
46
27
30
18
40
FIT
1:1
100%

Артикул

Название

Примечание

Количество

1

86625266

WASHER,17.5mm ID x 30mm OD x 4mm Thk

24шт.

2

86632591

WASHER,0.81" ID x 1.5" OD x 0.13" Thk

4шт.

3

BN0710056

RUBBER SEAL

Neoprene, 1/4", 60º Cut 5" Wide

48.64шт.

5

832-46416

NUT,M16 x 2, Cl 8

12шт.

6

321246

BOLT,Hex, M16 x 2 x 120mm, Cl 8.8

12шт.

8

BN2293320

CAP

2" Poly

1шт.

9

BN73606

CAP

1" NPT, Poly Pipe

2шт.

10

BN76093

HOSE CLAMP

#28, SS

1шт.

11

353308

NUT,M6 x 1.0, Cl 8

2шт.

12

BN21533

EYEBOLT

BOLT, EYE 3/4"-10 x 8

2шт.

13

BN0502211

ELBOW

Pipe Street 3" 90

1шт.

14

BN73723

ELBOW,90 Degree Elbow, 1-1/2" Male NPT x 1-1/2" Hose Barb, Poly

1-1/2" NPT x 1-1/2" Hose Barb, Poly

1шт.

15

86518194

NUT,3/4"-10, G8

4шт.

16

BN2297612

PIN

Clip 3/16" Dia x 3 3/4"

4шт.

17

BN85678

FITTING

3" NPT x 3" Hose Barb, Poly

1шт.

18

BN2390533

EYEBOLT

3013T69, 3/4 X 3"

2шт.

20

BN2391623

SPRING CLIP

Clip, 148 Dia. x 3 5/16"

2шт.

22

86588450

WASHER,6.6mm ID x 12mm OD x 1.6mm Thk

2шт.

23

BN2393046

TUBE

Clear 1 1/2 3/16"

9шт.

24

BN2397664

PIN

Clevis 1"

2шт.

25

87265381

TANK

1800 Gallon, Liquid

1шт.

25a

87270464

CAP

16" With 10" Fill

1шт.

Service Parts For Ref. 25

1шт.

25b

BN2391314-001

GASKET

For 16" Cap

1шт.

Service Parts for Ref. 25

1шт.

26

BN2397999

SPRING

2 X 1 ID MHP-85

2шт.

27

BN2400107

Adhesive, Contact Ad0011, 0.1

1шт.

28

342781A1

BOARD

body mounting, 151 Long

2шт.

29

614-6025

BOLT,Hex, M6 x 1 x 25mm, Cl 8.8, Full Thd

2шт.

30

412290

BOLT,M20 x 2.5mm x 180mm, Cl 8.8

4шт.

31

336606A1

DECAL

Liquid Tank LH Front STP

1шт.

32

336607A1

DECAL

Liquid Tank RH Front STP

1шт.

33

336608A1

DECAL

Liquid Tank RH Rear ST

1шт.

34

336632A1

DECAL

Liquid Tank LH Rear ST

1шт.

35

321-7089

PLATE

serial number, stainless

1шт.

36

BN52346

POP RIVET

1/8" x .5 SS

2шт.

37

86986947

PIN,28.7mm OD x 76.45mm L

1.125 Dia. x 2.625

4шт.

38

BN8193144

LINK

for C tank

1шт.

39

BN8193162

LINK

Strip, Connecting

1шт.

40

342375A1

SKID PLATE

1800 gallon tank, with walkway, Start Year: 01-AUG-09

1шт.

41

BN8193180

BAND

tank 64"

1шт.

42

BN321771

BAND

Tank, 64"

2шт.

43

380424

NUT,M20 x 2.5, Cl 8

4шт.

44

NS

NOT SERVICED

Group, Sight Gauge, 1800 Gallon

1шт.

See Fig. 06-003

1шт.

45

86625260

WASHER,21.8mm ID x 37.5mm OD x 4mm Thk

8шт.

46

BN8205163-B

SHUT-OFF VALVE

Tank Assembly

1шт.

See Fig. 06-005

1шт.

47

BN326025

HOSE,3.00" ID BULK

S/D, EPDM

1шт.

Cut 6" from bulk roll

1шт.

48

BN2403395

CLAMP

T-Bolt Band 3.56"

2шт.

49

87267869

BRACKET

Rinse Tank

4шт.

50

87267855

DECAL

FLX610 Tank Strip, LH, Single Decal For Entire Length of Tank, Not Shown

1шт.

51

87267856

DECAL

FLX610 Tank Strip, RH, Single Decal For Entire Length of Tank, Not Shown

1шт.

Выбрано товаров: 54