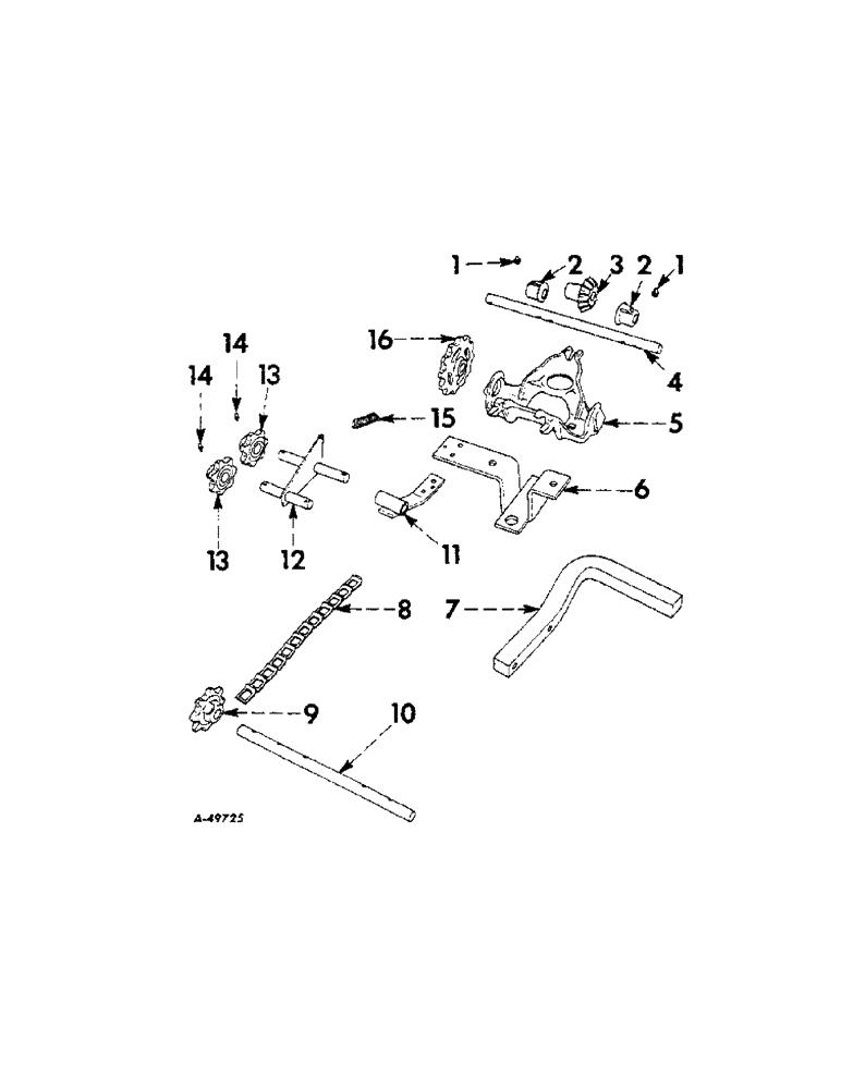
Запчасти Case IH LIQUID (C-24[A]) - LIQUID CHEMICAL FERTILIZERS, HOPPER BRACKET AND COMBINATION FEED SHAFT

Схема запчастей Case IH LIQUID - (C-24[A]) - LIQUID CHEMICAL FERTILIZERS, HOPPER BRACKET AND COMBINATION FEED SHAFT
3
8
6
14
1
12
7
14
15
10
11
4
1
5
13
13
16
9
2
2
FIT
1:1
100%

Артикул

Название

Примечание

Количество

1

80711

LUBE NIPPLE,65 Degree, 1/8" NPT x 7/8" lg

FITTING, 1/8 in. 65 degree elbow lubrication

1шт.

2

PO1818

BUSHING

BEARING, feed shaft

1шт.

Q3514

HEADED PIN,1/4" x 1 9/16"

PIN, 1/4 x 1-9/16 in dld-std-hd

1шт.

PIN, 1/8 x 5/8 in. self-opening cotter

1шт.

3

513998R1

PINION

13 tooth drive

1шт.

4

524951R1

SHAFT, fertilizer feed

1шт.

PIN, 1/4 x 1-1/4 in. self-opening cotter

2шт.

WASHER, 25/32 x 1-1/4 in. x 16 ga

2шт.

5

513999R3

BRACKET

hopper

1шт.

BOLT, 1/2 x 1-1/4 in. crg

1шт.

WASHER, 1/2 in. lock

1шт.

6

524958R91

SUPPORT, hopper bracket

1шт.

7

524960R2

TOOL BAR, attaching

1шт.

BOLT, 7/16 x 2-3/4 in. mach

1шт.

WASHER, 7/16 in. lock

1шт.

NUT, 7/16 in. hex

1шт.

8

CHAIN, drive, use 55 no. 32 steel links from 10 ft roll no. CS-32

1шт.

9

PO575AX

SPROCKET ASSY.

SPROCKET W/SET SCREW, combination shaft, 8 tooth

1шт.

Q3514

HEADED PIN,1/4" x 1 9/16"

PIN, 1/4 x 1-9/16 in. dld-std-hd

1шт.

PIN, 1/8 x 5/8 in. self-opening cotter

1шт.

10

524952R1

SHAFT, combination feed

1шт.

11

524959R91

SUPPORT, chain tightener

1шт.

BOLT, 5/16 x 1 in. mach

2шт.

WASHER, 5/16 in. lock

2шт.

12

524961R91

TIGHTENER SHEAVE

TIGHTENER, chain

1шт.

PIN, 3/16 x 1-1/4 in. self-opening cotter

3шт.

13

PO3089

DRIVE SPROCKET

SPROCKET, 7 tooth idler

1шт.

14

125617

LUBE NIPPLE,3/16" x .61 lg, Drive

FITTING, 3/16 in. drive type straight lubrication

1шт.

15

PO8

SPRING

chain tightener

1шт.

PIN, 3/16 x 1 in. self-opening cotter

1шт.

16

PO3215X

SPROCKET ASSY.

SPROCKET W/SET SCREW, feed shaft, 13T

1шт.

16

PO2678AX

SPROCKET W/SET SCREW, 16T

1шт.

102894

SET SCREW

3/8 x 3/4 in. cup-pt sq-hd set

1шт.

Выбрано товаров: 33