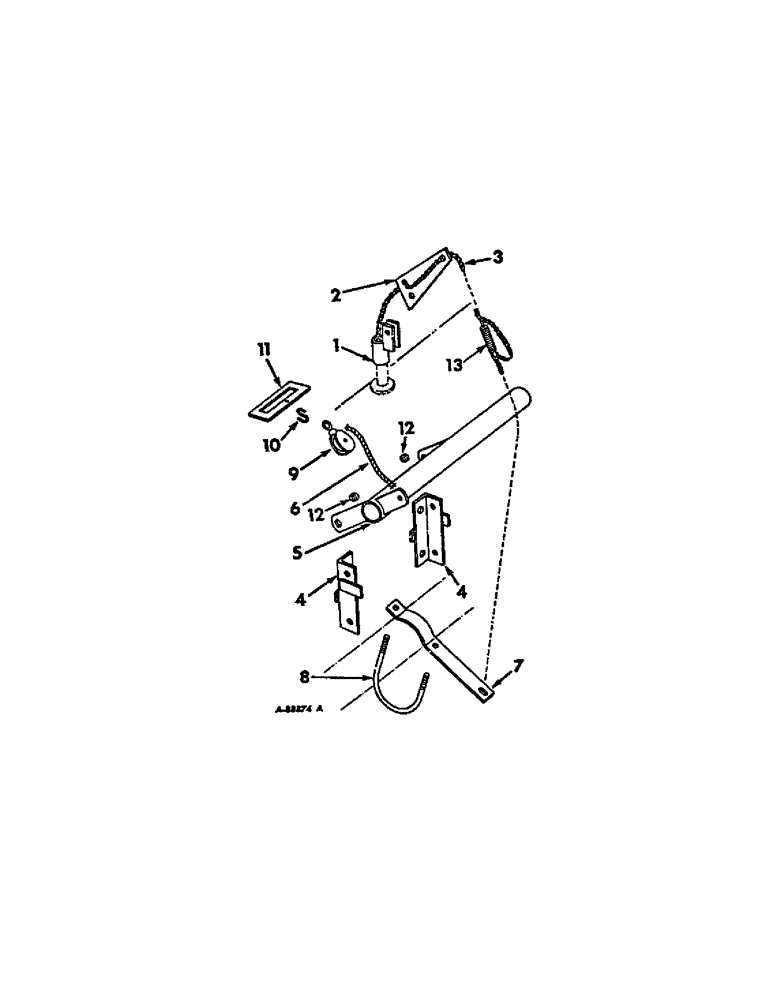
Запчасти Case IH LIQUID (B-24) - 58 LIQUID FERTILIZERS, LIQUID FERTILIZER CONTROLS, 50 GALLON TANK, EIGHT ROW

Схема запчастей Case IH LIQUID - (B-24) - 58 LIQUID FERTILIZERS, LIQUID FERTILIZER CONTROLS, 50 GALLON TANK, EIGHT ROW
5
12
4
6
3
4
1
12
11
7
13
10
2
9
8
FIT
1:1
100%

Артикул

Название

Примечание

Количество

1

474694R91

PIVOT ASSY, pull chain

4шт.

2

474699R1

ARM, shut-off control

4шт.

21815R1

PIN, 5/16 x 11/16 C-Z std-hd 5/16" x 11/16"

4шт.

12235R1

1/8" x 5/8" 1/8" x 5/8"

4шт.

3

478487R1

CHAIN, valve control 68 inches

4шт.

12235R1

1/8" x 5/8" 1/8" x 5/8"

8шт.

4

486910R1

ANGLE, throwout bracket

4шт.

17140R1

CARRIAGE BOLT,Short Nk, 1/2" - 13 x 1 1/4", Gr 2, Full Thd

BOLT, 1/2 x 1-1/4 C-Z sq-nk crg

4шт.

120384

WASHER,1/2"

LOCK, 1/2"

4шт.

120378

NUT,Hex, 1/2" - 13, Gr 5

NUT, 1/2"-13, G5

4шт.

5

486908R1

TUBE ASSY, throwout bar

1шт.

6

486775R1

ROPE

shut-off control 25 ft

1шт.

7

475210R3

BRACKET, shut-off valve link

4шт.

8

475211R1

U-BOLT, shut-off valve link bracket

4шт.

80681

LOCK WASHER,5/16"

WASHER, LOCK, 5/16"

4шт.

120376

NUT,5/16"-18, G5

4шт.

9

514938R91

PULLEY, rope shut-off control

1шт.

10

512749R1

HOOK

S-HOOK, pulley

1шт.

11

486774R1

STRIP, pulley mounting

1шт.

12

373679R1

SPACER

strap throwout tube

4шт.

18494R1

BOLT,Hex, 3/8" - 16 x 1", Gr 2

3/8 x 1 C-Z hex-hd mach

4шт.

120382

LOCK WASHER,Helical Spring, 3/8"

WASHER, LOCK, 3/8"

4шт.

120377

NUT,3/8" - 16, Gr 5

4шт.

120394

WASHER,3/8", SAE

WASHER, 13/32 x 13/16 x .051 C-Z

4шт.

13

943045R1

SPRING

control chain

4шт.

Выбрано товаров: 25