Запчасти Case IH LIQUID (B-35) - SQUEEZE PUMP, DRIVE UNIT, FOR 56 & 66-SERIES 6-ROW & 58-SERIES 8-ROW PLANTERS

Схема запчастей Case IH LIQUID - (B-35) - SQUEEZE PUMP, DRIVE UNIT, FOR 56 & 66-SERIES 6-ROW & 58-SERIES 8-ROW PLANTERS
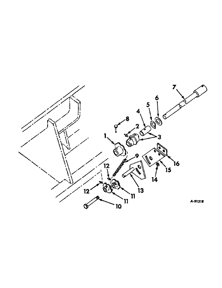
3
12
11
5
4
12
1
11
6
2
15
8
7
13
10
16
14
9
FIT
1:1
100%

Артикул

Название

Примечание

Количество

1

481940R1

SPROCKET, 8T

1шт.

21242R1

HEADED PIN

PIN, 1/4 x 1-3/4 C-Z std-hd

1шт.

2

66584D

FITTING

3/16 drive type str lub

1шт.

3

481812R11

BEARING ASSY

ASSY, drive shaft

1шт.

4

484060R1

BUSHING

1шт.

5

481810R1

WASHER

keyed

1шт.

6

589937R1

WASHER

wear

1шт.

7

486966R11

ROD ASSY, RH, for six-row

1шт.

7

484398R11

ROD ASSY, RH, for eight-row

1шт.

20535R1

CLEVIS PIN

PIN, 3/16 x 1-3/4 C-Z rod end 1 extra

2шт.

112726

COTTER PIN,1/16" x 1/2"

PIN, SPLIT (COTTER), , 1 extra 1/16" x 1/2"

2шт.

8

585614R1

PIN

quick attachable cot

1шт.

9

CHAIN, squeeze pump drive use 57 links agricultural extended pitch transmission roller chain from a 10 ft roll marked 569088R91, plus 1 connecting link, 457113R91

1шт.

10

180190

LOCK SCREW,Hex, 1/2" - 13 x 3", Gr 5

SCREW, 1/2-13 x 3 C-Z hex-hd cap

1шт.

178373R1

WASHER

17/32 x 1 x 16 ga C-Z

1шт.

120238

JAM NUT,Jam, 1/2"-13, G5

1/2-13 C-Z hex jam

1шт.

11

472344R1

SPROCKET

idler 6T

2шт.

12

125617

LUBE NIPPLE,3/16" x .61 lg, Drive

FITTING, 3/16 drive type str lub

2шт.

13

484411R91

STRAP ASSY, chain tightener RH

1шт.

14

622567R1

WASHER

BUSHING, chain tightener

1шт.

15

484391R1

PLATE, chain tightener bracket

1шт.

16

484392R1

BAR, chain tightener bracket

1шт.

18780R1

BOLT,Hex, 3/8"-16 x 1 3/4", G2

3/8-16 x 1-3/4 C-Z hex-hd mach

2шт.

120382

LOCK WASHER,Helical Spring, 3/8"

WASHER, LOCK, 3/8"

2шт.

120377

NUT,3/8" - 16, Gr 5

2шт.

21632R1

COTTER PIN

PIN, 3/16 x 1 C-Z self-opening cot

1шт.

Выбрано товаров: 26