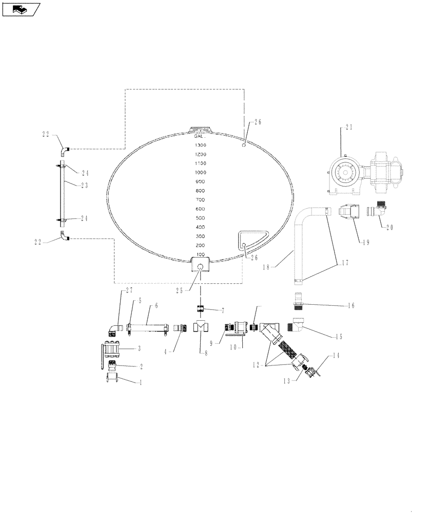
Запчасти Case IH NPX2800 (75.200.05[02]) - TANK FITTINGS SINGLE PISTION 2010 AND AFTER (75) - SOIL PREPARATION

Схема запчастей Case IH NPX2800 - (75.200.05[02]) - TANK FITTINGS SINGLE PISTION 2010 AND AFTER (75) - SOIL PREPARATION
24
20
home
9
24
6
4
26
22
23
2
14
7
26
1
22
5
15
16
18
3
10
8
25
19
27
12
17
21
13
FIT
1:1
100%

Артикул

Название

Примечание

Количество

1

34416022

DUST CAP,2" Cap

2

1шт.

2

34416002

PUSH-PULL COUPLING

2, Male

1шт.

3

34216001

VALVE,2" Full Port Valve

2, NPT, Ball, Full Port

1шт.

4

34316003

PIPE FITTING

2, Poly

1шт.

5

214-1432

HOSE CLAMP,#32, 1.56" - 2.5", Type F Worm

4шт.

6

25732003

HOSE

2 x 24, Plastic

1шт.

7

34316006

HYD CONNECTOR

2, Short

1шт.

8

34316005

TEE

2

1шт.

9

34316001

REDUCER FITTING

2 x 1-1/2

1шт.

10

34212001

VALVE,1-1/2" Full Port Valve

1-1/2, Ball

1шт.

11

34312002

HYD CONNECTOR

1-1/2, Short Poly

1шт.

12

34212002

STRAINER ASSY.,1 1/2 LINE STRAINER

1-1/2, Inline

1шт.

13

34306041

HYD CONNECTOR

3/4 x 1/2, Reducer, Poly.

1шт.

14

34308003

VALVE,1/2" Single Union Poly Valve

1/2, Ball

1шт.

15

34312005

ELBOW

1-1/2, Street

1шт.

16

34312001

PIPE FITTING

1-1/2, Poly

1шт.

17

86050202

HOSE CLAMP,1.59” - 2.5”, Worm Gear

2шт.

18

25731501

HOSE

1-1/2

1шт.

19

34412012

PUSH-PULL COUPLING

1-1/2

1шт.

20

34312012

ELBOW

1-1/2, Male

1шт.

21

84315373

PUMP

JB NPG 7055

1шт.

22

34306061

PIPE FITTING,3/4" NPT x 3/4" Hose Barb, 90 Degree

3/4, Hose, 90 Degree

4шт.

23

25631206

TUBE

3/4, Sight

2шт.

24

214-1416

HOSE CLAMP,#16, 0.81" - 1.5", Type F Worm

Stainless Steel

4шт.

25

30000010

FITTING

2, Bulkhead

1шт.

26

30000011

FITTING

3/4, Bulkhead

4шт.

27

34316008

PIPE FITTING

Hose, 90 Degree, Poly

1шт.

Выбрано товаров: 27