Запчасти Case IH NPX2800 (75.200.01[02]) - GROUND DRIVE 2010 AND AFTER (75) - SOIL PREPARATION

Схема запчастей Case IH NPX2800 - (75.200.01[02]) - GROUND DRIVE 2010 AND AFTER (75) - SOIL PREPARATION
15
20
11
19
8
25
22
23
31
28
5
7
17
2
32
18
13
27
1
14
21
30
16
26
10
24
29
9
11
12
4
3
6
7
FIT
1:1
100%

Артикул

Название

Примечание

Количество

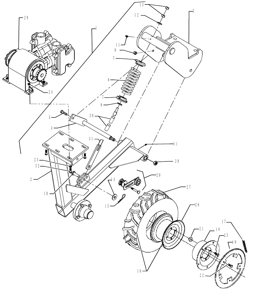
1

84272009

MOUNT

Ground Drive Assy.

1шт.

2

84329908

U-FRAME

1шт.

3

84329909

MOUNT

1шт.

4

84272008

PIN

Flag

1шт.

5

9707516

BOLT,1/2"-13 x 1-3/4", Cl 5

1шт.

6

495-21106

WASHER,1"

1шт.

7

20090100

HOLDER

2шт.

8

24143901

COMPRESSION SPRING

1шт.

9

88871

NUT,1/2"-13, GC

1шт.

10

14810090

X

Pin

1шт.

11

87414

LUBE NIPPLE,1/4" - 28

2шт.

12

17409010

WASHER,14.22mm ID x 35.05mm OD x 4.75mm Thk

1шт.

13

425-168

NUT,1/2"-13, G5, Hvy

2шт.

14

80299

WASHER,0.69" ID x 1.75" OD x 0.13" Thk

1шт.

15

14720411

COTTER PIN

PIN, COTTER

1шт.

16

87461161

WHEEL ASSY.

1шт.

17

84331754

CHAIN

1шт.

18

34120010

ADAPTER

1шт.

19

34120011

SPROCKET

1шт.

20

34120012

IDLER

1шт.

21

34120013

SPACER

4шт.

22

88011

BOLT,Hex, 3/8" - 16 x 1 1/4", Gr 5

5шт.

23

80702

WASHER,0.44" ID x 1" OD x 0.08" Thk

4шт.

24

86992213

NUT

4шт.

25

86622971

BOLT,Hex, 1/2" - 20 x 2 1/2", Gr 5

4шт.

26

87461171

WHEEL ASSY.

1шт.

27

NSS

NOT SOLD SEPARAT

7.00 x 14, 4 Ply Traction

1шт.

28

280375

NUT,3/4"-10, GC

1шт.

29

84315373

PUMP

NGP-7055, John Blue, Single Piston

1шт.

29

84315374

PUMP

NPG-9055, John Blue, Double Piston

1шт.

30

84329910

BUSHING

2шт.

31

05302660

SPRING

Mount

1шт.

32

9706689

BOLT,Hex, 3/8" - 16 x 1 3/4", Gr 5

1шт.

33

84362040

TRUNNION

For 84329909

1шт.

Выбрано товаров: 34