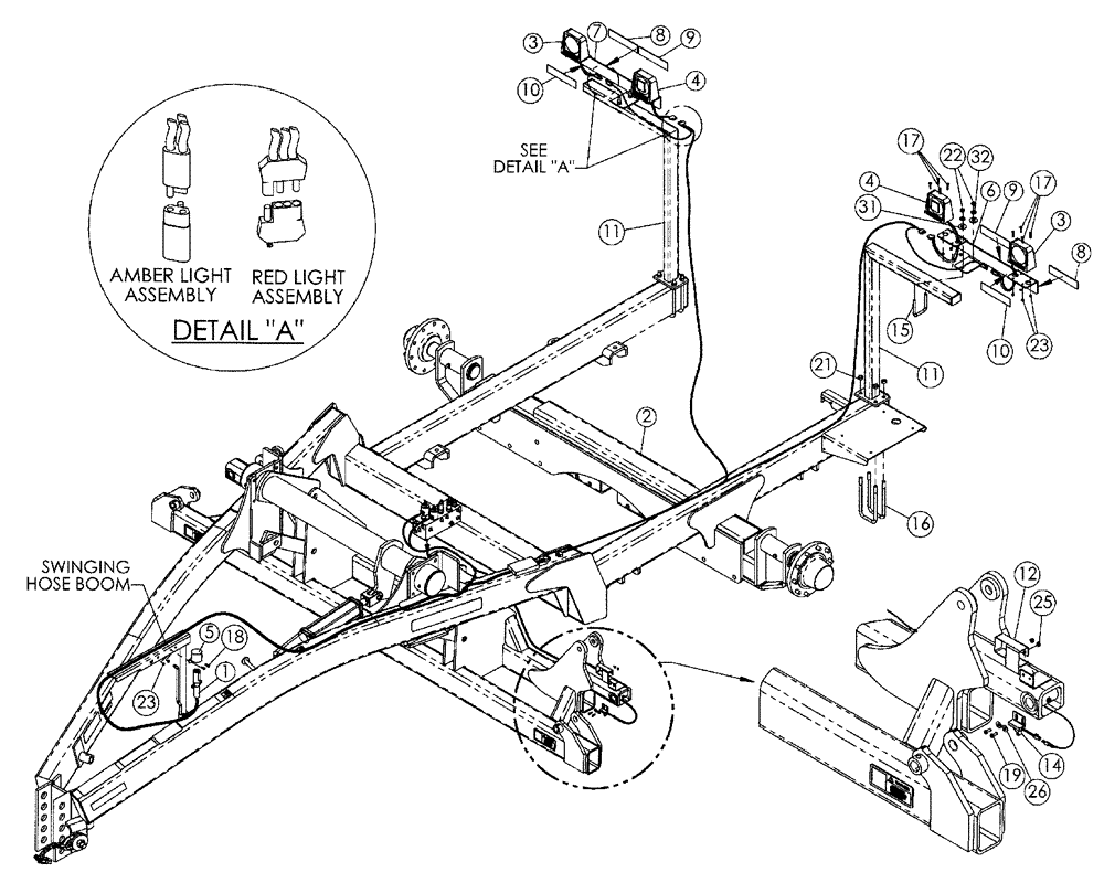
Запчасти Case IH 2800-16 (55.404.01) - WARNING AND TAILLIGHT KIT (04) - ELECTRICAL SYSTEMS

Схема запчастей Case IH 2800-16 - (55.404.01) - WARNING AND TAILLIGHT KIT (04) - ELECTRICAL SYSTEMS
11
1
26
17
3
12
32
17
11
4
18
31
16
22
8
6
23
21
3
19
10
9
8
14
25
10
9
4
23
15
5
2
FIT
1:1
100%

Артикул

Название

Примечание

Количество

1

27602227

WIRE HARNESS

Front

1шт.

2

27602223

WIRE HARNESS

Rear

1шт.

3

27602201

LIGHT ASSY.

Fixture Single, Amber

2шт.

4

27602202

LIGHT ASSY.

Fixture Single Red

2шт.

5

27601214

HOLDER

Storage Plug

1шт.

6

05302953

BRACKET

Light, Front LH

1шт.

7

05302952

BRACKET

Light, Front RH

1шт.

8

311863A1

REFLECTOR

Red

2шт.

9

311865A1

REFLECTOR

STRIP-Fluorescent

2шт.

10

311864A1

REFLECTOR

Amber

2шт.

11

05302957

TOWER

Light

2шт.

12

05302926

COVER

Switch Limit

1шт.

14

05302925

SWITCH

Limit

1шт.

15

16308125

U-BOLT

1/2" x 3" x 4"

2шт.

16

87427172

U-BOLT

BOLT "U" 5/8" x 4" x 9-3/4"

4шт.

17

413-420

BOLT,Hex, 1/4" - 20 x 1-1/4", Gr 5

8шт.

18

413-412

BOLT,Hex, 1/4" - 20 x 3/4", Gr 5

2шт.

19

14520303

SCREW,Sl Pan Hd, #12 - 24 x 3/4"

#12

2шт.

21

85700693

NUT,5/8" - 11, Gr C

8шт.

22

25-108

NUT,1/2"-13, G5

4шт.

23

86992211

NUT

1/4"

18шт.

25

225-14112

NUT,#12-24

2шт.

26

495-21031

WASHER,1/4"

Standard

4шт.

27

30007000

CABLE TIE,.350" x 20.9"

CABLE STRAP

1шт.

28

386170C1

CABLE TIE,.30" x 27 1/2"

CABLE STRAP

1шт.

29

27601215

LENS

Replacement, Amber

1шт.

30

27601216

LENS

Replacement, Red

1шт.

31

80299

WASHER,0.69" ID x 1.75" OD x 0.13" Thk

Standard

4шт.

32

80679

LOCK WASHER,1/20.507 CST ZND

4шт.

Выбрано товаров: 29