Качественные детали и логистика
Оригинальные и аналоговые запчасти с доставкой по России, Казахстану и Беларуси
©2022 PartSell ООО "Система" ИНН 2463123282 ОГРН 1212400004838
Центральный офис: г. Красноярск, Академика Киренского, д.87, пом.4
Телефон: 8 (800) 777-65-74 Email: zakaz@partsell.ru
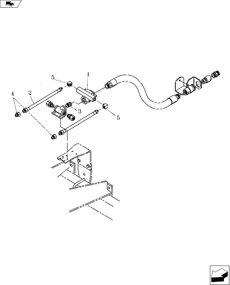
(35.100.03) - 1 1/4" GROMO III TO TRACTOR
№
Артикул
Название
Примечание
Количество
1
34210300
1-1/4" Gromo lll
1шт.
2
25600472
HYDRAULIC HOSE,0.25" ID x 72.00"
2шт.
3
15011251
1-1/4" x 3" Lg.
4
217-1109
REDUCER,1/2"-14 Male NPTF x 1/4"-18 Female NPTF
5
217-1028
ELBOW,1/8" - 27 Male x 1/4" - 18 Female
Выбрано товаров: 0