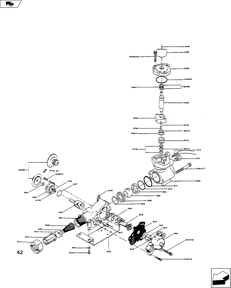
Запчасти Case IH 3300 (35.106.02) - B-9500 REGULATOR (35) - HYDRAULIC SYSTEMS

Схема запчастей Case IH 3300 - (35.106.02) - B-9500 REGULATOR (35) - HYDRAULIC SYSTEMS
FIT
1:1
100%

Артикул

Название

Примечание

Количество

1

01-37

Dial Base

1шт.

2

01-38

Dial Knob

1шт.

3

01-71BF

Cap Seal

1шт.

4

01-88

Retainer

1шт.

5

01-89

Dial Tension

1шт.

6

01-92BF

Dial Lock Pin

1шт.

7

01-832-25

Dial Set Screw

1шт.

8

01-2520-100

Cap Screw

1шт.

9

09-01

Meter Body

1шт.

10

09-02

Meter Bonnet

1шт.

11

09-06

Meter Barrel Bonnet

1шт.

12

09-13

Slave Valve

1шт.

13

09-18

Half Union

1шт.

14

09-19

Union

1шт.

15

09-32

Thottle Stem

1шт.

16

09-33

Thottle

1шт.

17

09-34

Diaphragm Plate

1шт.

18

09-39

Meter Barrel

1шт.

19

A-09-41

Filter Pull Assy.

1шт.

20

09-50

Meter Bracket

1шт.

21

09-63F

Throttle Stem Guide

1шт.

22

09-72

Diaphragm

1шт.

23

09-73

Union 'O' Ring

1шт.

24

09-77

Dial Bonnet 'O' Ring Seal

1шт.

25

09-82BF

Dial Only

1шт.

26

A-09-82BF

Dial Assy.

1шт.

27

09-83F

Strainer Screen

1шт.

28

09-87

3/8"

1шт.

29

09-90

Meter Spring

1шт.

30

09-91

Slave Valve Spring

1шт.

31

09-375-75

Bracket (4)

1шт.

32

09-375-150

Meter Bonnet Cap Screw(3)

1шт.

33

09-2520-75

Bonnet Cap Screw (6)

1шт.

34

01-85F

Indicator Flag

1шт.

35

01-94F

Flag Lock Pin

1шт.

36

09-04R

Rotor Shut Off Body

1шт.

37

09-05F

Rotor Shut Off Bonnet

1шт.

38

09-440

Rotor

1шт.

39

09-441

Shut Off Pinion

1шт.

40

09-140

Rotor Shaft Pin

1шт.

41

09-241

Lower Shaft Seal Back Up Ring

1шт.

42

09-240

Shaft Seal Gland

1шт.

43

09-60

Ball Valve Seal

1шт.

44

09-540

Wear Pad (For Rotor Pin)

1шт.

45

09-74

Body 'O' Ring

1шт.

46

09-76

O' Ring Seal Shut Off Body

1шт.

47

09-640

Seal Back Up (9/16" ID)(2)

1шт.

48

197-700

Seal Back Up (2)

1шт.

49

09-80

Shut Off Ball

1шт.

50

09-92

Ball Valve Tension

1шт.

51

09-3816-27F

Shut Off Body Cap Screen (2)

1шт.

52

09-04113

Upper Shaft Seal

1шт.

53

09-04116

Lower Shaft Seal

1шт.

54

09-8115

Cap Seal

1шт.

55

197-3816-150

Bonnet Screw

1шт.

56

197-Q4139

Bonnet Quad Ring

1шт.

57

657-2

Cylinder Orifice Adaptor

1шт.

58

09-17

Drain Hose Connector

1шт.

59

B-9500-BS

Repair Kit (For Meter Only Items Marked)

1шт.

60

09-141

Drain Hose Connector

1шт.

61

R-9590-RK

Repair Kit (Actuator Only Items Marked)

1шт.

Выбрано товаров: 61