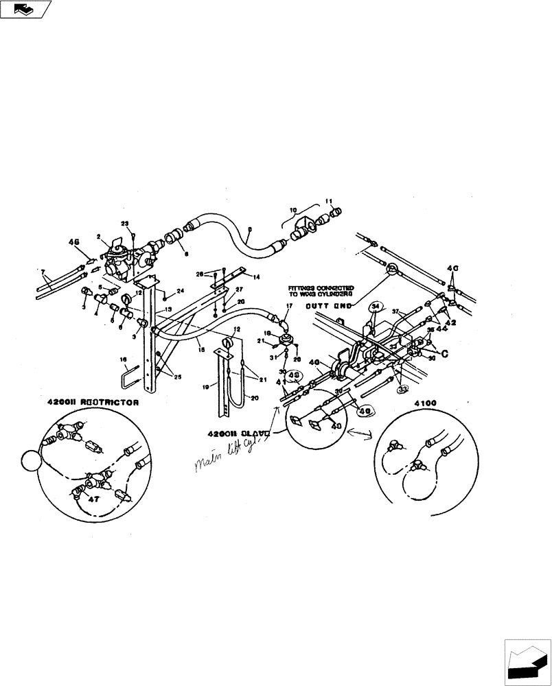
Запчасти Case IH 4200 II (35.106.03) - B-9500 REGULATOR AND SELECTOR VALVE ASSY (35) - HYDRAULIC SYSTEMS

Схема запчастей Case IH 4200 II - (35.106.03) - B-9500 REGULATOR AND SELECTOR VALVE ASSY (35) - HYDRAULIC SYSTEMS
33
13
44
18
10
14
20
5
12
42
33
20
27
30
25
37
40
26
4
30
3
40
47
12
17
38
8
c
38
3
11
19
23
18
34
48
18
24
20
8
21
7
41
31
40
2
43
21
6
5
40
FIT
1:1
100%

Артикул

Название

Примечание

Количество

33

25707505

HYD CONNECTOR

3/4" SAEM x 7/8" JICM

2шт.

34

25707524

3/4" SAEM x 7/8" JICM 90

1шт.

35

25707504

3/4" SAEM x 3/8" NPTF 90

2шт.

36

25401000

VALVE

Selector - 2 Position

1шт.

37

25600612

HOSE

3/8" Hyd. x 13 1/2" Long

2шт.

38

NSS

NOT SOLD SEPARAT

3/8" NC x 2-1/2" Capscrew (160C)

2шт.

39

NSS

NOT SOLD SEPARAT

3/8" NC Hex. Nut

2шт.

43

25708807

3/4" JICM x 7/8" JICM

2шт.

44

25705009

HYD CONNECTOR

1/2" NPTF x 3/4" JICM

2шт.

45

25707536

1/4" NPTM x 3/4" JICM (Not Shown)

2шт.

46

25707519

3/4" JICM x 1/2" NPTM

2шт.

47

25707508

ELBOW

1/2" NPTM X 7/8'' JICM 90

1шт.

Выбрано товаров: 12