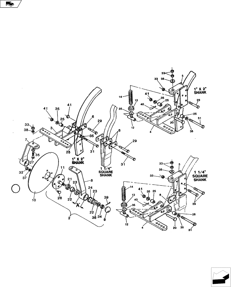
Запчасти Case IH 4200 II (75.200.06) - DISC SEALER ASSEMBLIES (75) - SOIL PREPARATION

Схема запчастей Case IH 4200 II - (75.200.06) - DISC SEALER ASSEMBLIES (75) - SOIL PREPARATION
25
7
33
25
25
35
33
41
36
13
25
31
29
41
20
21
29
14
23
37
35
6
31
35
22
5
5
11
2
13
35
34
33
22
10
8
4
35
35
35
26
35
25
35
35
14
32
29
38
23
6
41
3
29
31
33
6
9
41
33
40
25
12
35
24
31
20
12
27
4
39
40
FIT
1:1
100%

Артикул

Название

Примечание

Количество

1

02400094

(Not Shown)

1шт.

1

02330000

(Not Shown)

1шт.

2

02325000

LH

1шт.

2

02327000

RH (Shown)

1шт.

3

02322100

FRAME

H (Reg. Disc Sealer)

1шт.

4

02335000

FRAME

H, Spring Loaded Disc Sealer

1шт.

5

02334000

BRACKET

Spring Disc Sealer Only

1шт.

6

02333350

PLATE

1-1/4" Sq. Shank (Spring Disc Sealer Only)

2шт.

6

02321000

PLATE

1-1/4" Sq. Shank

4шт.

6

02331010

PLATE

1" x 2" Shank

2шт.

7

02326000

LH

1шт.

8

02328000

RH

1шт.

9

28400400

DUST CAP

Dia. A =2-1/2"

1шт.

9

28400100

CAP

Dust Dia. A=2"

1шт.

10

33551440

PLOW DISC

14" Blade

2шт.

11

02329000

2шт.

12

02333500

SUPPORT

Spring Pivot Bolt - 1/2" Dia.

1шт.

13

17506010

CUP WASHER,13.49mm ID x 44.45mm OD x 1.59mm Thk

Spring Holder

1шт.

14

24120701

COMPRESSION SPRING

1шт.

20

14808291

CLEVIS PIN,12.7mm OD x 127.45mm L

1/2" x 3-5/8" EL

1шт.

21

21931000

SEAL

(CR 10035)

2шт.

22

21870750

BEARING CONE

0.75" Bore (Timken LM11949)

4шт.

23

21881780

BEARING CUP

1.78" O.D. (Timken LM11910)

4шт.

24

14600188

SNAP RING

Internal Retaining

4шт.

25

02323100

BUSHING

2шт.

26

NSS

NOT SOLD SEPARAT

3/8" x 3/4" Carriage Bolt

8шт.

27

NSS

NOT SOLD SEPARAT

1/2" x 1-3/4" NC Capscrew

4шт.

29

NSS

NOT SOLD SEPARAT

1/2" x 3-1/2" NC Capscrew 1" x 2" Shank

1шт.

31

NSS

NOT SOLD SEPARAT

1/2" x 5-1/2" NC Gd.5 Capscrew

1шт.

32

NSS

NOT SOLD SEPARAT

3/8" NC Hex. Nut

8шт.

33

NSS

NOT SOLD SEPARAT

1/2" NC Hex. Nut

8шт.

34

14051002

5/8" NF

2шт.

35

NSS

NOT SOLD SEPARAT

1/2" Std. Washer

6шт.

36

NSS

NOT SOLD SEPARAT

5/8" SAE Washer

2шт.

37

NSS

NOT SOLD SEPARAT

3/8" Lock Washer

8шт.

38

NSS

NOT SOLD SEPARAT

1/2" Lock Washer

4шт.

39

NSS

NOT SOLD SEPARAT

1/8" x 1" Cotter Pin

2шт.

40

NSS

NOT SOLD SEPARAT

1/8" x 2" Hair Pin

1шт.

41

NSS

NOT SOLD SEPARAT

1/2" NC Hex. Lock Nut

1шт.

Выбрано товаров: 39