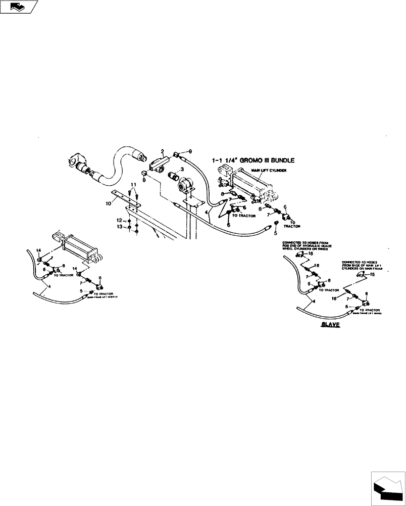
Запчасти Case IH 4200 II (35.100.03) - 1/4" GROMO III ASSY- MAIN LIFT (35) - HYDRAULIC SYSTEMS

Схема запчастей Case IH 4200 II - (35.100.03) - 1/4" GROMO III ASSY- MAIN LIFT (35) - HYDRAULIC SYSTEMS
4
14
6
4
16
6
7
7
3
7
12
14
9
7
6
11
8
6
13
5
7
8
16
2
15
15
9
7
5
10
5
6
6
6
5
6
4
FIT
1:1
100%

Артикул

Название

Примечание

Количество

1

02400086

1-1/4" (Restrictor) (Not Shown)

1шт.

2

34210300

1-1/4"

1шт.

3

15011251

1-1/4" NPT x 3" Lg.

1шт.

4

25600412

HOSE

1/4" Hydraulic x 144" Lg.

2шт.

5

25702502

BOLT

1/2 x 1-1/4

2шт.

6

25705006

1/2 NPT x 7/6 JIC

2шт.

7

25707533

1/2 NPTF x 7/8 JICP SW.

2шт.

8

25708808

ADAPTER

7/8 JICM x 1/2 NPTM

2шт.

9

25701200

1/8 NPTH x 1/4 NPTF

2шт.

10

02130061

1шт.

11

NSS

NOT SOLD SEPARAT

7/16 x 1" NC Capscrew

2шт.

12

NSS

NOT SOLD SEPARAT

7/16 Lock Washer

2шт.

13

NSS

NOT SOLD SEPARAT

7/16 NC Hex. Nut

2шт.

14

25707524

3/4 SAEM x 7/8 JICM 90

2шт.

15

25707502

HYD CONNECTOR

(2) 3/4" JICM x (1) 3/4" JICF

2шт.

16

25708807

3/4" JICM x 7/8" JICM

2шт.

Выбрано товаров: 16