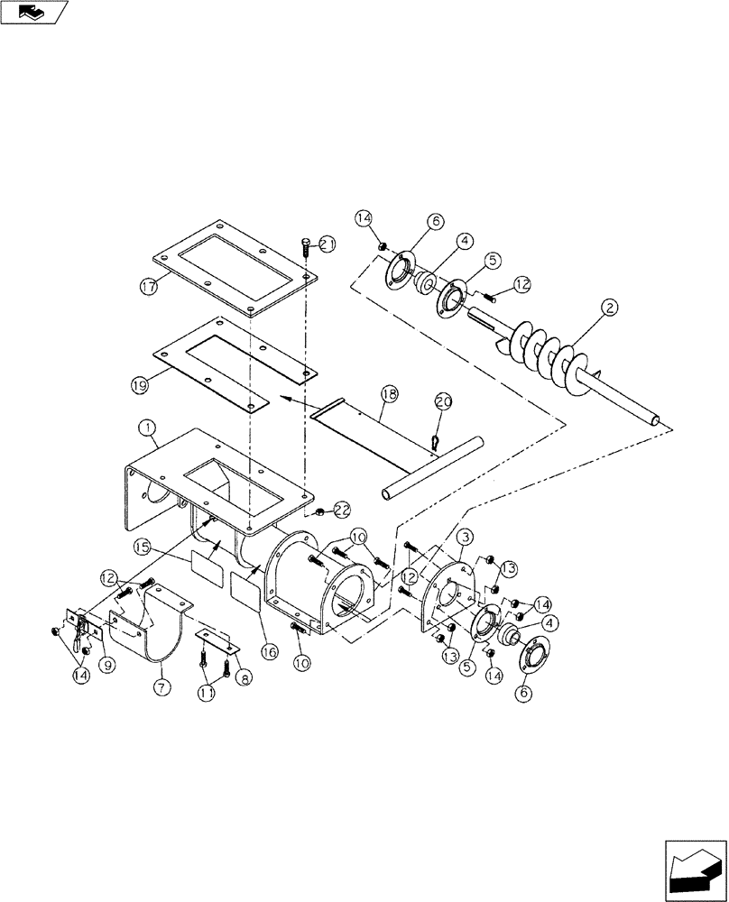
Запчасти Case IH 9000 (75.100.01) - METER (75) - SOIL PREPARATION

Схема запчастей Case IH 9000 - (75.100.01) - METER (75) - SOIL PREPARATION
13
10
21
6
4
20
13
12
9
19
5
16
12
18
11
2
5
3
12
7
10
6
4
14
8
15
1
14
17
22
14
14
FIT
1:1
100%

Артикул

Название

Примечание

Количество

05401200

AUGER

Meter Assembly Complete (Not Shown)

1шт.

1

05401210

METER

Includes Ref. 7, 8, 9, 11, 12 & 14

1шт.

2

05401230

AUGER

Meter

1шт.

3

05401241

CAP

End

2шт.

4

21841602

BEARING

w/Locking Collar

2шт.

5

21892200

FLANGE

Bearing

2шт.

6

21892201

NUT

Bearing w/Zerk

2шт.

7

05401608

FLAP

Rubber

1шт.

8

05401609

Flat

1шт.

9

05401225

LATCH

Weldment

1шт.

10

113-2295

BOLT,Hex, 3/8" - 16 x 1", SST

NC

4шт.

11

16105039

5/16" x 1" NC Carriage, Stainless

2шт.

12

16105038

5/16" x 3/4" NC Carriage, Stainless

8шт.

13

14090608

SPECIAL NUT

3/8" NC Hex., Stainless

4шт.

14

14090508

5/16" NC Hex., Stainless

10шт.

15

18534325

Warning Sign

1шт.

16

18534327

Warning Sign

1шт.

17

05401264

Flat

2шт.

18

05401266

Slide Gate

2шт.

19

05401265

BAR

Shim

2шт.

20

14720411

COTTER PIN

PIN, COTTER Hair

2шт.

21

16908069

1/2" x 1-1/2" NC Hex., Stainless

12шт.

22

14090808

1/2" NC Hex., Stainless

12шт.

Выбрано товаров: 23