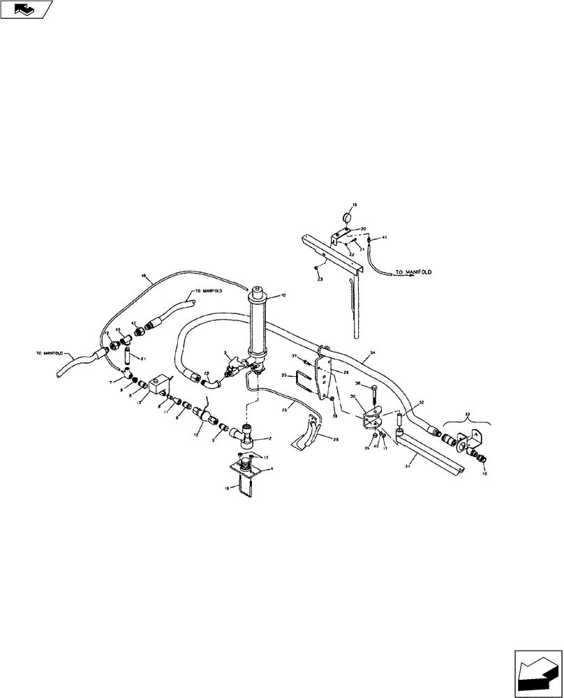
Запчасти Case IH 9000 (75.120.02) - MID-TECH NH3 CONTROL SYSTEM W/PLUMBING FOR DUAL MANIFOLD (75) - SOIL PREPARATION

Схема запчастей Case IH 9000 - (75.120.02) - MID-TECH NH3 CONTROL SYSTEM W/PLUMBING FOR DUAL MANIFOLD (75) - SOIL PREPARATION
5
30
11
13
9
z15
31
17
42
8
36
12
4
29
5
26
24
45
23
2
zz
25
3
39
10
19
21
20
35
33
7
46
17
22
41
z
42
37
18
25
39
40
FIT
1:1
100%

Артикул

Название

Примечание

Количество

1

27701220

COUPLING

NH, Plumbing Kit, Includes Item 2-10 (Not Shown)

1шт.

2

27701225

Sweep Elbow Mtg. Adapter

1шт.

3

27701222

Manual ON/OFF Valve

1шт.

4

27701224

Mounting Plate

1шт.

5

15011256

1-1/4" x 4" Nipple

1шт.

6

15011251

1-1/4" x 3" Nipple

1шт.

7

NSS

NOT SOLD SEPARAT

Reducer Tee

1шт.

8

NSS

NOT SOLD SEPARAT

1" Nipple

1шт.

9

15031259

ADAPTER

1" x 1-1/4" Reducer Bushing

1шт.

10

NSS

NOT SOLD SEPARAT

Continental Equalizer

1шт.

11

NSS

NOT SOLD SEPARAT

Reducer Coupler

1шт.

12

27701231

NH3 Flow Meter

1шт.

13

27701201

NH3 Flow Control Valve

1шт.

16

16310050

U-BOLT

5/8" x 4" x 8"

1шт.

17

425-1010

NUT,5/8"-11, G5

2шт.

18

NSS

NOT SOLD SEPARAT

A.A. Hose, 1/2"

1шт.

19

34599060

GAUGE

A.A.

1шт.

20

04681830

BRACKET

Gauge

2шт.

21

15011011

FITTING

1" NPT x 8"

1шт.

22

495-21044

WASHER,3/8"

1шт.

23

425-106

NUT,3/8"-16, Cl 5

1шт.

24

413-616

BOLT,Hex, 3/8" - 16 x 1", Gr 5

1шт.

25

25631204

3/4" A.A.

2шт.

26

27701226

Weld on Vapor

2шт.

28

15001252

1-1/4" Street

1шт.

29

09662380

BRACKET

Weldment

1шт.

30

04660320

BAR ASSY.

Bracket

1шт.

31

04660300

MOUNTING PARTS

Extension Pivot

1шт.

32

04660340

TUBE,0.81" ID, 1.25" OD

Pivot Tube

1шт.

33

02600040

FITTING

Quick Coupler Assembly

1шт.

34

02675820

1-1/4" x 82" A.A.

1шт.

35

16312240

U-BOLT

3/4" x 6"

1шт.

36

413-1296

BOLT,Hex, 3/4" - 10 x 6", Gr 5

3/4" x 6" NC Hex.

1шт.

37

413-1040

BOLT,Hex, 5/8" - 11 x 2-1/2", Gr 5

5/8" x 2-1/2" NC Hex.

2шт.

39

425-1012

NUT,3/4"-10, G5

3/4" Hex.

2шт.

40

492-11062

BEARING WASHER,5/8"

2шт.

41

15040251

HYD CONNECTOR

1/4" NPT x 3/8" Hose Barb

1шт.

42

15081006

COUPLING

1" Swivel Pipe

2шт.

45

15051001

1 " NPT

1шт.

46

34314100

FITTING

1-3/4" ACME x 1-1/4" NPTM Adaptor

1шт.

Выбрано товаров: 40