Запчасти Case IH 9000 (75.100.01) - METER (75) - SOIL PREPARATION

Схема запчастей Case IH 9000 - (75.100.01) - METER (75) - SOIL PREPARATION
14
10
10
14
5
12
2
18
7
15
5
11
4
17
16
12
13
13
22
12
6
19
14
20
4
1
6
14
8
21
9
3
FIT
1:1
100%

Артикул

Название

Примечание

Количество

05401200

AUGER

Meter Assy. Complete (Not Shown)

1шт.

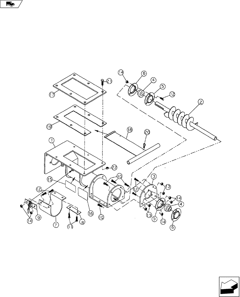
1

05401210

METER

Meter Assy., Includes Ref. 7-12 & 14

1шт.

2

05401230

AUGER

Meter

1шт.

3

05401241

CAP

End

2шт.

4

21841602

BEARING

W/Locking Coller

2шт.

5

21892200

FLANGE

Bearing

2шт.

6

21892201

NUT

Bearing Flange W/Zerk

2шт.

7

05401608

FLAP

Rubber

1шт.

8

05401609

1шт.

9

05401225

LATCH

Weldment

1шт.

10

113-2295

BOLT,Hex, 3/8" - 16 x 1", SST

NC

4шт.

11

16105039

5/16" x 1" NC Stainless

2шт.

12

16105038

5/16" x 3/4" NC Stainless

8шт.

13

14090608

SPECIAL NUT

3/8" NC Hex., Stainless

4шт.

14

14090508

Stainless

10шт.

15

18534325

Warning Sign

1шт.

16

18534327

Warning Sign

1шт.

17

05401264

2шт.

18

05401266

Gate

2шт.

19

05401265

BAR

2шт.

20

14720411

COTTER PIN

PIN, COTTER Hair

2шт.

21

16902069

Stainless

12шт.

22

14090808

Stainless

12шт.

Выбрано товаров: 23