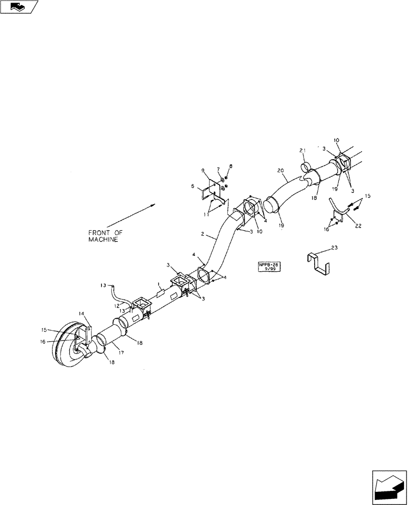
Запчасти Case IH 9000 (75.100.04) - AIR SYSTEM PARTS (75) - SOIL PREPARATION

Схема запчастей Case IH 9000 - (75.100.04) - AIR SYSTEM PARTS (75) - SOIL PREPARATION
22
3
3
4
13
2
3
19
1
18
7
15
18
10
16
10
8
21
16
6
12
4
11
4
17
3
3
19
9
15
23
13
18
14
20
FIT
1:1
100%

Артикул

Название

Примечание

Количество

1

05401600

RIGID TUBE

Air

1шт.

2

05401630

ELBOW

6" Double

1шт.

3

113-2295

BOLT,Hex, 3/8" - 16 x 1", SST

14шт.

4

14090608

SPECIAL NUT

3/8" Stainless Hex.

16шт.

6

16310009

U-BOLT

BOLT "U" 5/8" x 4" x 4-1/2"

1шт.

7

495-21069

WASHER,5/8"

Heavy

4шт.

8

232-41410

LOCK NUT,5/8"-11, GC

Stover

2шт.

9

05402117

1шт.

10

05401640

COUPLING

Hose

2шт.

11

113-2236

BOLT,Hex, 3/8" - 16 x 1-1/2", SST

2шт.

12

25631602

1" x 36"

1шт.

13

214-1424

HOSE CLAMP,#24, 1.06" - 2", Type F Worm

Gear

2шт.

14

05402165

MOUNTING PLATE

Fan

1шт.

15

413-824

BOLT,Hex, 1/2" - 13 x 1-1/2", Gr 5

4шт.

16

232-4148

NUT,1/2"-13, GC

4шт.

17

25680610

HOSE

6" Dia. x 10" Fan

1шт.

18

214-14104

HOSE CLAMP,155.45mm - 177.8mm

104

3шт.

19

214-21186

CLAMP,#186, 6.68"-7.00", T-Bolt

Band

2шт.

20

25680612

HOSE

6" x 12"

1шт.

21

05402375

Hose

3шт.

22

05402370

Hose

1шт.

23

05402430

Hose Storage

1шт.

Выбрано товаров: 22