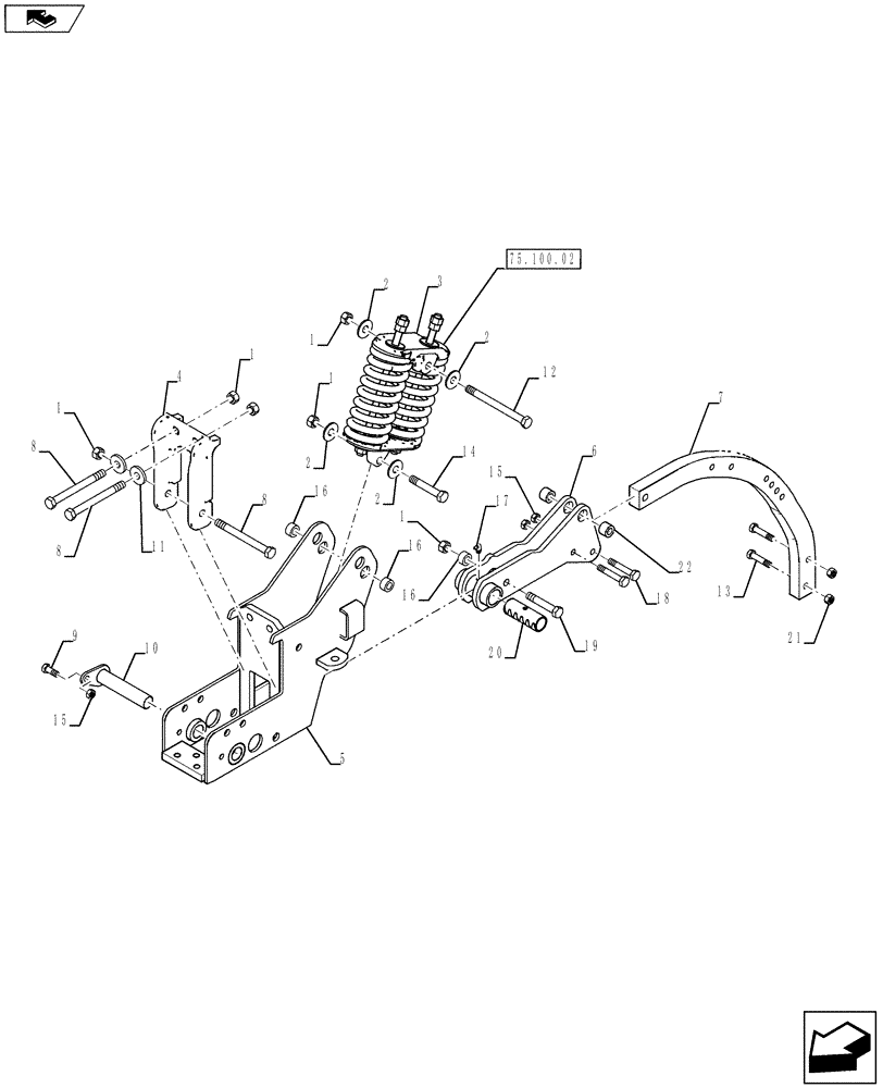
Запчасти Case IH 930 (75.200.01) - HCS SHANKS (75) - SOIL PREPARATION

Схема запчастей Case IH 930 - (75.200.01) - HCS SHANKS (75) - SOIL PREPARATION
1
1
5
15
10
3
1
20
16
18
17
8
13
16
6
8
22
2
21
8
75.100.02
14
2
11
4
19
1
2
9
12
2
16
7
home
15
1
FIT
1:1
100%

Артикул

Название

Примечание

Количество

1

86992216

NUT

6шт.

2

80299

WASHER,0.69" ID x 1.75" OD x 0.13" Thk

4шт.

3

84403853

SPRING

Double Spring Assembly

1шт.

4

84223909

MOUNT

1шт.

5

84397951

MOUNT

1шт.

6

87532493

PIVOT

Includes Ref# 20

1шт.

7

33020031

SHANK

HCS Shank

1шт.

8

86507000

BOLT,Hex, 5/8" - 11 x 6 1/2", Gr 5

3шт.

9

87670

BOLT,1/2" - 13 x 1-1/4", Full Thd, Gr 5

1шт.

10

14820475

TOWBAR PIN

1шт.

11

87613192

WASHER,0.66" ID x 1.75" OD x 0.24" Thk

2шт.

12

16901024

BOLT

1шт.

13

87975

BOLT,Hex, 1/2" - 13 x 2 1/4", Gr 5

2шт.

14

16445

BOLT,Hex, 5/8" - 11 x 3 3/4", Gr 5

1шт.

15

86992215

LOCK NUT,1/2"-13, GC

3шт.

16

44006200

BUSHING,16.38mm ID x 28.58mm OD x 15.75mm L

3шт.

17

87017581

LUBE NIPPLE,90 Degree, 1/8" NPT x .76" lg, Drive

1шт.

18

16908128

BOLT

2шт.

19

280119

BOLT,Hex, 5/8" - 11 x 3 1/2", Gr 5

1шт.

20

44012504

BUSHING

1шт.

21

280431

NUT,1/2"-13, G5

2шт.

22

87515446

BUSHING

2шт.

Выбрано товаров: 22