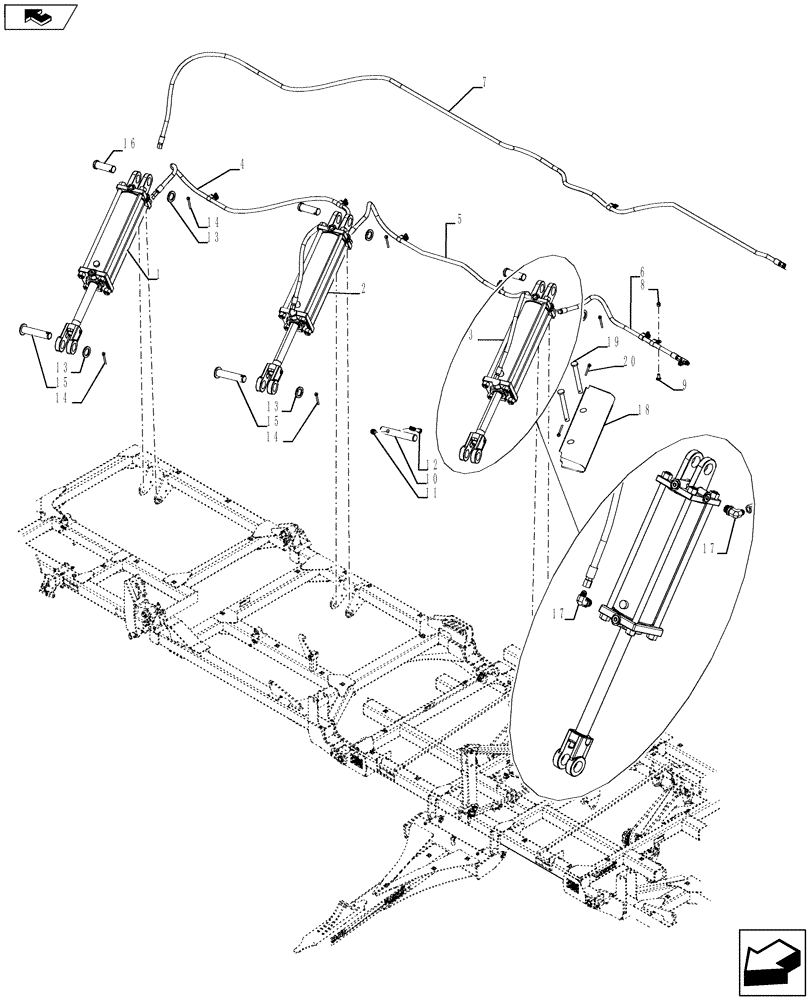
Запчасти Case IH NT950 (35.100.02) - WING LIFT HYDRAULIC (35) - HYDRAULIC SYSTEMS

Схема запчастей Case IH NT950 - (35.100.02) - WING LIFT HYDRAULIC (35) - HYDRAULIC SYSTEMS
4
6
15
18
10
1
16
15
14
9
5
17
13
20
19
13
11
3
2
14
14
8
17
13
12
home
7
FIT
1:1
100%

Артикул

Название

Примечание

Количество

1

84347694

HYDRAULIC CYLINDER,Double Acting, 31.75mm Rod, 304.8mm Stroke

Outer Lift

1шт.

2

84347707

HYDRAULIC CYLINDER,34.92mm Rod, 304.8mm Stroke

Middle Lift

1шт.

3

84347708

HYDRAULIC CYLINDER,Double Acting, 34.92mm Rod, 304.8mm Stroke

Inner Lift

1шт.

4

1284254C1

HYDRAULIC HOSE

3/8 x 170

1шт.

5

139655C2

HYDRAULIC HOSE

3/8 x 155

1шт.

6

1284296C1

HYDRAULIC HOSE,9.52 mm ID x 1905.00 mm

RH

1шт.

6

1317971C1

HOSE ASSY.

Left Hand, 3/8 x 1090

1шт.

7

84293074

HYDRAULIC HOSE,365.00"

RH

1шт.

7

193225A1

HYDRAULIC HOSE

Left Hand, 3/8 x 325

1шт.

8

88902

NUT,3/8"-16

1шт.

9

88682

CARRIAGE BOLT,Short Nk, 3/8"-16 x 1", Gr 5

1шт.

10

84251205

PIN

1.22 x 7.5

1шт.

11

88871

NUT,1/2"-13, GC

1шт.

12

87974

BOLT,Hex, 1/2" - 13 x 2 3/4", Gr 5

1шт.

13

87613302

WASHER,1.31" ID x 1.98" OD x 0.18" Thk

5шт.

14

88182

COTTER PIN,1/4" OD x 2" L

5шт.

15

14820442

PIN,31.75mm OD x 153.29mm L

1-1/4 X 3-3/4 HTS ZND

2шт.

16

84156994

CLEVIS PIN

1-1/4 X 3-3/4 HTS ZND All Cap Ends

3шт.

17

76347

ELBOW,90 Degree, 9/16" - 18 JIC x 3/4" - 16 ORB

All Cylinder Fittings

6шт.

18

9967021

PLATE

Transport, Cylinder Stop

1шт.

19

14810251

HEADED PIN,15.88mm OD x 96.77mm L

5/8" X 3-1/8"

1шт.

20

14720411

COTTER PIN

PIN, COTTER 1/8" X 3", Hair

1шт.

Выбрано товаров: 22