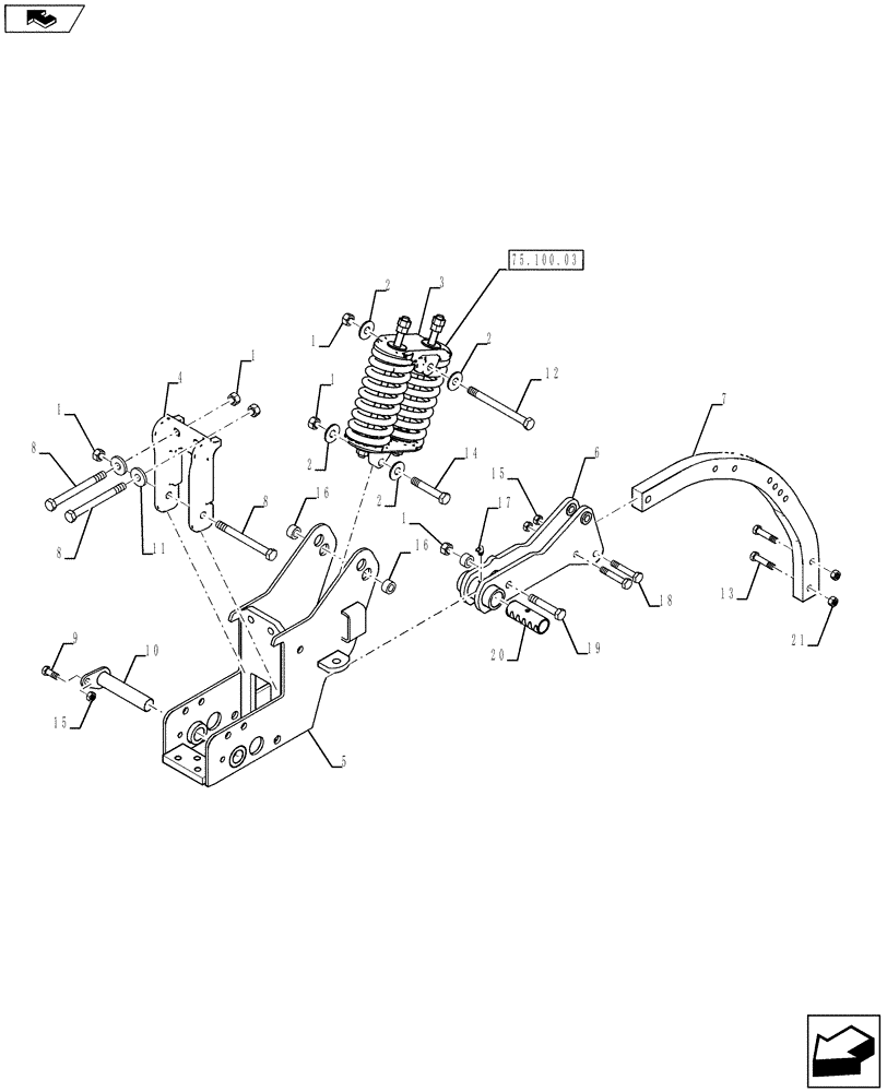
Запчасти Case IH NT950 (75.200.02) - HCS ASSEMBLY (75) - SOIL PREPARATION

Схема запчастей Case IH NT950 - (75.200.02) - HCS ASSEMBLY (75) - SOIL PREPARATION
1
1
7
3
home
16
1
19
11
5
8
15
2
4
8
21
2
75.100.03
6
2
9
8
1
10
20
18
17
1
16
13
2
12
14
15
FIT
1:1
100%

Артикул

Название

Примечание

Количество

1

86992216

NUT

6шт.

2

80299

WASHER,0.69" ID x 1.75" OD x 0.13" Thk

4шт.

3

84403853

SPRING

Double Spring Assembly

1шт.

4

84223909

MOUNT

1шт.

5

84397951

MOUNT

1шт.

6

87532493

PIVOT

Includes Ref# 20

1шт.

7

33020031R

POINT RIPPER SHANK

1шт.

8

86507000

BOLT,Hex, 5/8" - 11 x 6 1/2", Gr 5

3шт.

9

87670

BOLT,1/2" - 13 x 1-1/4", Full Thd, Gr 5

1шт.

10

87376362

PIN,31.75mm OD x 162.05mm L

1шт.

11

87613192

WASHER,0.66" ID x 1.75" OD x 0.24" Thk

2шт.

12

16901024

BOLT

1шт.

13

87975

BOLT,Hex, 1/2" - 13 x 2 1/4", Gr 5

2шт.

14

16445

BOLT,Hex, 5/8" - 11 x 3 3/4", Gr 5

1шт.

15

86992215

LOCK NUT,1/2"-13, GC

3шт.

16

44006201

BUSHING,16.38mm ID x 28.58mm OD x 15.75mm L

2шт.

17

87017581

LUBE NIPPLE,90 Degree, 1/8" NPT x .76" lg, Drive

1шт.

18

16908128

BOLT

2шт.

19

280119

BOLT,Hex, 5/8" - 11 x 3 1/2", Gr 5

1шт.

20

44012504

BUSHING

1шт.

21

280431

NUT,1/2"-13, G5

2шт.

Выбрано товаров: 21