Запчасти Case IH CONCORD (9C-24) - DRUM DRIVE ASSEMBLY

Схема запчастей Case IH CONCORD - (9C-24) - DRUM DRIVE ASSEMBLY
22
21
20
5
19
2b
1
12
23
10
25
2c
6
13
2a
14
11
7
16
24
18
2
9
4
15
3
17
8
FIT
1:1
100%

Артикул

Название

Примечание

Количество

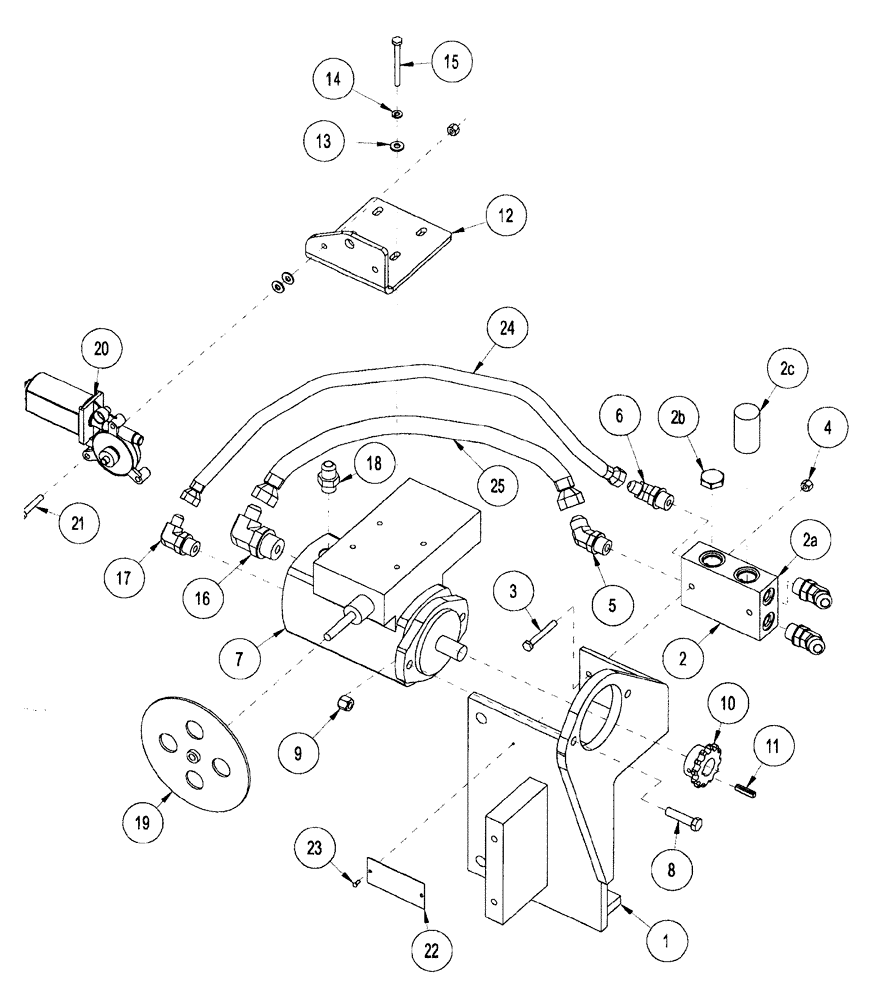
1

312224A1

PLATE

drum drive

1шт.

2

312232A1

VALVE

ASSY

1шт.

2a

306388A1

VALVE BLOCK

Body

1шт.

2b

312241A1

CARTRIDGE

VALVE - C 5psi Check

1шт.

2c

312235A1

CARTRIDGE

VALVE - Relief

1шт.

3

413-432

BOLT,Hex, 1/4" - 20 x 2", Gr 5

2шт.

4

231-1444

NUT,1/4"-20, GB

4шт.

5

218-5136

ELBOW,45 Degree Elbow, 3/4" - 16 Male JIC x 3/4" - 16 Male ORB

3шт.

6

218-5148

ELBOW,45 Degree Elbow, 9/16" - 18 Male JIC x 3/4" - 16 Male ORB

45°, 3/4-16 OR, 9/16-18 Flare

1шт.

7

312164A1

PUMP

Variable Displacement

1шт.

350772A1

SEAL

KIT

1шт.

350772A1

SEAL

Shaft only

1шт.

350773A1

PROTECTOR

STOP - Adjustable Volume

1шт.

350774A1

GASKET

Control Head

1шт.

8

413-624

BOLT,Hex, 3/8" - 16 x 1-1/2", Gr 5

2шт.

9

231-1446

NUT,3/8" - 16, Gr 5

2шт.

10

312645A1

SPROCKET ASSY.

15 tooth #40 hardened 7/8 bore

1шт.

11

312268A1

KEY

1/4 x 3/16 step

1шт.

12

312277A1

BRACKET

motor mounting

1шт.

13

495-11028

WASHER,1/4", SAE

(9/32 x 5/8 x 1/16")

8шт.

14

492-11025

LOCK WASHER,1/4"

4шт.

15

413-440

BOLT,Hex, 1/4" - 20 x 2-1/2", Gr 5

4шт.

16

218-5120

ELBOW,90 Degree Elbow, 3/4" - 16 Male JIC x 1-1/16" - 12 Male ORB

90 degree, 3/4-16 flare x 1-1/16 -12 inch

1шт.

17

218-5128

ELBOW,90° Elbow, 9/16" - 18 Male JIC x 3/4" - 16 Male ORB

1шт.

18

218-5059

HYD CONNECTOR,3/4"-16, 37 Degree x 3/4"-16, O-Ring

1/2" 37FL 1/2" ORB

1шт.

19

312361A1

GEAR

96 tooth

1шт.

20

111787A2

MOTOR, ELECTRIC

1шт.

20

111787A2R

REMAN-ELECTRIC MOTOR

1шт.

20

111787A2C

CORE-ELECTRIC MOTOR

Return Number

1шт.

21

413-424

BOLT,Hex, 1/4" - 20 x 1-1/2", Gr 5

2шт.

22

NSS

NOT SOLD SEPARAT

PLATE - component label

1шт.

23

NSS

NOT SOLD SEPARAT

SCREW-

2шт.

24

312279A1

HOSE

.38" x 7" -6 JICFSW both

1шт.

25

312282A1

HOSE ASSY.

.50" X 11" -8 JICFSW both

1шт.

Выбрано товаров: 34