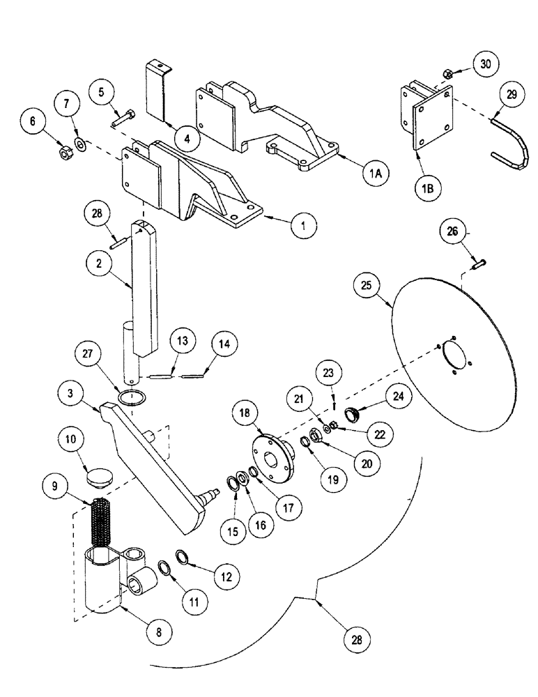
Запчасти Case IH CONCORD (B32) - COULTER ASSEMBLIES

Схема запчастей Case IH CONCORD - (B32) - COULTER ASSEMBLIES
30
13
20
8
19
17
23
29
6
18
11
16
1
24
18
9
26
4
1a
27
5
28
2
14
22
7
28
3
25
10
21
12
15
FIT
1:1
100%

Артикул

Название

Примечание

Количество

1

1033060

PLOW DISC

WLDMT COULTER SUPPORT SOLID SHANK

1шт.

1a

1033065

SUPPORT

WLDMT COULTER SUPPORT CUSHION SHANK

1шт.

1b

1033055

PLOW DISC

WLDMT COULTER SUPPORT STAND ALONE

1шт.

2

1033070

SUPPORT

WLDMT COULTER SHANK BLU JET

1шт.

3

1033074

ARM ASSY.

ARM W/SPINDLE AND PIVOT SHAFT

1шт.

4

1033061

BAR

ANGLE

2шт.

5

1016858

BOLT

BOLT HEX: .50 x 2.75 NC GR5 ZP

2шт.

6

425-108

NUT,1/2" - 13, Gr 5

NUT, 1/2"-13, G5

2шт.

7

1011581

LOCK WASHER

LOCK: .50 ZP

2шт.

8

1033079

HOUSING

KNEE CASTING

1шт.

9

1033076

SPRING

1шт.

10

1033075

PLUG

SPRING CAP

1шт.

11

1033077

WASHER

MACHINE WASHER: 1.87 OD 1.25 ID

1шт.

12

1033078

RING

SNAP RING

1шт.

13

1033067

PIN

- Roll .375 x 2.50

1шт.

14

1033068

PIN

- Roll .219 x 2.50

1шт.

15

1033089

SEAL

1шт.

16

1033088

BEARING, CONE

INNER CONE

1шт.

17

1033087

CUP

INNER CUP

1шт.

18

1033085

HUB ASSY.

HUB W/CUPS ONLY

1шт.

18

1033073

HUB

ASSEMBLY COMPLETE

1шт.

19

1033086

CUP

OUTER CUP

1шт.

20

1033084

ROLLER BEARING

OUTER CONE

1шт.

21

1033083

WASHER

SPINDLE WASHER: 1.50 OD 13/16 ID

1шт.

22

1033082

NUT

SPINDLE NUT: 3/4"-16

1шт.

23

1011984

SPLIT PIN/SAFETY PIN

COTTER PIN

1шт.

24

1033081

DUST CAP

1шт.

25

290500A1

PLOW DISC

BLADE COULTER 20" STRAIGHT

1шт.

290501A1

BLADE

COULTER 20" WAFFLE

1шт.

290502A1

PLOW DISC

BLADE COULTER 20" NOTCHED

1шт.

290503A1

PLOW DISC

BLADE COULTER 20" FLUTED

1шт.

26

1033072

BOLT

HEX: .50 x 1.00 NC GR5 ZP

1шт.

27

1033064

WASHER

- machine

1шт.

28

1033066

PIN

- Roll .375 x 2.0

1шт.

REF: 28 - Illustrated as roll pin is correct - other group illustration s/b p/n 1033071 which is a

1шт.

29

1023748

U-BOLT

BOLT-U: .63 x 4.69 x 5.50 ZP

2шт.

30

1011578

NUT,5/8"-11, G5

- hex: .63 NC

4шт.

coulter arm assy. NAPO TECH NOTE mv

1шт.

Выбрано товаров: 38