Запчасти Case IH CONCORD (B36) - DISC LEVELERS

Схема запчастей Case IH CONCORD - (B36) - DISC LEVELERS
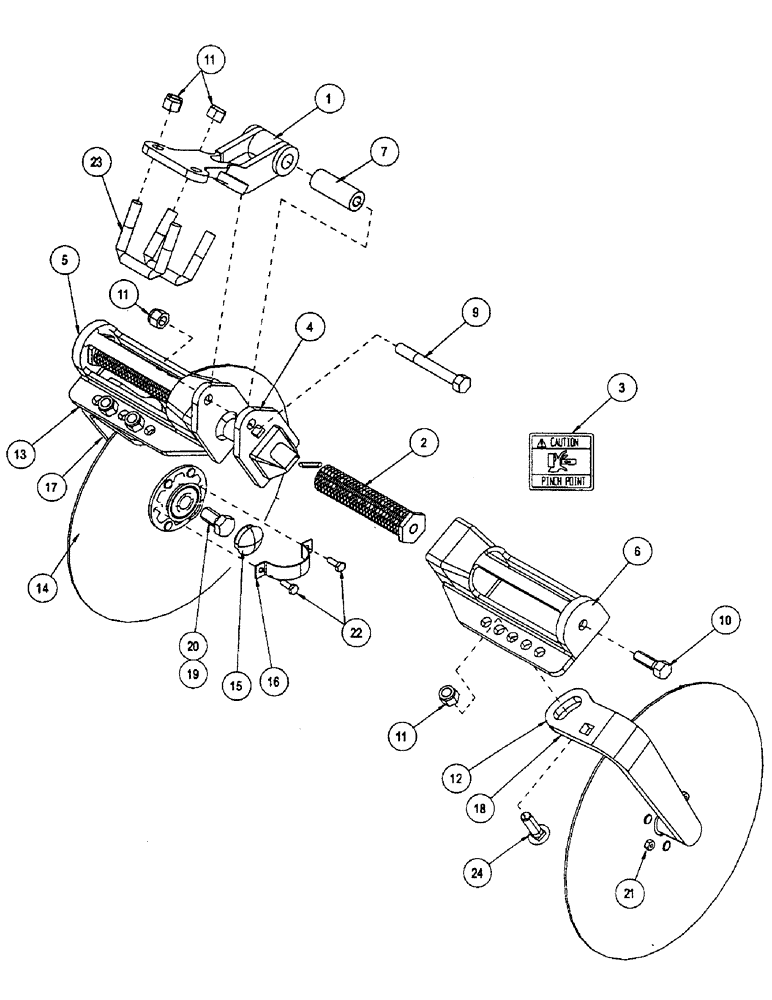
13
11
11
19
14
21
9
6
12
16
20
2
15
22
3
18
17
1
4
11
5
23
10
7
24
FIT
1:1
100%

Артикул

Название

Примечание

Количество

1

1032185

PIVOT

MOUNT

1шт.

2

1030544

SPRING

WLDMT - spring

2шт.

3

1030543

DECAL

CAUTION

2шт.

4

1030845

ARM

CASTING CARRIER ARM

1шт.

5

1030455

ARM

CAST MOUNT RH PNTD

1шт.

6

1030456

ARM

CAST MOUNT ARM LH PNTD

1шт.

7

1029571

BUSHING,13.59mm ID x 25.53mm OD x 65.48mm L

1шт.

8

1017731

LOCTITE

#242 (Not shown)

1шт.

9

1011613

BOLT

BOLT - hex: .50 x 4.00 NC GR5 ZP (Case #413-864)

1шт.

10

1011607

BOLT

BOLT - hex: .50 x 1.50 NC GR5 ZP (Case #413-824)

2шт.

11

231-4248

NUT,1/2"-13, GB

NUT - centerlock: .50 NC GR5 ZP (Case #231-4248)

9шт.

12

1030419

ARM

/A WITH DISC LH (Incl. 14-16, 18, 19, 21-22)

1шт.

13

1030420

ARM

/A WITH DISC RH (Incl. 14-17, 20-22)

1шт.

14

1030418

BEARING ASSY

ASSY - disc & bearing

1шт.

15

1030414

DUST CAP

CAP - dust

1шт.

16

1029687

RETAINER

- cap

1шт.

17

1029681

ARM

RIGHT HAND

1шт.

18

1029680

ARM

LEFT HAND

1шт.

19

1011909

BOLT

BOLT - hex: RH .63 x 1.25 NC GR5 ZP (Case #413-1020)

1шт.

20

1016630

BOLT

BOLT - hex: LH .63 x 1.25 NC GR5 ZP (Case #113-2664)

1шт.

21

1013427

LOCK NUT,1/4"-20, GA

NUT - centerlock: .25 NC GR2 ZP

2шт.

22

1011595

BOLT,Hex, 1/4" - 20 x 3/4", Gr 5, Full Thd

BOLT - hex: .25 x .75 NC GR5 ZP (Case #413-412)

2шт.

23

1029579

U-BOLT

BOLT US .5 2.063W 3D

2шт.

24

433-824

CARRIAGE BOLT,Sq Nk, 1/2" - 13 x 1 1/2", Gr 5

BOLT, CARRIAGE, Short NK, 1/2"-13 x 1 1/2", G5

4шт.

Выбрано товаров: 24