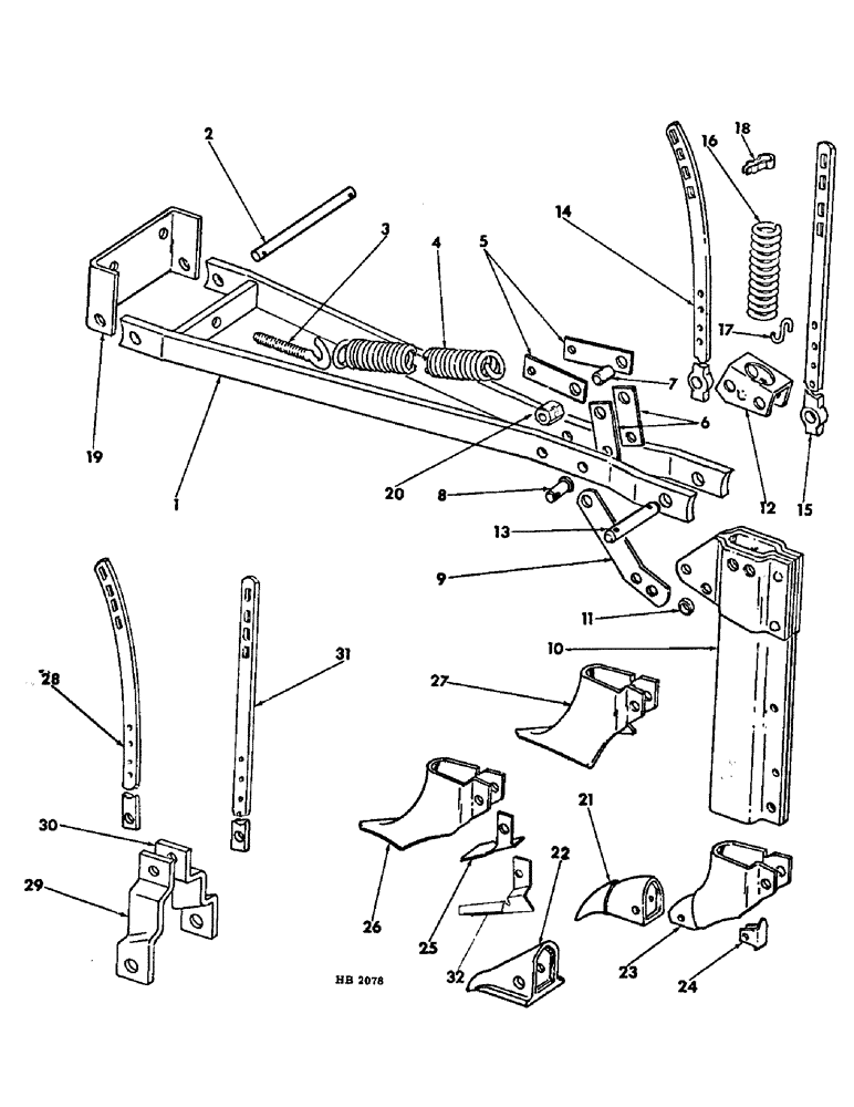
Запчасти Case IH 150 (48) - SPRING TRIP FURROW OPENER, ON MACHINES BUILT 1973 SEASON AND SINCE

Схема запчастей Case IH 150 - (48) - SPRING TRIP FURROW OPENER, ON MACHINES BUILT 1973 SEASON AND SINCE
25
31
32
24
16
12
14
29
26
3
30
4
9
28
2
22
1
27
5
7
13
23
21
20
18
10
11
19
8
15
6
17
FIT
1:1
100%

Артикул

Название

Примечание

Количество

1

818068C2

BAR

DRAWBAR ASSY, furrow opener

1шт.

2

605441R1

PIN

drawbar pivot

1шт.

432-1220

COTTER PIN,3/16" x 1 1/4"

Pin, Split (Cotter), 3/16" x 1 1/4"

2шт.

3

818079C1

BOLT,Hook, 1/2" - 13 x 4.75"

trip spring hook

1шт.

231-1448

NUT,1/2"-13, GB

1/2-13 hex lock

1шт.

178374R1

WASHER

.531 x 1.250 x .054

1шт.

4

PO196A

SPRING

trip

1шт.

5

818080C1

BAR

spring link

2шт.

6

818081C3

BAR

trip link

2шт.

7

85490H

SPACER

link

1шт.

113-233

BOLT,Hex, 3/8" - 16 x 1-3/4", Gr 5

1шт.

120377

NUT,3/8" - 16, Gr 5

1шт.

120382

LOCK WASHER,Helical Spring, 3/8"

WASHER, LOCK, 3/8"

1шт.

8

84727H

CLEVIS PIN,1/2" x 1.141"

PIN, 1/2 x 1.41 clevis

2шт.

103384

COTTER PIN,1/8" x 3/4"

Pin, Split (Cotter), 1/8" x 3/4"

2шт.

20601R1

WASHER

.531 x 1.250 x .090

2шт.

9

818077C2

LINK

trip

1шт.

4837S

HEADED PIN,3/8" x 1"

PIN, 3/8 x 1 std-hd-dld

1шт.

103384

COTTER PIN,1/8" x 3/4"

Pin, Split (Cotter), 1/8" x 3/4"

1шт.

10

818064C91

BOOT

ASSY, furrow opener, Includes 1-86224H, spacer, 1-104100, rivet and 2-104099, rivet

1шт.

104099

RIVET,But Hd, 5/16" x 1"

5/16 x 1 small b-hd

2шт.

11

86224H

SPACER,1/4" Pipe x 3/8"

Boot support 1/4" Pipe x 3/8"

1шт.

104100

RIVET,But Hd, 5/16" x 1 1/8"

5/16 x 1-1/8 small b-hd

1шт.

12

818075C1

HOLDER

tube

1шт.

13

818076C1

PIN

furrow opener

1шт.

432-1216

COTTER PIN,3/16" x 1"

Pin, Split (Cotter), 3/16" x 1"

2шт.

21796R1

WASHER

.656 x 1.000 x .054

1шт.

14

819297C1

BAR

pressure spring front opener, For use w/front rank furrow openers, less pressure rod yoke, Built 1974 season and since

1шт.

15

819296C1

BAR

pressure spring rear opener, For use w/rear rank furrow openers, less pressure rod yoke, Built 1974 season and since

1шт.

16

6639

SPRING

pressure

1шт.

17

F6366

LOCK

pressure spring

1шт.

18

605964R1

CLIP

spring rod

1шт.

19

605336R1

BRACKET

drawbar pivot, One required per furrow opener

1шт.

NLS

NO LONGER SERVICED

3/8X1 small b-hd, 2 per bracket, Not for use on 8X18 machine

1шт.

180122

BOLT,Hex, 3/8" - 16 x 1", Gr 5

3/8-16 x 1 hex-hd, 8X18

2шт.

120377

NUT,3/8" - 16, Gr 5

8X18 3/8"-16, G5

2шт.

120382

LOCK WASHER,Helical Spring, 3/8"

WASHER, LOCK, , 8X18 3/8"

2шт.

20

818078C3

SPACER

drawbar

1шт.

180190

LOCK SCREW,Hex, 1/2" - 13 x 3", Gr 5

BOLT, 1/2-13 x 3 hex-hd

1шт.

120378

NUT,Hex, 1/2" - 13, Gr 5

NUT, 1/2"-13, G5

1шт.

120384

WASHER,1/2"

LOCK, 1/2"

1шт.

21

592809R3

POINT

Eagle beak w/hard facing & dftr

1шт.

21

816565C1

POINT

Eagle beak w/o hard facing w/dft

1шт.

22

606360R1

POINT

1-3/4 inch spear, Not for 8X18 Hillside

1шт.

23

818087C1

ADAPTER

ADAPTOR, point

1шт.

133781

SCREW,Sl Flat Hd, 1/4" - 20 x 1 1/4"

1/4-20 x 1-1/4 fl-hd-sltd

1шт.

843381C1

SQUARE NUT,Sq. 1/4"-20

1/4-20 square

1шт.

24

818088C1

COVER

point

1шт.

25

818089C1

DEFLECTOR

grain, Not 8X18, Regular for use w/3 inch shovel, Opt to use w-1-3/4 spear point

1шт.

26

818085C1

SHOVEL

3 inch tumbled, Not for 8X18 Hillside

1шт.

27

818083C1

SHOVEL

5 inch tumbled, Not for 8X18 Hillside

1шт.

165420C1

BOLT,Hex Serr, 3/8"-16 x 1 1/4", Spcl

SCREW, 3/8-16 x 1-1/4 hex-hd flg lock

1шт.

482256R1

BEARING LOCK NUT,Flg, USR, 3/8"-16

3/8-16 hex flanged lock

1шт.

28

818071C1

BAR

pressure spring front, For use w/front rank furrow openers when equipped w/pressure bar supports, Built 1973 season and 1974 season

1шт.

29

818073C1

SUPPORT, furrow opener LH

1шт.

30

818074C1

SUPPORT

furrow opener RH, For use on furrow openers when equipped w/818071C1 or 606792R1, Pressure spring bars, Built 1973 and 1974 season

1шт.

31

606792R1

BAR

pressure spring rear, For use w/rear rank furrow openers when equipped w/pressure bar supports, Built 1973 season and 1974 season

1шт.

N32202

PIN, 3/8 x 1-7/16 std-hd-dld

1шт.

103384

COTTER PIN,1/8" x 3/4"

Pin, Split (Cotter), 1/8" x 3/4"

1шт.

32

819291C1

DEFLECTOR

grain, Regular for use w/5 inch shovel

1шт.

Выбрано товаров: 60