Запчасти Case IH 30 (35.300.01) - OPTIONAL DIESEL ENGINE HYDRAULIC KIT (35) - HYDRAULIC SYSTEMS

Схема запчастей Case IH 30 - (35.300.01) - OPTIONAL DIESEL ENGINE HYDRAULIC KIT (35) - HYDRAULIC SYSTEMS
6
9
4
2
10
3
3
8
10
7
5
2
9
11
1
FIT
1:1
100%

Артикул

Название

Примечание

Количество

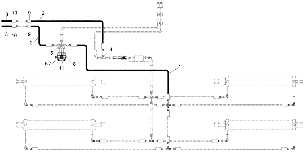
1

1015221

HOSE

.50 x 040-8JICFSW, Both

1шт.

2

1027049

HOSE ASSY.

.500X504IN-12JICFSW/-8NPTM

2шт.

3

1018373

HOSE ASSY.

.500 X 220-8JICFSW/-8NPTM

2шт.

4

86511870

TEE,3/4" - 16 JIC x 3/4" - 16 JIC x 3/4" - 16 JIC

1шт.

5

218-1056

ELBOW,90 Degree, 3/4"-16, 37 Degree x 3/4"-16, NPTF

3шт.

6

88436

BOLT,Hex, 3/8" - 16 x 2", Gr 5

2шт.

7

9628503

NUT,3/8"-16, G5

2шт.

8

1024240

VALVE

/A

1шт.

8

700712911

KNOB

1шт.

8

7735731

SEAL KIT

KIT

1шт.

9

1018131

FITTING

QK COU

2шт.

10

1018128

FITTING

QK COU

2шт.

11

1024344

PLATE

Mounting

1шт.

Выбрано товаров: 13