Запчасти Case IH 30 (75.100.08) - SPRING ASSEMBLY (75) - SOIL PREPARATION

Схема запчастей Case IH 30 - (75.100.08) - SPRING ASSEMBLY (75) - SOIL PREPARATION
6
7
9
3
4
8
2
1
5
FIT
1:1
100%

Артикул

Название

Примечание

Количество

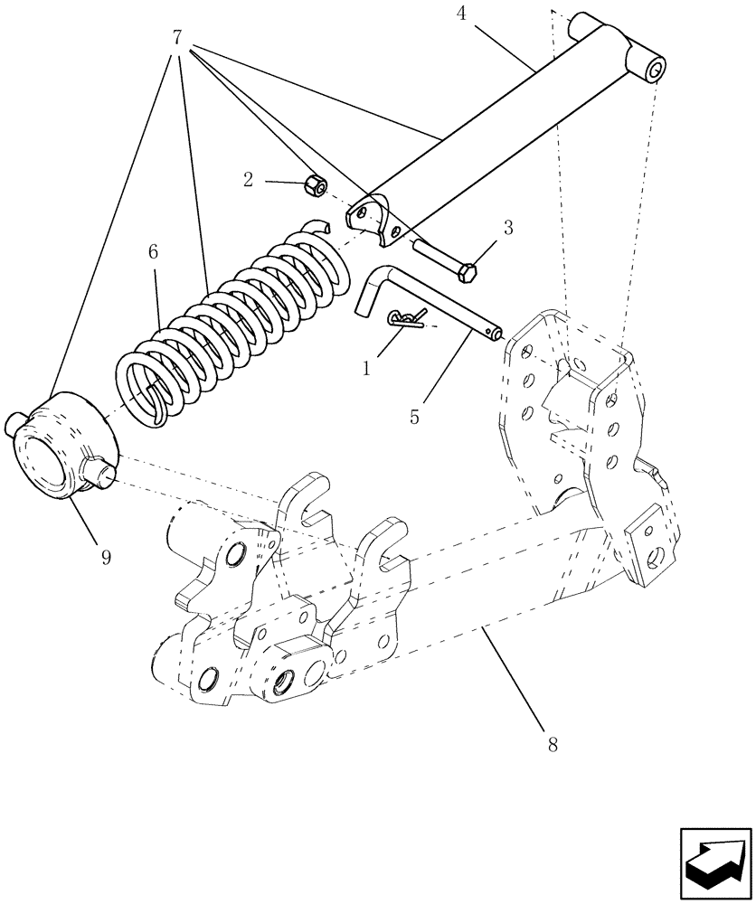
1

136-163

HAIR PIN COTTER,Int, 5/16" x .177

1шт.

2

87530607

NUT

1/2"-13, GB

1шт.

3

87339

BOLT,Hex, 1/2" - 13 x 3", Gr 5

1шт.

4

306206A1

TUBE,385.9, 61.9 mm Length

guide spring assembly

1шт.

5

306078A1

PIN,15.88mm OD

spring adjustment

1шт.

6

306095A1

SPRING

compression 1/2" wire 3 1/2" od x 13" long

1шт.

7

306205A1

SPRING

compression single disc (Order Components)

1шт.

8

87505370

ARM

mount RH

1шт.

8

87505363

ARM

mount LH

1шт.

9

350418A1

COLLAR

spring cast

1шт.

100

87505411

KIT

packer bushing update

1шт.

Not Shown

1шт.

Used on 87450259 and 87450260

1шт.

Выбрано товаров: 13