Запчасти Case IH 500 (77.904.AC[01]) - METER ASSY (77) - SEEDING/PLANTING

Схема запчастей Case IH 500 - (77.904.AC[01]) - METER ASSY (77) - SEEDING/PLANTING
32
2
22
3
16
31
16
41
6
4
42
8
17
36
18
20
15
12
45
34
33
7
22
27
25
43
39
9
1
13
38
44
23
21
37
5
23
35
26
40
15
10
15
11
28
home
30
29
19
24
14
17
FIT
1:1
100%

Артикул

Название

Примечание

Количество

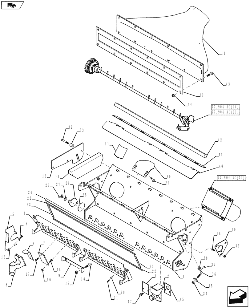
1

84474870

FRAME

1шт.

2

84388584

VENTURI

1шт.

3

84394787

COVER

1шт.

4

84474886

DOOR

1шт.

5

84394796

BRACKET

1шт.

5

84548698

BRACKET

1шт.

6

84389802

DOOR

1шт.

7

84388603

CUP COVER

1шт.

8

84389803

CUP

1шт.

9

84474881

SUPPORT

1шт.

9

84474879

SUPPORT

2шт.

10

84394781

PLATE

2шт.

11

84474911

PLENUM

12 Port

1шт.

11

84389741

PLENUM

16 Port

1шт.

12

84474914

SEAL

12 Port

1шт.

12

84389740

SEAL

16 Port

1шт.

13

84394776

PLATE

2шт.

14

84392108

SEAL

2шт.

15

88832

CARRIAGE BOLT,Sq Nk, 1/4" - 20 x 3/4", Gr 5, Full Thd

34шт.

16

9626558

FLANGE NUT,Flg, 1/4"-20

34шт.

17

86521552

BOLT,Hex, 5/16" - 18 x 3/4", Gr 5

24шт.

18

86523775

BOLT,Hex, 3/8" - 16 x 1 1/2", Gr 5

6шт.

19

86521606

FLANGE NUT,Hex, 3/8" - 16, Gr 5

6шт.

20

425-104

NUT,1/4"-20, Cl 5

1шт.

21

84389797

SPRING

1шт.

22

84474890

GASKET

2шт.

23

84389800

SEAL

2шт.

24

84474891

SEAL

1шт.

25

84392106

SEAL

2шт.

26

84394777

COVER

2шт.

27

80664

WASHER,0.38" ID x 0.88" OD x 0.08" Thk

4шт.

28

2015

WING NUT,3/8"-16

4шт.

29

84420728

BOLT

16шт.

30

84474875

BRACKET

2шт.

31

84389856

SEAL

4шт.

32

9636711

BOLT,Hex, 5/16 - 18" x 2", Gr 5

6шт.

33

84389853

SPACER

6шт.

34

86521605

FLANGE NUT,5/16"-18, Cl 5

2шт.

35

87013351

WASHER,0.34" ID x 1.25" OD x 0.12" Thk

2шт.

36

47390552

LOCK

2шт.

37

432-810

COTTER PIN,1/8" x 5/8"

2шт.

38

495-81124

WASHER,0.38" ID x 0.75" OD x 0.06" Thk

2шт.

39

9626558

FLANGE NUT,Flg, 1/4"-20

6шт.

40

84474877

METER

1шт.

41

84394771

SEAL

2шт.

42

84474884

SEAL

12 Port

1шт.

42

84394784

SEAL

16 Port

1шт.

43

86523775

BOLT,Hex, 3/8" - 16 x 1 1/2", Gr 5

6шт.

44

86521606

FLANGE NUT,Hex, 3/8" - 16, Gr 5

6шт.

45

84388585

SEAL

1шт.

Выбрано товаров: 50