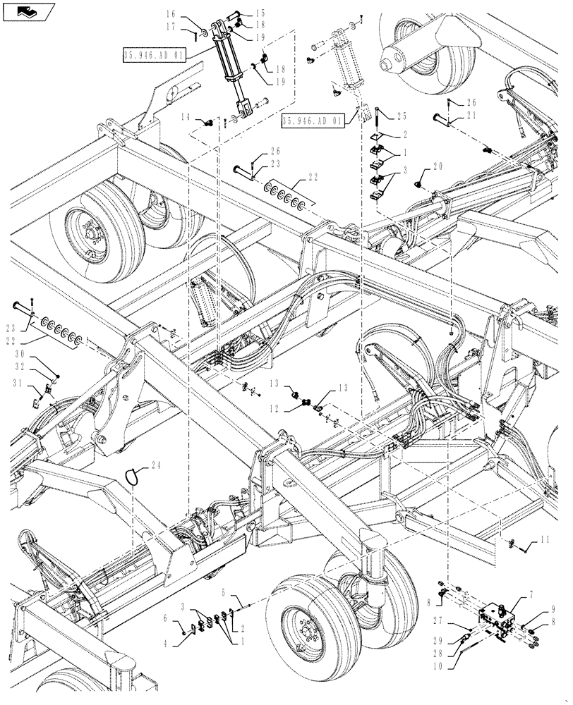
Запчасти Case IH 500T (35.944.AI[02]) - 25 FOOT HYDRAULIC HOSE ROUTING (35) - HYDRAULIC SYSTEMS

Схема запчастей Case IH 500T - (35.944.AI[02]) - 25 FOOT HYDRAULIC HOSE ROUTING (35) - HYDRAULIC SYSTEMS
13
32
9
1
4
19
25
24
35.946.ad 01
23
18
22
35.946.ad 01
27
home
19
18
17
14
3
3
8
28
15
16
2
11
23
29
5
1
13
30
31
7
26
12
10
8
22
26
2
20
6
21
FIT
1:1
100%

Артикул

Название

Примечание

Количество

1

84566331

HOSE CLAMP

Plastic 16MM

44шт.

2

84566328

PROTECTION PLATE

Small Hose Clamp

10шт.

3

84566332

HOSE CLAMP

Plastic 19MM

8шт.

4

84566329

PROTECTION PLATE

Meduim Hose Clamp

2шт.

5

189298

BOLT,Hex, 5/16" - 18 x 4", Gr 5

2шт.

6

86629544

NUT,5/16” – 18, GR B

16шт.

7

84424449

VALVE, PRESSURE CONT

Manual Control

1шт.

7

84490497

VALVE, PRESSURE CONT

In Cab Control

1шт.

8

81827427

HYD CONNECTOR,3/4" - 16 JIC x 3/4" - 16 ORB

Incl O-Ring

10шт.

9

128825

O-RING,0.087" Thk x 0.644" ID, -908, Cl 6, 90 Duro

Used With 8

10шт.

10

280929

BOLT,Hex, 5/16" - 18 x 6", Gr 5

2шт.

11

86505972

BOLT,5/16" - 18 x 2 - 1/4", Gr 5

6шт.

12

86513043

4 WAY CONNECTION,3/4"-16, 37 Degree

4шт.

13

248974

90 ELBOW,3/4" - 16 JIC x 3/4" - 16 Fem Sw

6шт.

14

128996

TEE,3/4" - 16 JIC x 3/4" - 16 JIC x 3/4" - 16 JIC

2шт.

15

84569159

PIN

GR 5

12шт.

16

86632592

WASHER,1.06" ID x 2" OD x 0.13" Thk

12шт.

17

432-1632

COTTER PIN,1/4" x 2"

12шт.

18

128830

90 ELBOW,3/4" - 16 JIC x 3/4" - 16 ORB

Incl O-Ring

12шт.

19

128825

O-RING,0.087" Thk x 0.644" ID, -908, Cl 6, 90 Duro

Used With 18

12шт.

20

84125563

ORIFICE

.094 90 deg

4шт.

21

87575681

HEADED PIN

1.25 X 4.800

2шт.

22

87023158

WASHER,1.31" ID x 2.5" OD x 0.15" Thk

16шт.

23

84158482

2шт.

24

87557084

CABLE TIE,14"

14 Inch

48шт.

25

86507008

BOLT,Hex, 5/16" - 18 x 3 1/2", Gr 5

2шт.

26

9636711

BOLT,Hex, 5/16 - 18" x 2", Gr 5

4шт.

27

278548

PLUG,Hex, 7/16"-20 ORB

1шт.

28

9625178

PLUG,9/16" - 18 ORB

1шт.

29

87428328

PRESSURE SWITCH

In Cab Control

1шт.

29

70923102

REDUCER

Manual Control

1шт.

30

20356

NUT,1/4"-20, GB

12шт.

31

47432833

STUD

12шт.

32

86624141

WASHER,0.28" ID x 1.12" OD x 0.06" Thk

12шт.

Выбрано товаров: 34